指南生活
首页
美食营养
手工爱好
生活家居
返回
指南生活
首页
美食营养
游戏数码
手工爱好
生活家居
健康养生
运动户外
职场理财
情感交际
母婴教育
时尚美容
知识问答
生活知识
搜索
ST7920系列中文图形液晶模块使用说明书:[2]
2026-01-22 14:04:07
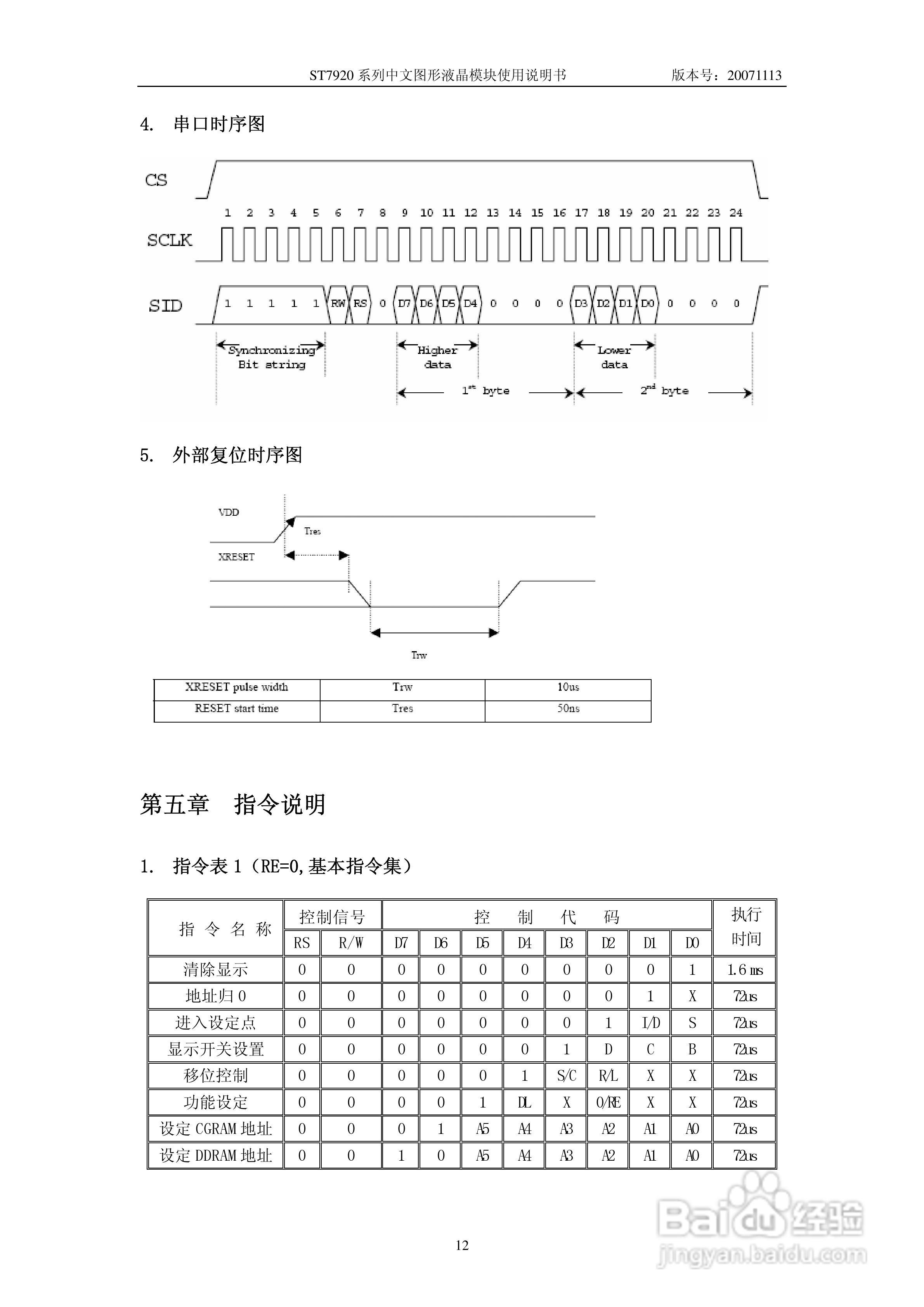
本篇为《ST7920系列中文图形液晶模块使用说明书》,主要介绍该产品的使用方法以及常见故障解决方案。
(共篇)
上一篇:
|
下一篇:
声明:
本网站引用、摘录或转载内容仅供网站访问者交流或参考,不代表本站立场,如存在版权或非法内容,请联系站长删除,联系邮箱:site.kefu@qq.com。
相关推荐
ST7920系列中文图形液晶模块使用说明书:[1]
阅读量:81
ST7920系列中文图形液晶模块使用说明书:[4]
阅读量:188
亚斌ST792系列中文图形液晶模块使用说明书:[2]
阅读量:96
亚斌ST792系列中文图形液晶模块使用说明书:[1]
阅读量:34
亚斌ST792系列中文图形液晶模块使用说明书:[3]
阅读量:145
猜你喜欢
put out是什么意思
吸毒是什么感觉
久违的意思是什么
方舟子是什么样的人
aunt是什么意思
month什么意思
什么是防火墙
pc是什么材质
卵泡期是什么时候
多巴胺是什么意思
猜你喜欢
421是什么意思
地壳中含量最多的元素是什么
什么是潮汐车道
虚怀若谷什么意思
7月15日是什么节日
猫发出咕噜咕噜的声音是什么意思
无济于事是什么意思
ap是什么
沙雕是什么意思
详细的近义词是什么