指南生活
首页
美食营养
手工爱好
生活家居
返回
指南生活
首页
美食营养
游戏数码
手工爱好
生活家居
健康养生
运动户外
职场理财
情感交际
母婴教育
时尚美容
知识问答
生活知识
搜索
缘基电子KEC-2046微机励磁控制器说明书:[1]
2025-12-16 02:48:44
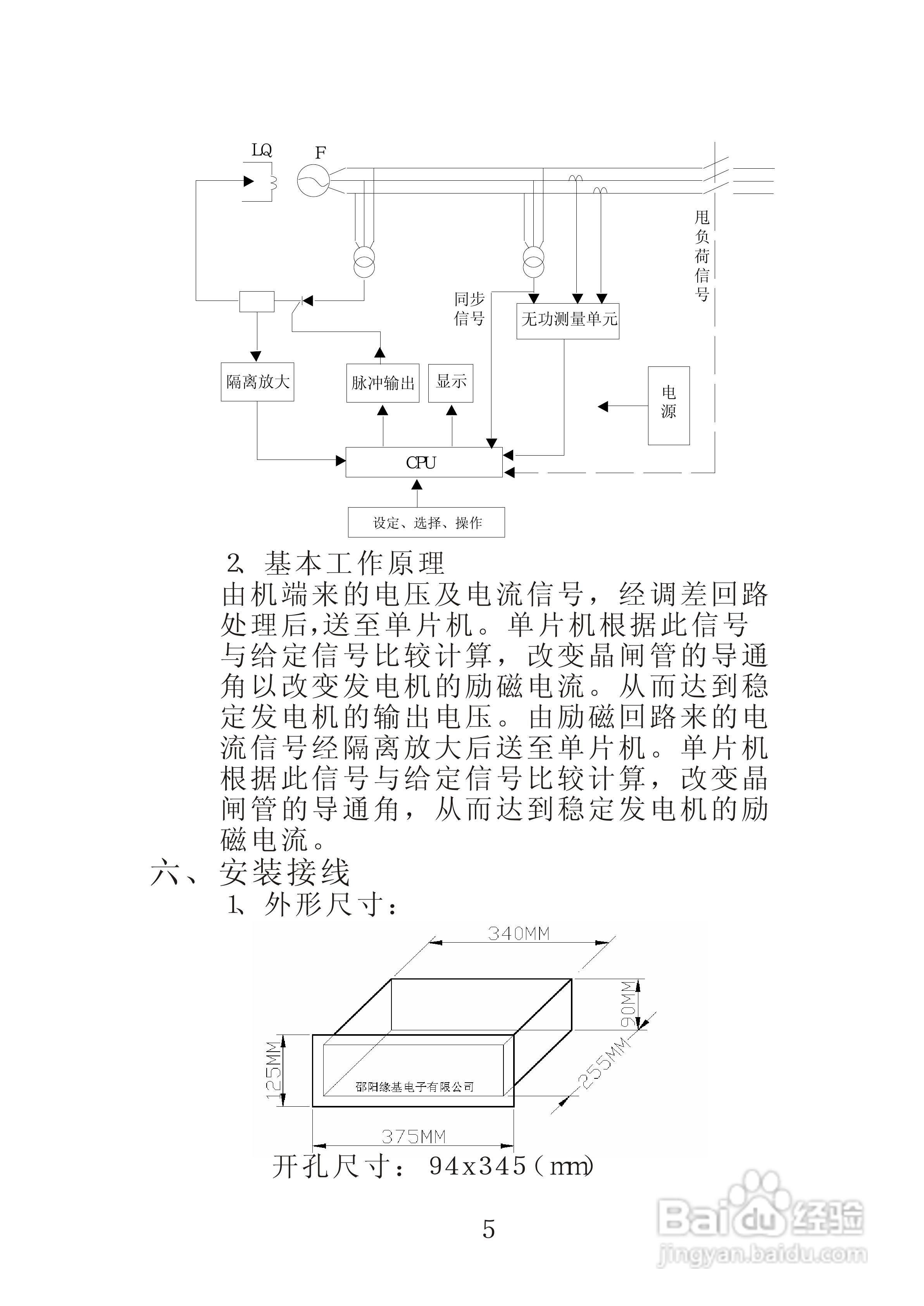
本篇为《缘基电子KEC-2046微机励磁控制器说明书》,主要介绍该产品的使用方法以及常见故障解决方案。
(共篇)
下一篇:
声明:
本网站引用、摘录或转载内容仅供网站访问者交流或参考,不代表本站立场,如存在版权或非法内容,请联系站长删除,联系邮箱:site.kefu@qq.com。
相关推荐
缘基电子KEC-2046微机励磁控制器说明书:[2]
阅读量:126
缘基电子KEC-2036微机励磁控制器说明书:[1]
阅读量:196
缘基电子KEC-2026微机励磁控制器说明书:[2]
阅读量:179
DLCT微机励磁控制器操作说明书:[1]
阅读量:109
DLCT微机励磁控制器操作说明书:[4]
阅读量:66
猜你喜欢
家常炖鸡
辈分称呼大全
雪莲花怎么吃
花菜的做法大全家常
薄荷的种植方法
电脑待机密码怎么设置
鸡爪怎么烧简单又好吃
奔驰e300怎么样
摘抄大全好词好句好段
鸡眼膏怎么用
猜你喜欢
小芋头怎么做好吃
脾不好怎么调理
黄鳝的做法大全家常
家规怎么写
替米沙坦片怎么样
键盘进水了怎么办
鱼头炖豆腐的家常做法
褥疮的治疗方法
猕猴桃催熟方法
汽车导航怎么升级