指南生活
首页
美食营养
手工爱好
生活家居
返回
指南生活
首页
美食营养
游戏数码
手工爱好
生活家居
健康养生
运动户外
职场理财
情感交际
母婴教育
时尚美容
知识问答
生活知识
生活百科
搜索
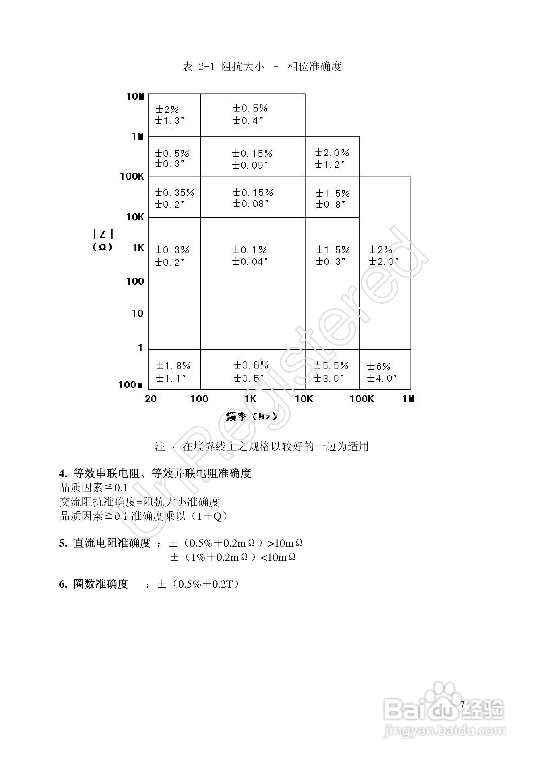
洪铭电子HM2798 变压器综合参数测试仪说明书:[1]
2026-04-25 22:27:57
本篇为《洪铭电子HM2798 变压器综合参数测试仪说明书》,主要介绍该产品的使用方法以及常见故障解决方案。
(共篇)
下一篇:
声明:
本网站引用、摘录或转载内容仅供网站访问者交流或参考,不代表本站立场,如存在版权或非法内容,请联系站长删除,联系邮箱:site.kefu@qq.com。
相关推荐
洪铭电子HM2798 变压器综合参数测试仪说明书:[9]
阅读量:129
洪铭电子HM279XL 滤波器LCR测试仪说明书:[1]
阅读量:33
洪铭电子HM9460电感自谐频率分选仪说明书:[1]
阅读量:46
变压器变比测试仪测试方法
阅读量:41
变压器有载分接开关测试仪使用方法
阅读量:153
猜你喜欢
权重是什么意思
喜欢和爱有什么区别
拨冗是什么意思
先考是什么意思
我的楼兰是什么意思
排卵期在什么时候
服务器是什么
6月22日是什么星座
喜出望外的望是什么意思
公务员考试都考什么科目和内容
猜你喜欢
锤子是什么意思
st股票什么意思
凌乱的意思是什么
性激素六项主要是查什么
无什么无什么的成语
兹是什么意思
鉴于是什么意思
天马行空什么意思
什么是
bored是什么意思