指南生活
首页
美食营养
手工爱好
生活家居
返回
指南生活
首页
美食营养
游戏数码
手工爱好
生活家居
健康养生
运动户外
职场理财
情感交际
母婴教育
时尚美容
知识问答
生活知识
生活百科
搜索
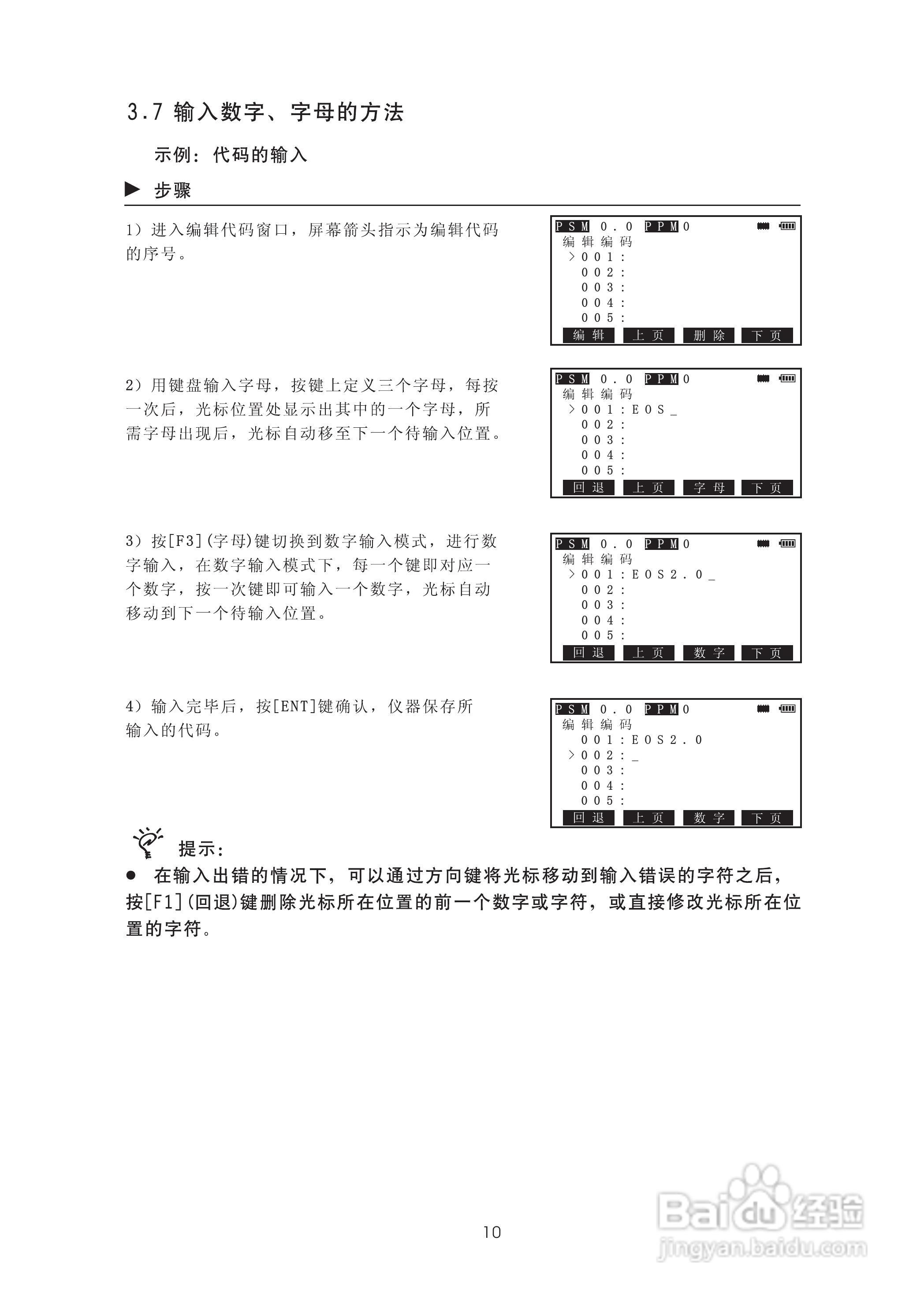
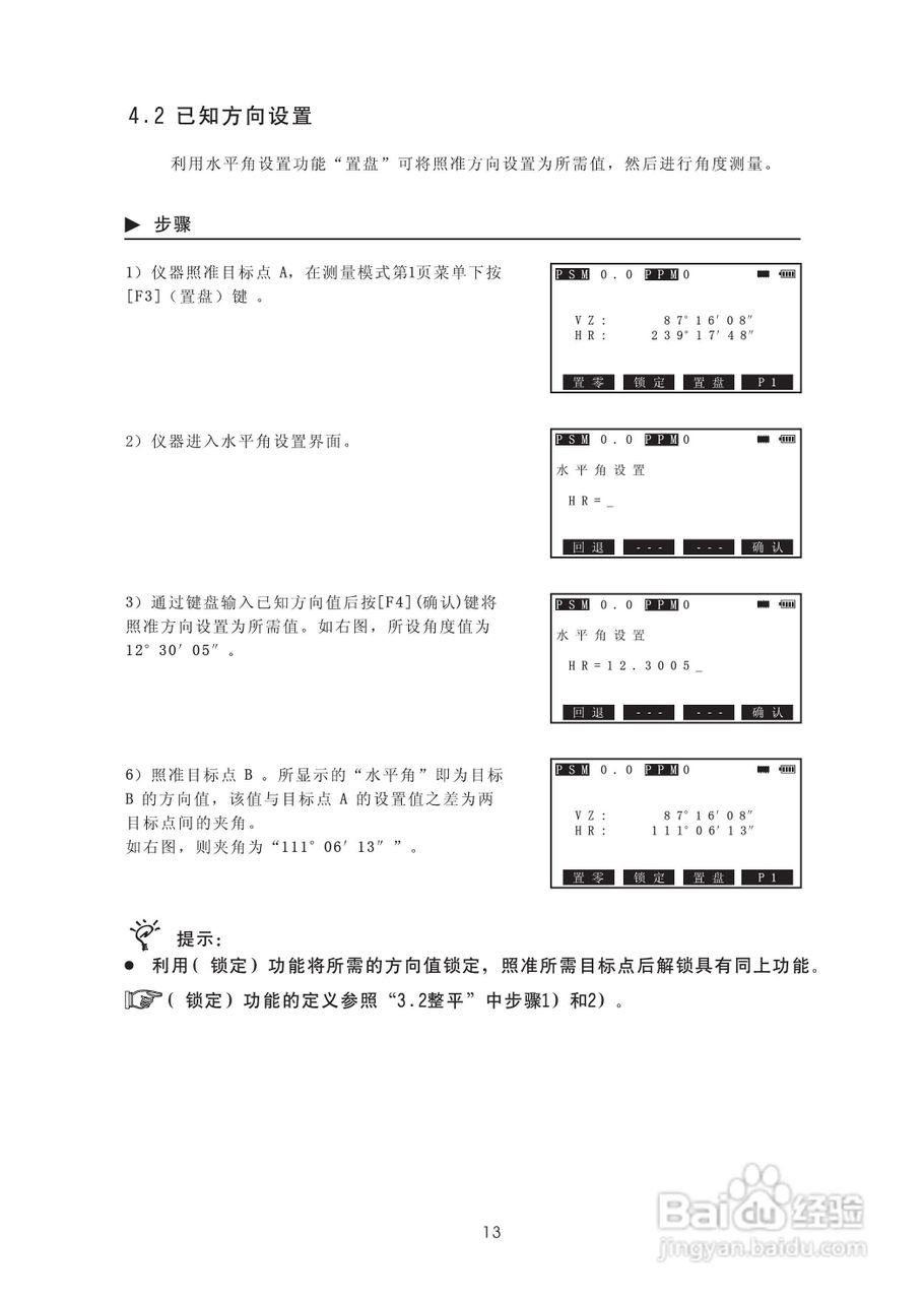
苏州一光RTS315L全站仪使用说明书:[3]
2026-03-26 04:10:33
本篇为《苏州一光RTS315L全站仪使用说明书》,主要介绍该产品的使用方法以及常见故障解决方案。
(共篇)
上一篇:
|
下一篇:
声明:
本网站引用、摘录或转载内容仅供网站访问者交流或参考,不代表本站立场,如存在版权或非法内容,请联系站长删除,联系邮箱:site.kefu@qq.com。
相关推荐
苏州一光RTS315L全站仪使用说明书:[6]
阅读量:183
苏州一光RTS315L全站仪使用说明书:[9]
阅读量:124
使用说明书封面怎么做
阅读量:45
使用说明书wf2651使用指南
阅读量:148
苏州一光RTS315L全站仪使用说明书:[8]
阅读量:140
猜你喜欢
薏仁的功效与作用
西黄丸的功效与作用
蛋白石的功效与作用
地球什么时候灭亡
黄瓜的功效与作用
现在学什么专业好
吃黑木耳有什么好处
三七的功效与作用
幼儿园什么时候放寒假
高中向量知识点总结
猜你喜欢
燕麦米的功效与作用
惠存什么意思
葱白水的功效与作用
龟板的功效与作用
金曜石的功效与作用
考警察需要什么条件
趣味运动会主题
一进门看见什么最好
什么是失业保险
党团知识竞赛题库