指南生活
首页
美食营养
手工爱好
生活家居
返回
指南生活
首页
美食营养
游戏数码
手工爱好
生活家居
健康养生
运动户外
职场理财
情感交际
母婴教育
时尚美容
知识问答
生活知识
搜索
安川CIMR-F7B4300变频器使用说明书:[16]
2025-12-27 17:09:19
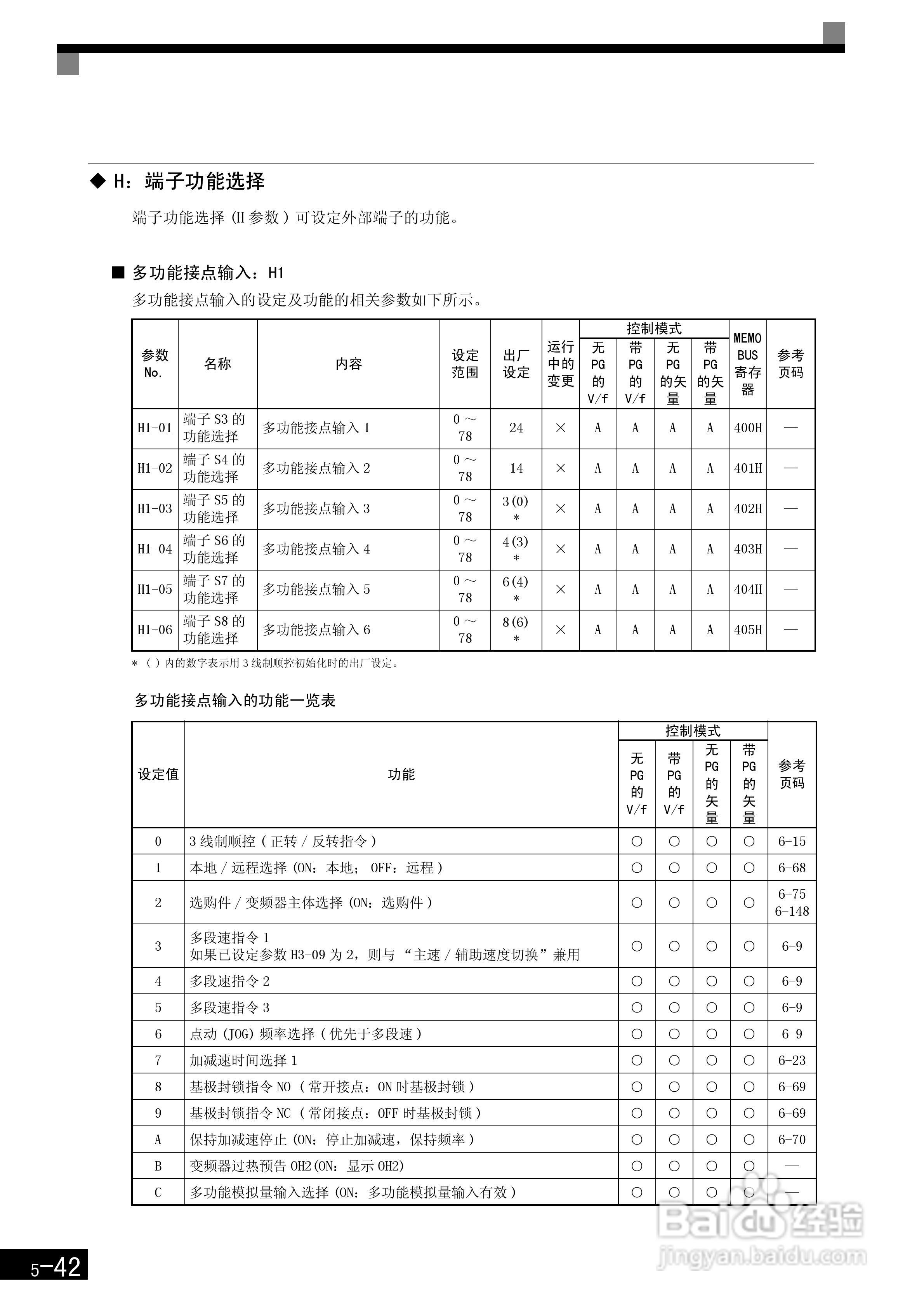
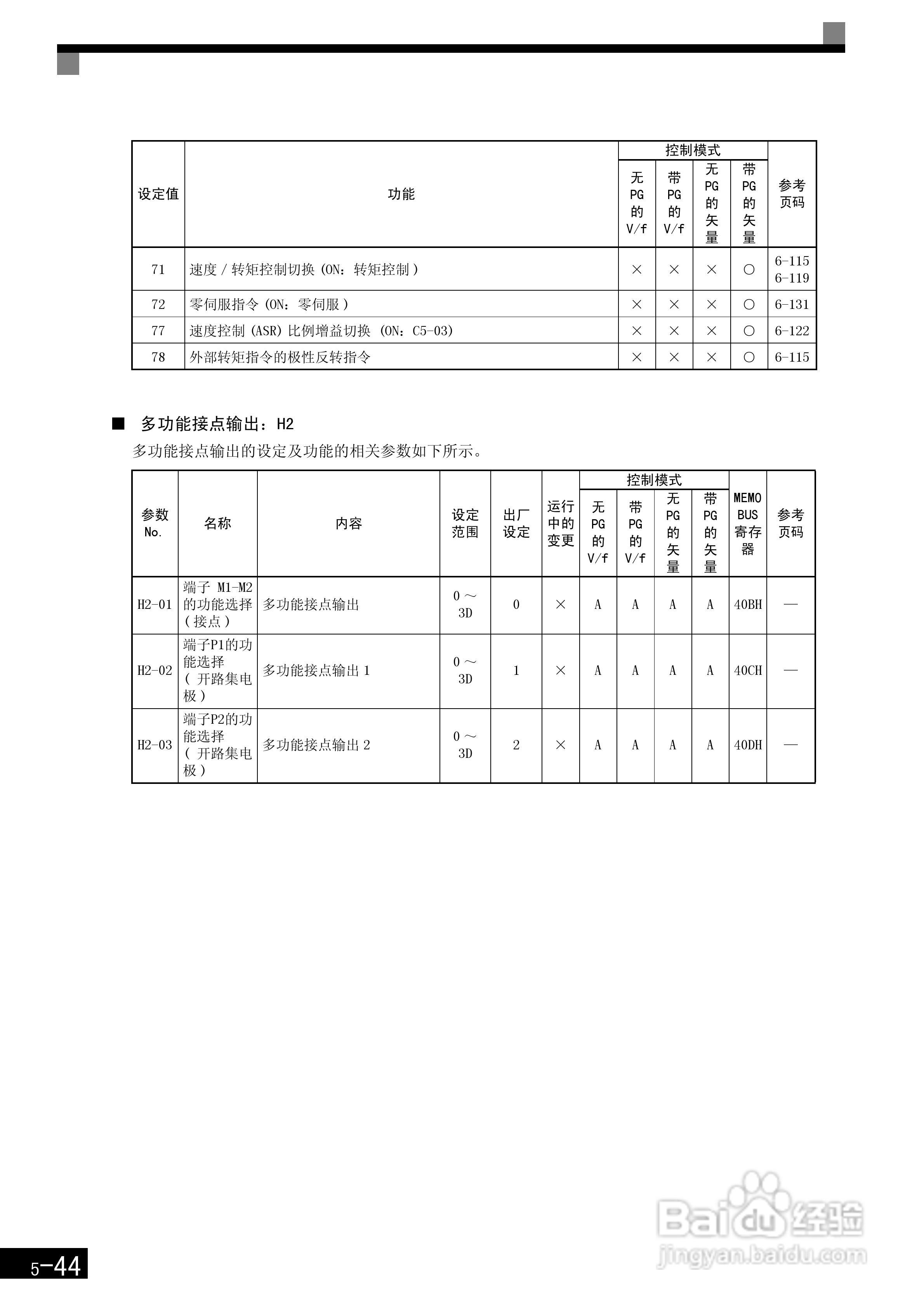
本篇为《安川CIMR-F7B4300变频器使用说明书》,主要介绍该产品的使用方法以及常见故障解决方案。
(共篇)
上一篇:
|
下一篇:
声明:
本网站引用、摘录或转载内容仅供网站访问者交流或参考,不代表本站立场,如存在版权或非法内容,请联系站长删除,联系邮箱:site.kefu@qq.com。
相关推荐
安川CIMR-F7B4300变频器使用说明书:[18]
阅读量:180
安川CIMR-F7B4300变频器使用说明书:[32]
阅读量:84
使用说明书wf2651使用指南
阅读量:124
使用说明书封面怎么做
阅读量:61
安川CIMR-F7B4300变频器使用说明书:[30]
阅读量:36
猜你喜欢
扬程是什么意思
生命是什么
education是什么意思
胎停有什么症状或征兆吗
linen是什么面料
奈斯是什么意思
lo娘什么意思
冷雨扑向我点点纷飞是什么歌
三责险是什么意思
log是什么意思
猜你喜欢
清一色什么意思
flash是什么意思
一什么鱼塘
榻榻米是什么
1983年属什么生肖
不可方物是什么意思
6月5日是世界什么日
褐色是什么颜色
1月23日是什么星座
什么是关联词