如何写单片机花样流水灯的课程设计
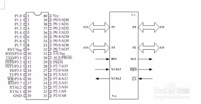
1、摘要,AT89C51单片机简介要写。这是课程设计的第一部分,要写他的主要特性、MCS-51单片机的内部结构、引脚等(图片为MCS-51单片机组成框图和
40引脚封装的80C51单片机的引脚排列及逻辑符号图)


2、外部总线构图和P3口也要写出来,要有具体的说明,这个也是很重要的,需要从网上找资料找图。(图片分别为MCS-51系列单片机片外三总线结构图和P3口每位的内部结构示意图)


3、你还要知道灯是如何亮,如何不亮的,1表示不亮,0则表示亮。

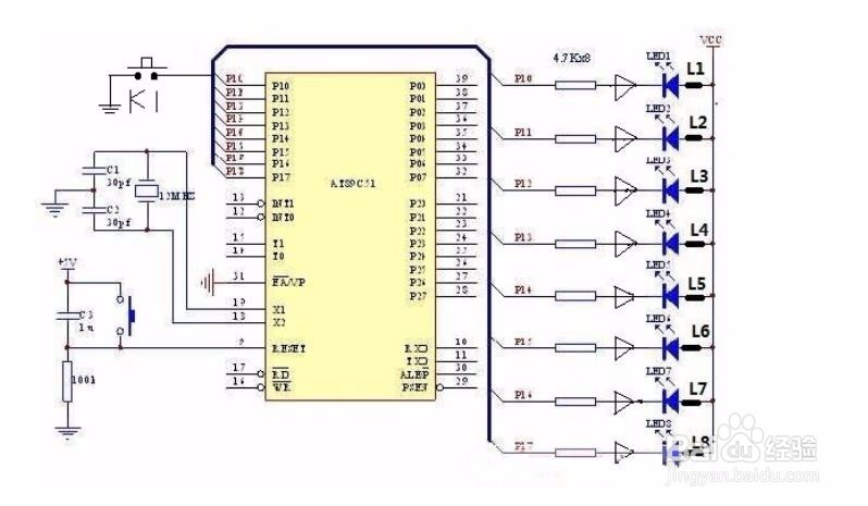
4、电路图,电路图都要的,根据实际要求来写的。

5、利用MCS51单片机实现花样流水灯制作的概述,这个书本上也有介绍的,当然网上也有很多,自己复制粘贴就好了。
6、流程图,流程图是对你整个设计的了解程度的判断,要有条理的思路,才能为下面的程序铺好路。(图片为该实验的流程图)

7、最为重要的那一步就是程序,你要把程序输入电脑上,连接好实验箱,编译成功后,实验箱的led灯才会亮,当灯亮的顺序和你设计目的一样的时候,说明你成功了(以下是程序图)




8、最后一步就是参考文献和新的体会了,按照自己的实际需要来写。

声明:本网站引用、摘录或转载内容仅供网站访问者交流或参考,不代表本站立场,如存在版权或非法内容,请联系站长删除,联系邮箱:site.kefu@qq.com。
阅读量:166
阅读量:177
阅读量:90
阅读量:174
阅读量:29