cad大样模型怎么打印
1、打开需要打印的CAD文件

2、点击左上角的图标,在下拉列表中找到“打印”,点击打印右侧的小三角,选择“页面设置”

3、在页面设置管理器中,选择“模型”,再点击右侧的修改

4、在页面设置中,打印样式选择monochrome.ctb,这样打印出来的图档就是黑白的,不然图中的彩色图层打印出来的显示效果就很差。


5、选择打印

6、用窗口选择打印区域,然后确定


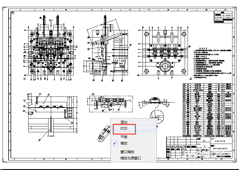
7、在点击左上角的图标,点击下拉框“打印”右侧小三角形,选择“打印预览”,确认预览效果后,在预览中右键,再选择打印,文档就打印出来了。


声明:本网站引用、摘录或转载内容仅供网站访问者交流或参考,不代表本站立场,如存在版权或非法内容,请联系站长删除,联系邮箱:site.kefu@qq.com。
阅读量:120
阅读量:68
阅读量:143
阅读量:148
阅读量:119