指南生活
首页
美食营养
手工爱好
生活家居
返回
指南生活
首页
美食营养
游戏数码
手工爱好
生活家居
健康养生
运动户外
职场理财
情感交际
母婴教育
时尚美容
知识问答
生活知识
生活百科
搜索
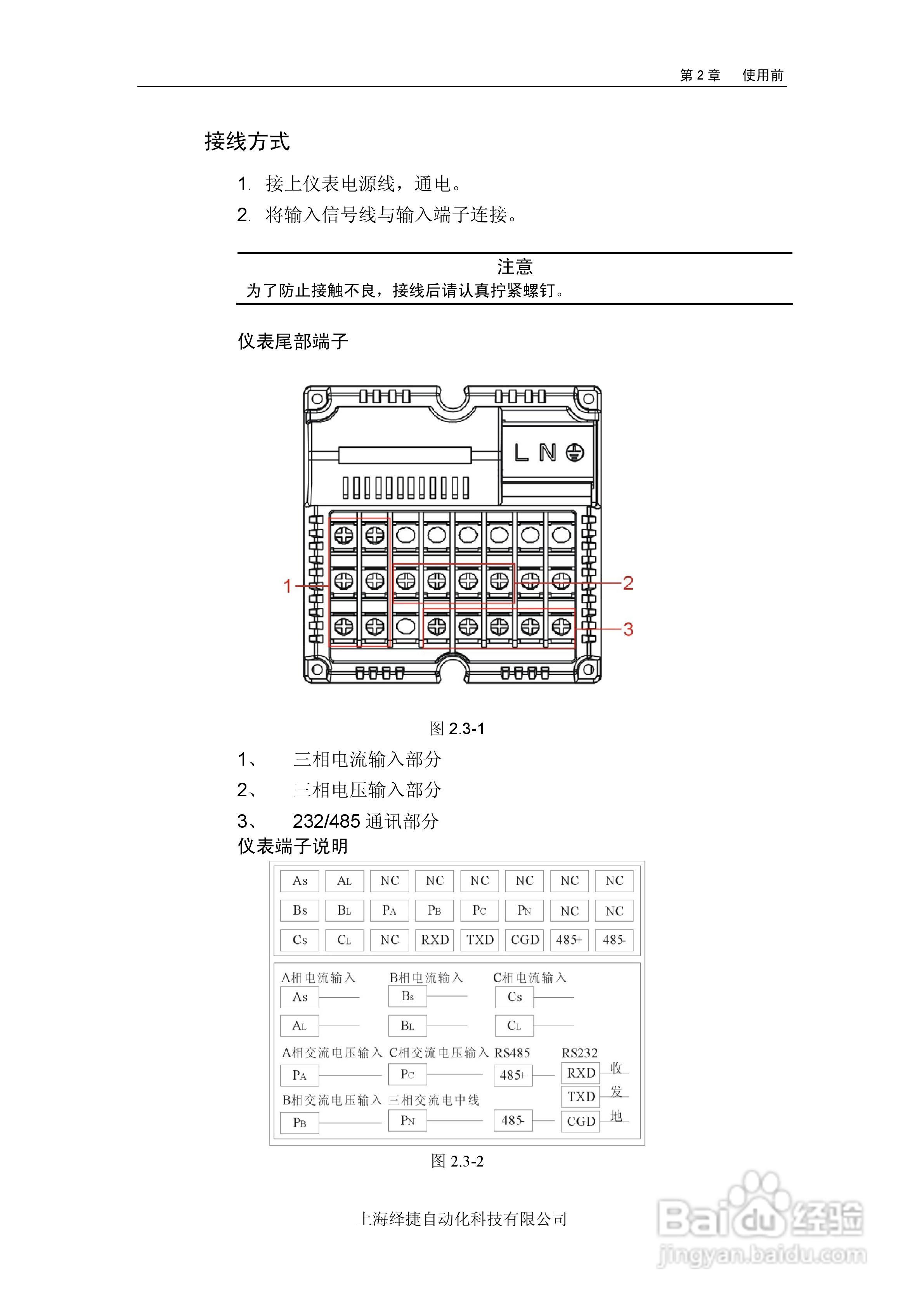
R5000电量记录仪使用说明书:[2]
2026-04-01 16:07:47
本篇为《R5000电量记录仪使用说明书》,主要介绍该产品的使用方法以及常见故障解决方案。
(共篇)
上一篇:
|
下一篇:
声明:
本网站引用、摘录或转载内容仅供网站访问者交流或参考,不代表本站立场,如存在版权或非法内容,请联系站长删除,联系邮箱:site.kefu@qq.com。
相关推荐
R5000电量记录仪使用说明书:[5]
阅读量:53
使用说明书封面怎么做
阅读量:167
便携式电量波形记录仪
阅读量:24
使用说明书wf2651使用指南
阅读量:93
行车记录仪怎么选择
阅读量:21
猜你喜欢
所见古诗的意思
什么言什么语成语
什么叫集成吊顶
idol什么意思
什么叫人事代理
甲醛的作用
poison什么意思
kg是什么意思
去台湾需要什么证件
绿树成荫的意思
猜你喜欢
注册资本是什么意思
emm表情是什么意思啊
藿香正气丸的作用
醋泡大蒜作用与功效
办健康证要检查什么
艾草熏房间有什么作用
手指上的月牙代表什么
鬼箭羽的功效与作用
什么英文名字好听
梦见抓鱼什么意思