指南生活
首页
美食营养
手工爱好
生活家居
返回
指南生活
首页
美食营养
游戏数码
手工爱好
生活家居
健康养生
运动户外
职场理财
情感交际
母婴教育
时尚美容
知识问答
生活知识
生活百科
搜索
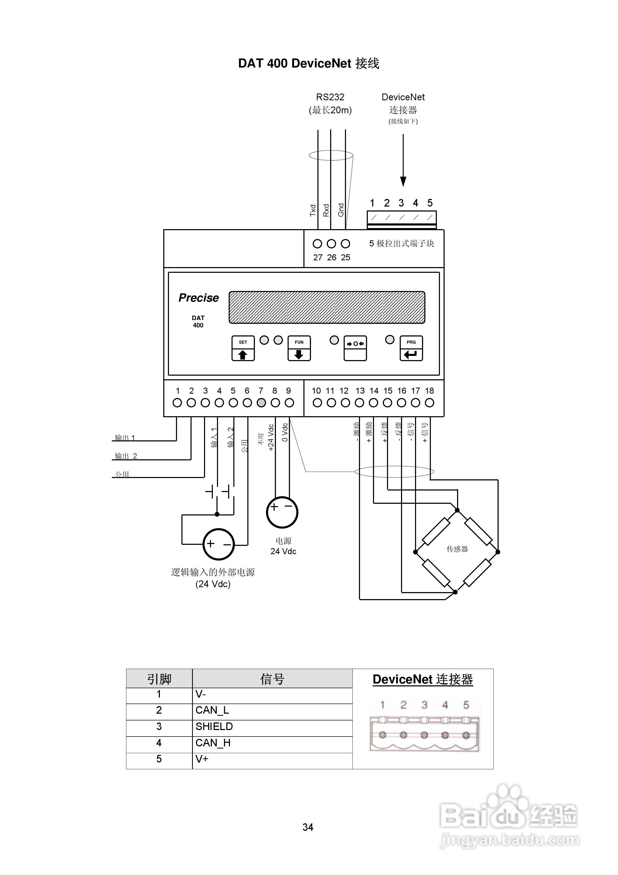
DAT400称重变送器说明书:[4]
2026-05-05 09:19:46
本篇为《DAT400称重变送器说明书》,主要介绍该产品的使用方法以及常见故障解决方案。
(共篇)
上一篇:
声明:
本网站引用、摘录或转载内容仅供网站访问者交流或参考,不代表本站立场,如存在版权或非法内容,请联系站长删除,联系邮箱:site.kefu@qq.com。
相关推荐
天天象棋新版本65关过关攻略
阅读量:34
ps如何快速画猫爪?
阅读量:147
天天象棋:楚汉争霸97关怎么过
阅读量:123
轩辕传说1.2正式版攻略
阅读量:181
天天象棋残局闯关楚汉争霸55关通关攻略
阅读量:22
猜你喜欢
昆明是什么城
什么颜色显白
什么是心理健康
羊蝎子是什么
单证员是做什么的
哈拉少什么意思
1985年属什么生肖
西安有什么好玩的地方或者景点
粉丝是什么意思
农历9月是什么星座
猜你喜欢
vga是什么意思
青鱼是什么鱼
基金净值是什么意思
四个火念什么
月份前面用什么介词
押韵是什么意思
school是什么意思英语
女性尿血是什么原因
每个月的14号分别是什么情人节
abs是什么