指南生活
首页
美食营养
手工爱好
生活家居
返回
指南生活
首页
美食营养
游戏数码
手工爱好
生活家居
健康养生
运动户外
职场理财
情感交际
母婴教育
时尚美容
知识问答
生活知识
搜索
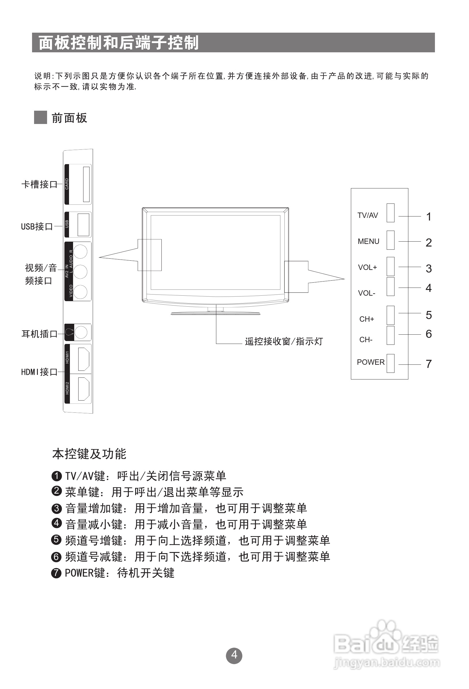
海尔LU46R1A液晶彩电使用说明书:[1]
2026-02-24 11:47:51
(共篇)
下一篇:
声明:
本网站引用、摘录或转载内容仅供网站访问者交流或参考,不代表本站立场,如存在版权或非法内容,请联系站长删除,联系邮箱:site.kefu@qq.com。
相关推荐
海尔电视怎么投屏
阅读量:193
海尔LU46R1A液晶彩电使用说明书:[5]
阅读量:176
海尔LU47K1液晶彩电使用说明书:[1]
阅读量:157
海尔LU52W1液晶彩电使用说明书:[1]
阅读量:153
海尔LU47W1液晶彩电使用说明书:[1]
阅读量:155
猜你喜欢
wii模拟器怎么用
丁家宜防晒霜怎么样
如何赚q币
向往的生活第四季免费
wey是什么车
婴儿几天不大便怎么办
男人如何保养
如何修复u盘
生活委员职责
dpi是什么意思
猜你喜欢
wapi是什么
如何打印pdf文件
高屋建瓴是什么意思
荔浦生活网
哈尔滨科学技术职业学院怎么样
男人如何减肥
消防工程师证报考条件是什么
短线如何选股
电脑音响没声音怎么办
生活与命运