指南生活
首页
美食营养
手工爱好
生活家居
返回
指南生活
首页
美食营养
游戏数码
手工爱好
生活家居
健康养生
运动户外
职场理财
情感交际
母婴教育
时尚美容
知识问答
生活知识
搜索
英杰KTY3-3000三相晶闸管交流调压器用户手册:[2]
2026-02-24 16:36:37
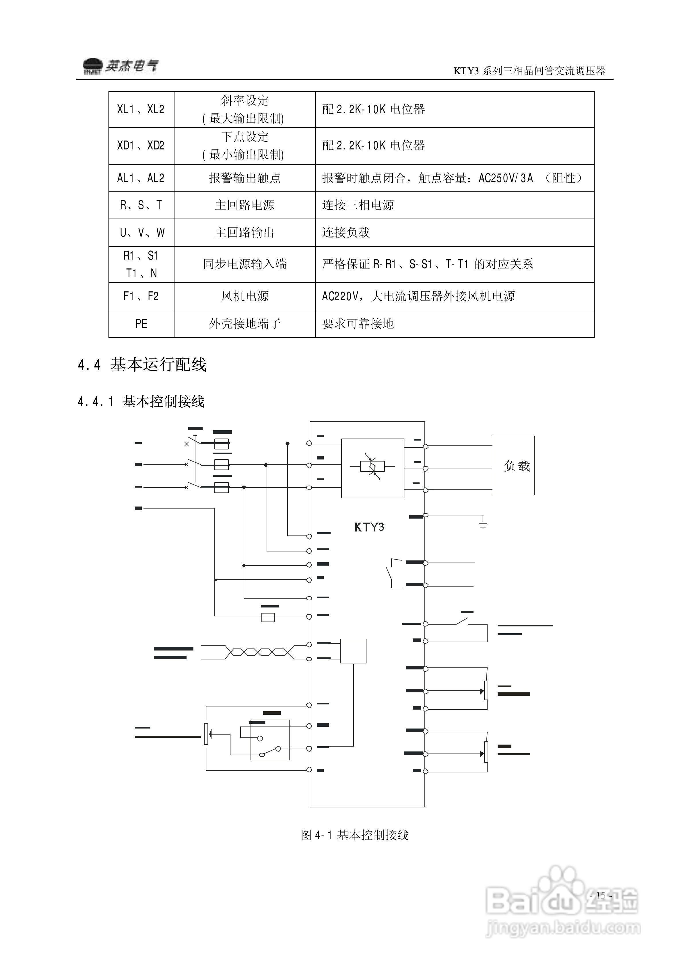
本篇为《英杰KTY3-3000三相晶闸管交流调压器用户手册》,主要介绍该产品的使用方法以及常见故障解决方案。
(共篇)
上一篇:
|
下一篇:
声明:
本网站引用、摘录或转载内容仅供网站访问者交流或参考,不代表本站立场,如存在版权或非法内容,请联系站长删除,联系邮箱:site.kefu@qq.com。
相关推荐
GX Works2如何开启QD75/LD75定位功能模块
阅读量:163
编写单片机应用程序的步骤
阅读量:160
博途中如何设置HMI连接属性
阅读量:168
博途TIA软件把CPU程序导出文本格式方法
阅读量:53
TIA博图软件怎进行PID调试
阅读量:186
猜你喜欢
facebook怎么注册
肚子痛是怎么回事
亲爱的你怎么不在我身边
微信背景怎么变成黑色了
是怎么读
拥趸怎么读
日记怎么写三年级
实习证明怎么开
荣事达洗衣机怎么样
口字旁的当怎么没有了
猜你喜欢
完税证明怎么开
婴儿湿疹怎么治
怎么做贺卡
考试紧张怎么办
退税怎么算
有机菜花怎么做好吃
腰间盘突出怎么办
网关怎么设置
中国地质大学怎么样
鱼钩怎么绑图解