指南生活
首页
美食营养
手工爱好
生活家居
返回
指南生活
首页
美食营养
游戏数码
手工爱好
生活家居
健康养生
运动户外
职场理财
情感交际
母婴教育
时尚美容
知识问答
生活知识
搜索
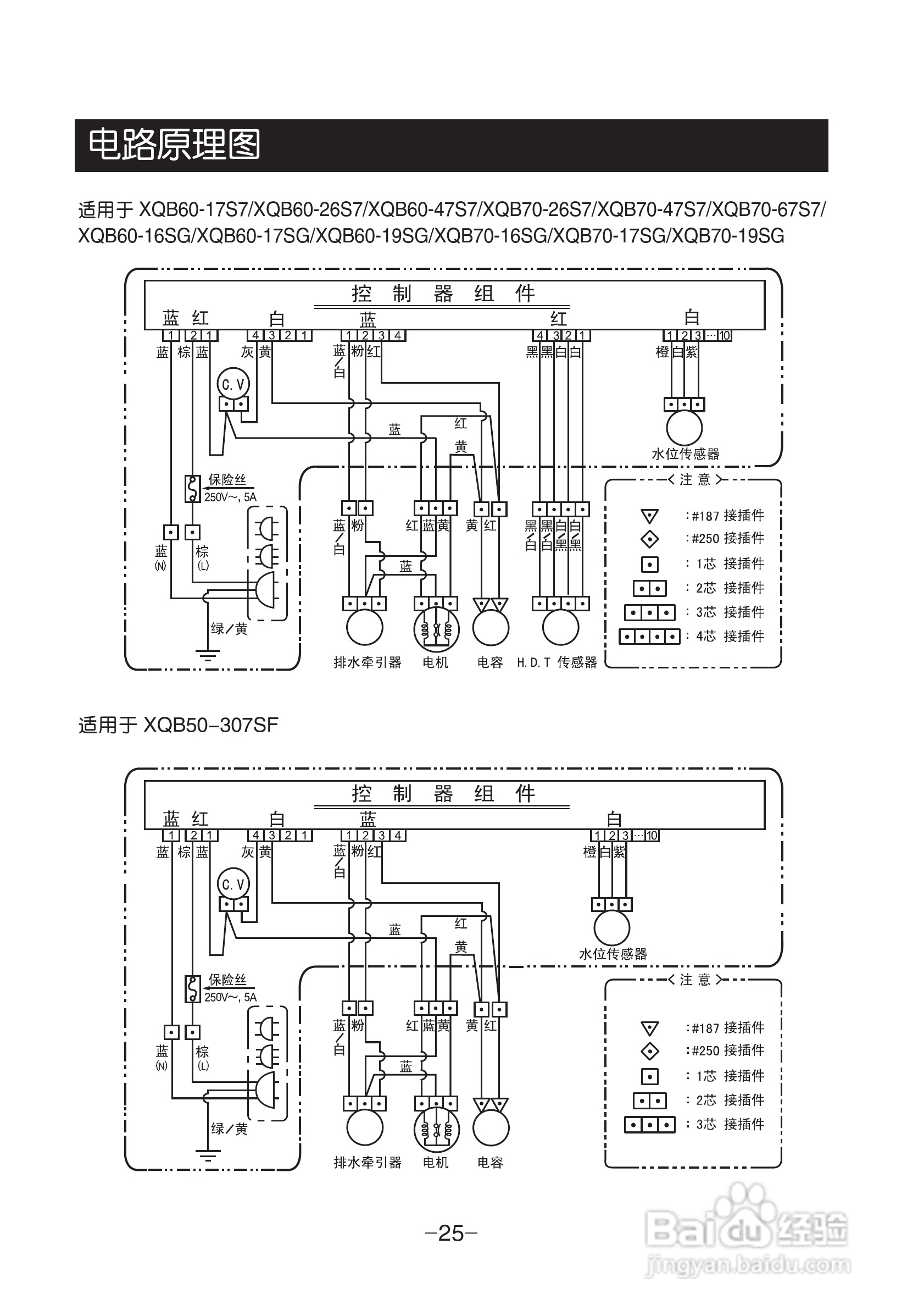
LG XQB70-26S7洗衣机使用说明书:[3]
2025-12-05 22:01:49
(共篇)
上一篇:
声明:
本网站引用、摘录或转载内容仅供网站访问者交流或参考,不代表本站立场,如存在版权或非法内容,请联系站长删除,联系邮箱:site.kefu@qq.com。
相关推荐
LG XQB60-26S7洗衣机使用说明书:[3]
阅读量:39
LG XQB70-26S7洗衣机使用说明书:[1]
阅读量:193
LG XQB60-26S7洗衣机使用说明书:[1]
阅读量:96
LG XQB70-47S7洗衣机使用说明书:[1]
阅读量:176
洗衣机桶自洁功能怎么用
阅读量:43
猜你喜欢
学什么技术
维生素p
安之若素什么意思
绿茶有什么功效
红颜祸水是什么意思
今天开什么码
鳜鱼养殖
国防大学出来什么军衔
钱串子的养殖方法
十三点是什么意思
猜你喜欢
送女班主任什么礼物好
鸦雀无声是什么意思
什么叫有机肥
约是什么意思
thank you是什么意思
captain是什么意思
天体运动
icp是什么意思
三反运动
糖化血红蛋白是什么