指南生活
首页
美食营养
手工爱好
生活家居
返回
指南生活
首页
美食营养
游戏数码
手工爱好
生活家居
健康养生
运动户外
职场理财
情感交际
母婴教育
时尚美容
知识问答
生活知识
搜索
欧瑞传动E3000-0900T3变频器使用说明书:[5]
2026-02-19 07:13:00
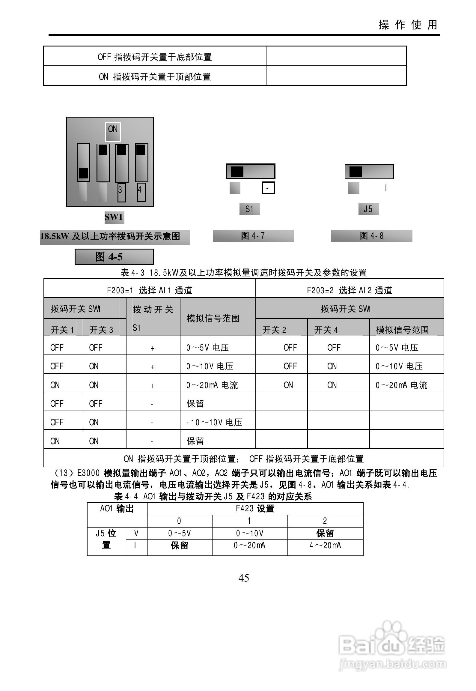
本篇为《欧瑞传动E3000-0900T3变频器使用说明书》,主要介绍该产品的使用方法以及常见故障解决方案。
(共篇)
上一篇:
|
下一篇:
声明:
本网站引用、摘录或转载内容仅供网站访问者交流或参考,不代表本站立场,如存在版权或非法内容,请联系站长删除,联系邮箱:site.kefu@qq.com。
相关推荐
欧瑞传动E3000-0900T3变频器使用说明书:[15]
阅读量:158
欧瑞传动XS1000-0300T3变频器使用说明书:[5]
阅读量:48
使用说明书封面怎么做
阅读量:94
使用说明书wf2651使用指南
阅读量:155
欧瑞传动E3000-0900T3变频器使用说明书:[8]
阅读量:46
猜你喜欢
红烧猪脚的做法
月经不来怎么调理
怎么样做ppt
公积金账户怎么查询
智能水表怎么偷水
卡通农场攻略
跳绳减肥
如何减肥最快
成都攻略
梦幻西游凌波城怎么样
猜你喜欢
21天减肥法成功案例
云南旅游攻略自由行路线推荐
裤子粘毛怎么办
胖人如何快速减肥
浙江安吉旅游攻略
口袋妖怪复刻攻略
魔兽世界攻略
晚上不吃饭减肥
大明宫攻略
梦幻西游手游普陀攻略