指南生活
首页
美食营养
手工爱好
生活家居
返回
指南生活
首页
美食营养
游戏数码
手工爱好
生活家居
健康养生
运动户外
职场理财
情感交际
母婴教育
时尚美容
知识问答
生活知识
生活百科
搜索
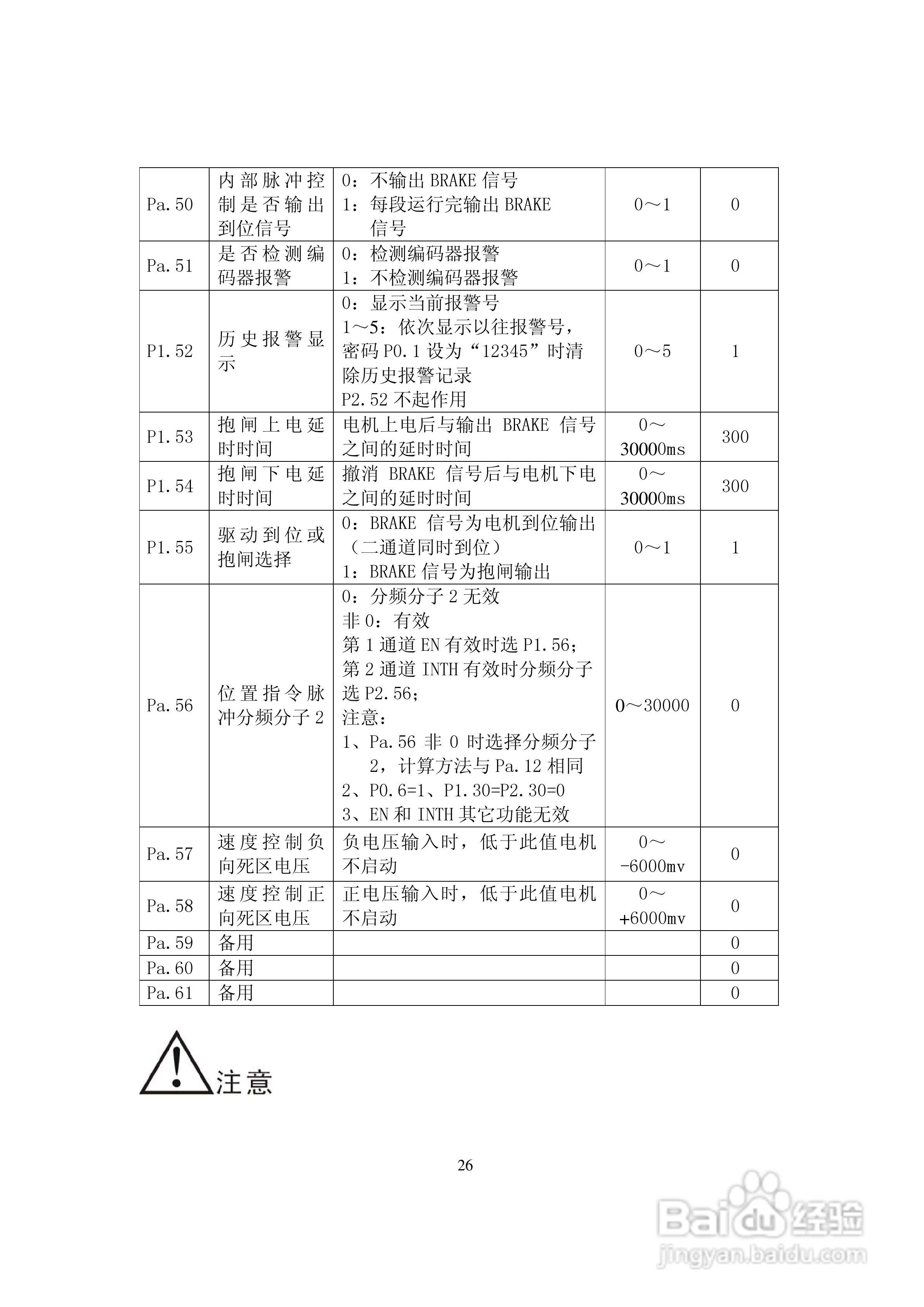
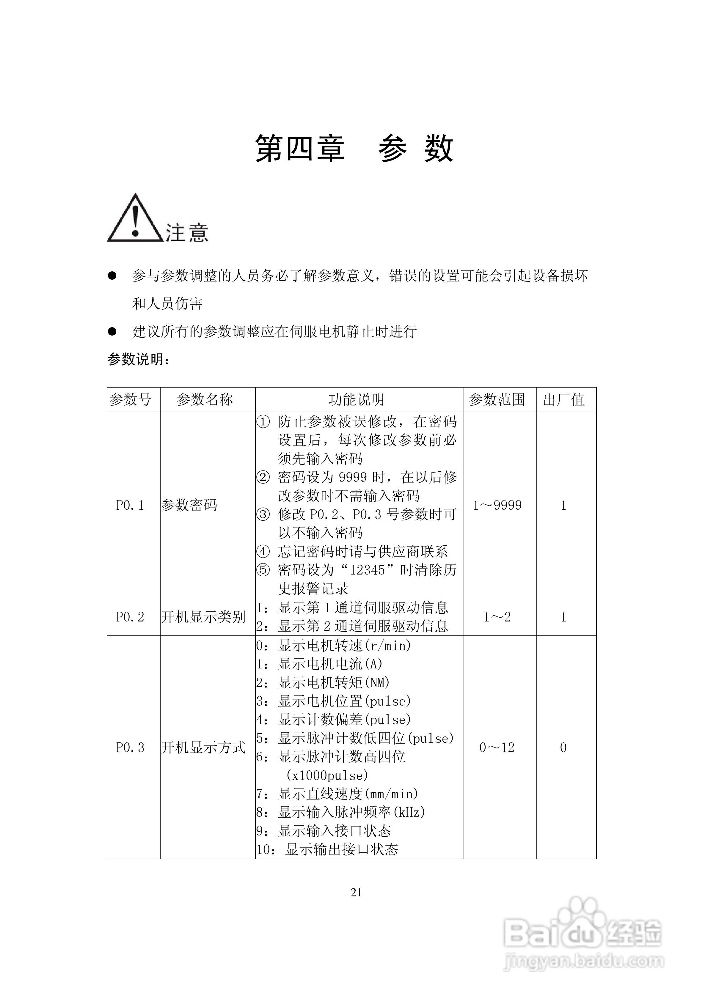
DS202/DS302系列全数字式双通道交流伺服驱动器用户手:[3]
2026-03-29 06:29:40
本篇为《DS202/DS302系列全数字式双通道交流伺服驱动器用户手》,主要介绍该产品的使用方法以及常见故障解决方案。
(共篇)
上一篇:
|
下一篇:
声明:
本网站引用、摘录或转载内容仅供网站访问者交流或参考,不代表本站立场,如存在版权或非法内容,请联系站长删除,联系邮箱:site.kefu@qq.com。
相关推荐
DS202/DS302系列全数字式双通道交流伺服驱动器用户手:[2]
阅读量:34
DS202/DS302系列全数字式双通道交流伺服驱动器用户手:[4]
阅读量:55
伺服驱动器速度怎么计算
阅读量:131
伺服驱动器的七个常见故障及其检修
阅读量:171
双通道有什么好处
阅读量:44
猜你喜欢
normal什么意思
shy是什么意思
爱情是什么意思
pdi是什么意思
不以为然是什么意思
2010年是什么命
基膜是什么
honey是什么意思中文
1976年是什么命
啪啪啪什么意思
猜你喜欢
白莲花什么意思
fred是什么意思
匪夷所思是什么意思
棉涤是什么面料
guess是什么意思
蜂蜜有什么好处
无可厚非是什么意思
89年属什么生肖
精子是什么颜色
再接再厉是什么意思