指南生活
首页
美食营养
手工爱好
生活家居
返回
指南生活
首页
美食营养
游戏数码
手工爱好
生活家居
健康养生
运动户外
职场理财
情感交际
母婴教育
时尚美容
知识问答
生活知识
生活百科
搜索
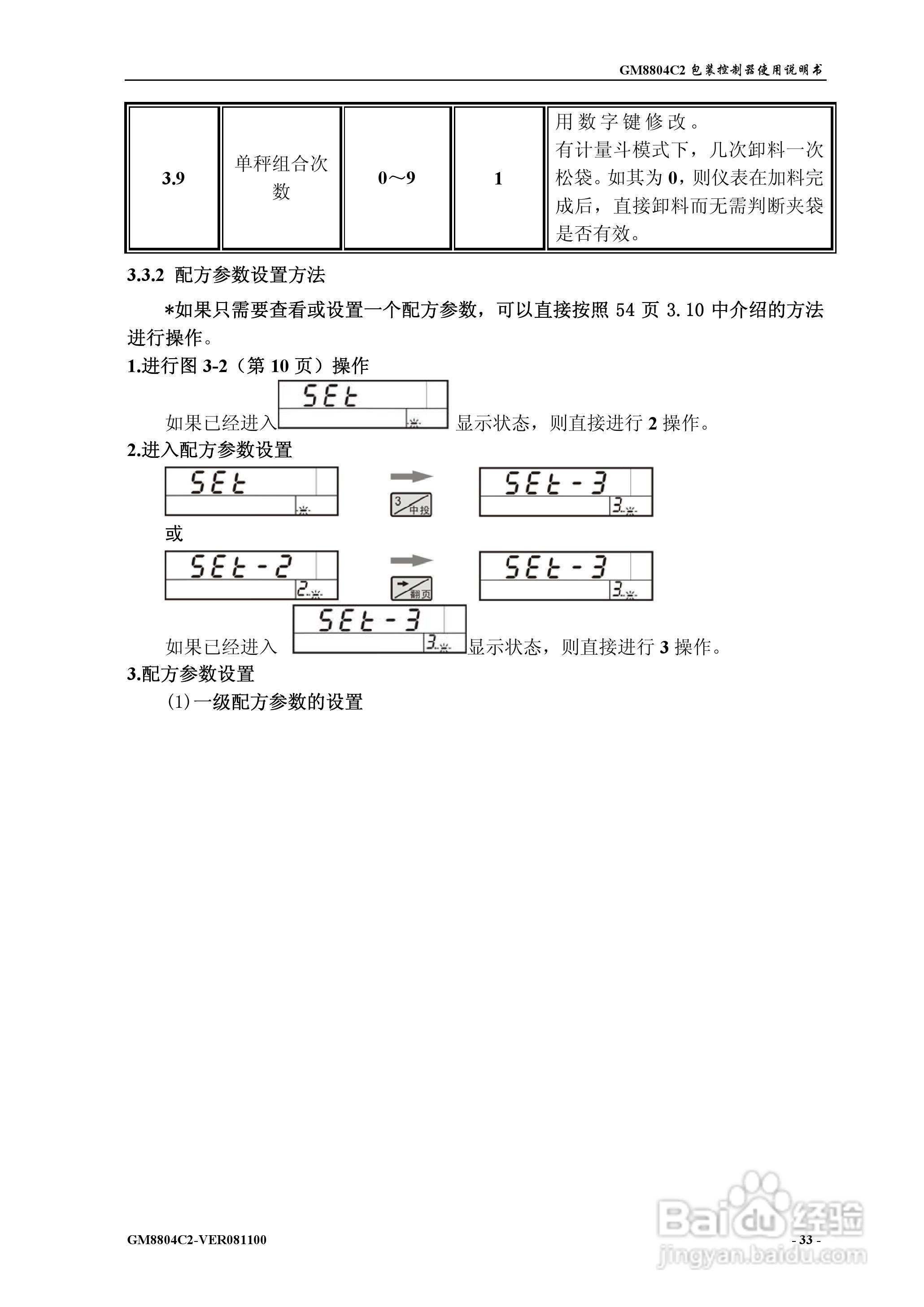
杰曼GM8804C2包装控制器使用说明书:[4]
2026-04-18 07:44:31
本篇为《杰曼GM8804C2包装控制器使用说明书》,主要介绍该产品的使用方法以及常见故障解决方案。
(共篇)
上一篇:
|
下一篇:
声明:
本网站引用、摘录或转载内容仅供网站访问者交流或参考,不代表本站立场,如存在版权或非法内容,请联系站长删除,联系邮箱:site.kefu@qq.com。
相关推荐
吃什么食物能减肥?
阅读量:150
小香猪的挑选技巧?
阅读量:54
如何做椒盐八宝饭
阅读量:99
君凤煌app怎样清除缓存
阅读量:155
处暑易患什么疾病?
阅读量:45
猜你喜欢
鼻毛变白是什么原因
杜甫是什么朝代的
避孕套有什么用
妖机是什么意思
一次什么的尝试作文
运动衣
什么是夫妻相
汽车电瓶什么牌子好
九里香的养殖方法
什么是创业板
猜你喜欢
石蛙养殖技术
demon是什么意思
油性皮肤用什么洗面奶
大便很臭是什么原因
电脑闪屏是什么原因
qt是什么
菊花象征什么
b级车是什么意思
气溶胶是什么
smooth是什么意思