指南生活
首页
美食营养
手工爱好
生活家居
返回
指南生活
首页
美食营养
游戏数码
手工爱好
生活家居
健康养生
运动户外
职场理财
情感交际
母婴教育
时尚美容
知识问答
生活知识
生活百科
搜索
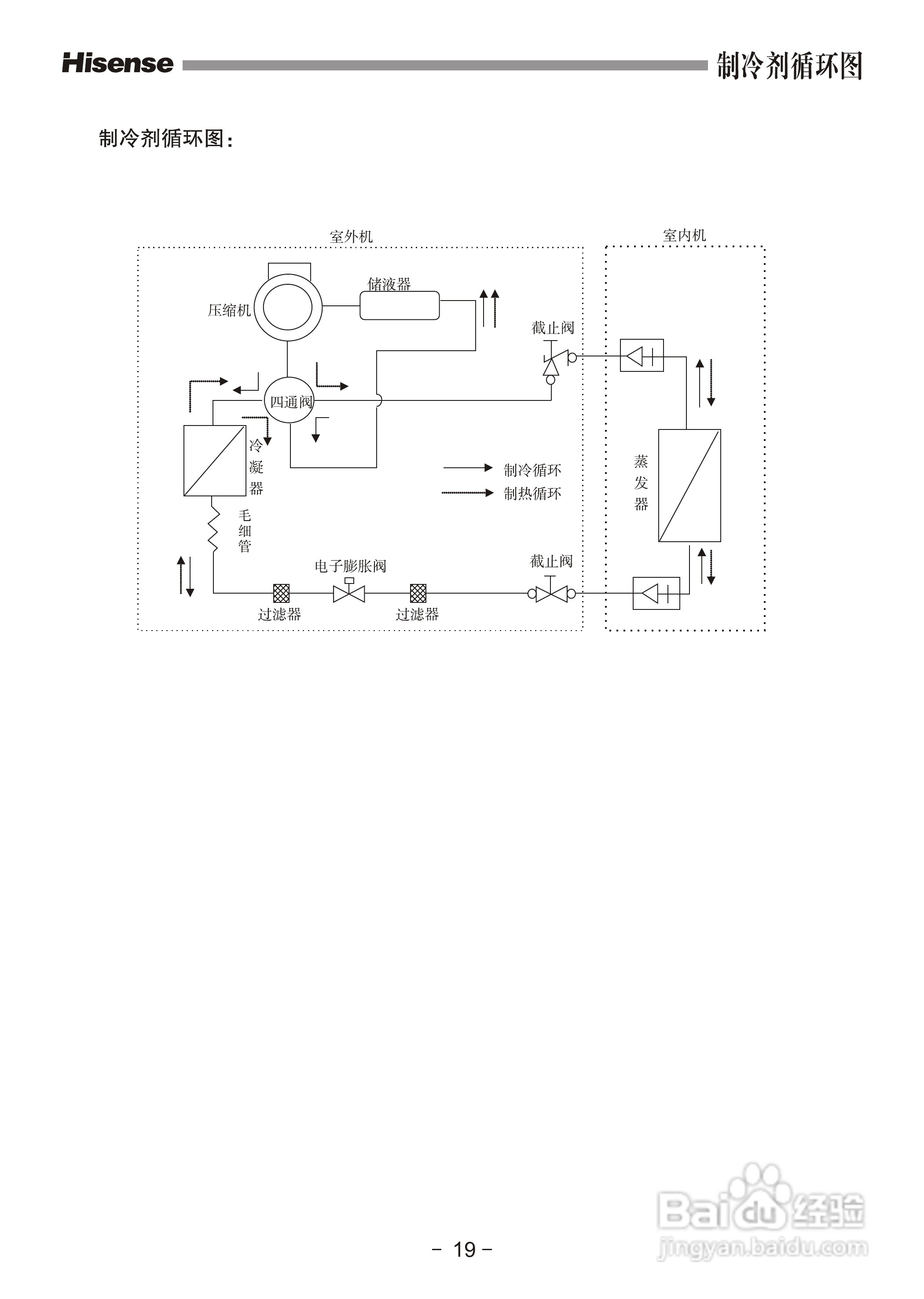
海信KFR-72LW/09FZBpH-2空调使用说明书:[3]
2026-03-27 22:54:46
(共篇)
上一篇:
声明:
本网站引用、摘录或转载内容仅供网站访问者交流或参考,不代表本站立场,如存在版权或非法内容,请联系站长删除,联系邮箱:site.kefu@qq.com。
相关推荐
海信KFR-72LW/09FZBpH-2空调使用说明书:[2]
阅读量:38
海信KFR-72LW/08FZBpH-3空调使用说明书:[2]
阅读量:190
海信KFR-72LW/19FZBpH-2空调使用说明书:[3]
阅读量:193
海信KFR-72LW/19FZBpH-2空调使用说明书:[1]
阅读量:124
海信KFR-35GW/18FZBpH-3空调使用说明书:[2]
阅读量:101
猜你喜欢
工程监理证怎么考
茶叶的保存方法
素馅饺子馅做法大全
广场舞视频大全2020年最火广场舞
怎样做虾好吃
怎样做鲅鱼好吃
怎么煮咖啡
定性研究方法
网上最靠谱的赚钱方法
优秀作文大全
猜你喜欢
治疗疱疹的最好方法
肉丸子汤的家常做法
欠钱不还怎么办最有效的方法
颈椎病治疗方法
老是干咳怎么办
5万元怎么理财
中医治疗的方法有哪些
干贝的家常做法
江苏科技大学怎么样
瘊子的最佳治疗方法