指南生活
首页
美食营养
手工爱好
生活家居
返回
指南生活
首页
美食营养
游戏数码
手工爱好
生活家居
健康养生
运动户外
职场理财
情感交际
母婴教育
时尚美容
知识问答
生活知识
生活百科
搜索
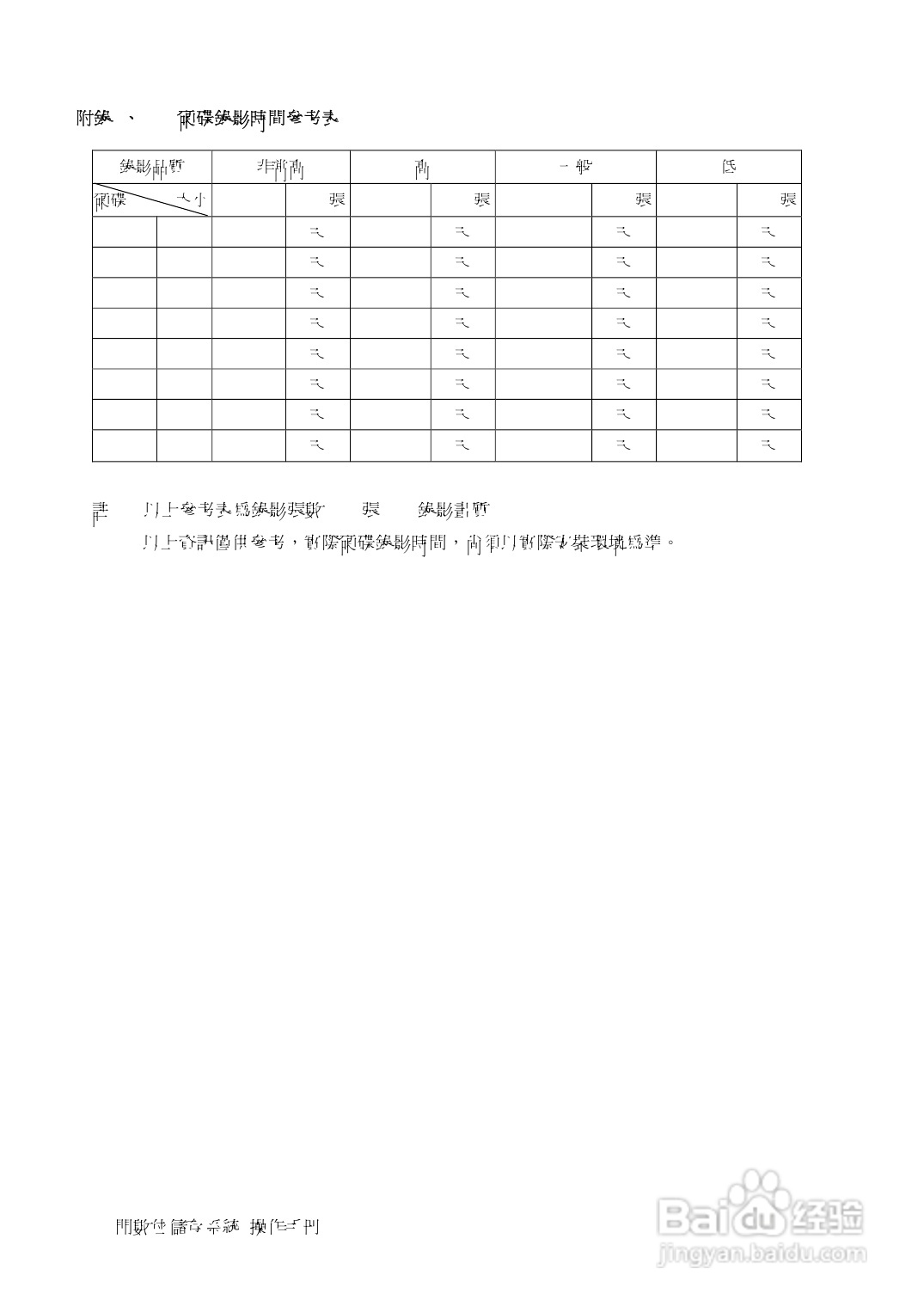
声宝DR-S0839/1639型数位监控录放影机说明书:[4]
2026-05-07 11:27:14
(共篇)
上一篇:
声明:
本网站引用、摘录或转载内容仅供网站访问者交流或参考,不代表本站立场,如存在版权或非法内容,请联系站长删除,联系邮箱:site.kefu@qq.com。
相关推荐
声宝DR-S0839/1639型数位监控录放影机说明书:[3]
阅读量:20
声宝DR-S0839/1639型数位监控录放影机说明书:[1]
阅读量:30
声宝DR-S0455型数位录放影机说明书:[3]
阅读量:25
声宝DR-S0837/1637型数位监控录放影机说明书:[4]
阅读量:101
声宝DR-S0930/S1622型数位录放影机说明书:[3]
阅读量:141
猜你喜欢
兵荒马乱是什么意思
zoom是什么意思
vpn是什么意思
互联网是什么意思
债权人是什么意思
鹤顶红是什么
爻是什么意思
川普是什么意思
南瓜不能和什么一起吃
三个马读什么
猜你喜欢
bill是什么意思
large是什么意思
蹒跚是什么意思
hm是什么单位
淦是什么意思梗出处
woc是什么意思
猴子的尾巴有什么作用
1966年属什么
什么的滋味
gmc是什么车