DDY-H高压开关操作电源使用说明书
第一章:概述
DDY-H高压开关操作电源,是为对高压断路器及其操作机构进行检测维修而设计的专用电源,具有电压可调、操作简单、体积小、携带方便等优点,是高压开关检修不可缺少的检测工具。
第二章:技术指标
1.工作条件:
电源:220V±10%
温度:-10℃~+45℃
湿度:<80%
2.输出:
电压:DC15V~220V
电源:0~10A
第三章:使用方法
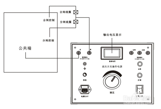
1. 测试高压开关分(合)闸起动电压的接线方式见图(1)
2. 测试高压开关最低合闸电压:
机壳接地、接通电源后,把电压调到最小,按住合闸按钮,旋动调压旋钮,使电压慢慢上升,当高压开关合上闸时,电压表指示的电压值就是最低合闸电压。
3. 测试高压开关最低分闸电压:
按住分闸按钮,其它操作步骤与测试最低合闸电压相同,当开关分开时,电压表指示的电压即为最低分闸电压。
4. 作高压开关测试仪输出电源时,接线方法如图(2)机壳接地后,接通电源调到设定电压值即可。
第四章:注意事项
1. 机壳可靠接地。
2. 使用本电源时,原有的分、合闸电源必须断开。
3. 严禁电源短路。


第五章:操作电源的步骤
接线:请按说明书图1将线连接。
1.合闸:目的是检测“合闸”继电器在额定电压的70%(厂家提供参数)例:DC 220V 70%=154V时应可靠合闸。调节电压至154V时,按操作电源的“合闸”按钮此时开关应可靠合闸。
2.分闸:目的是检测分闸继电器在额定电压的30% 例:DC 220V 30%=66V时,按操作电源的“分闸”按钮此时高压开关应不动作。当DC 220V 65%=143V时高压开关应可靠分闸。
3.弹簧操动机构:目的检测弹簧操作机构继电器在额定电压的70%(厂家提供参数)例:DC 220V 70%=154V调节电压至154V,如连线为操作电源“合闸”引线,请按“合闸”按钮,此时应听到开关内弹簧操作机构继电器合闸声。
第六章:高压开关操作步骤
接线:请按说明书图2将线连接。
1. 合闸:操作高压开关测试仪到“运行”时间预置。将操作电源电压调至需要值,操作高压开关测试仪,高压开关合闸。关闭操作电源。
2. 分闸:操作高压开关测试仪到“运行”时间预置。将操作电源电压调至需要值,操作高压开关测试仪,高压开关分闸。关闭操作电源。