指南生活
首页
美食营养
手工爱好
生活家居
返回
指南生活
首页
美食营养
游戏数码
手工爱好
生活家居
健康养生
运动户外
职场理财
情感交际
母婴教育
时尚美容
知识问答
生活知识
生活百科
搜索
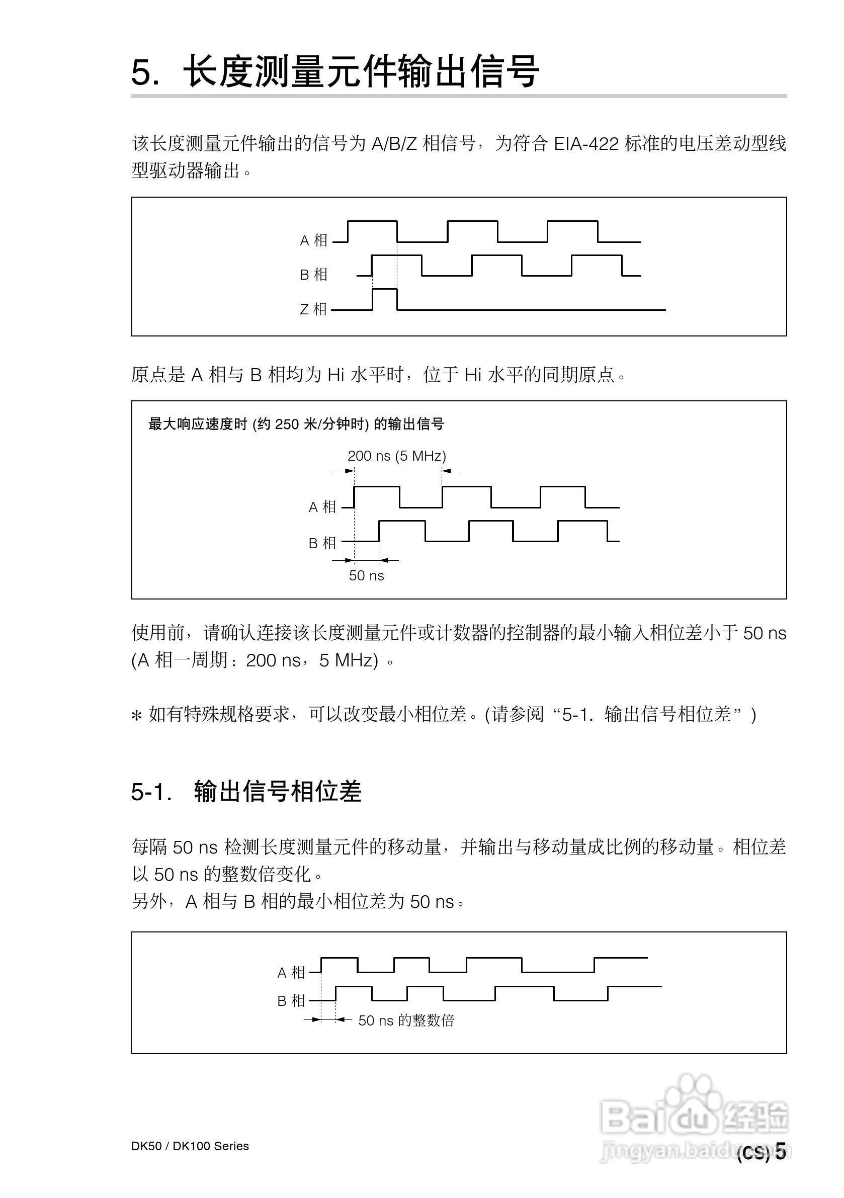
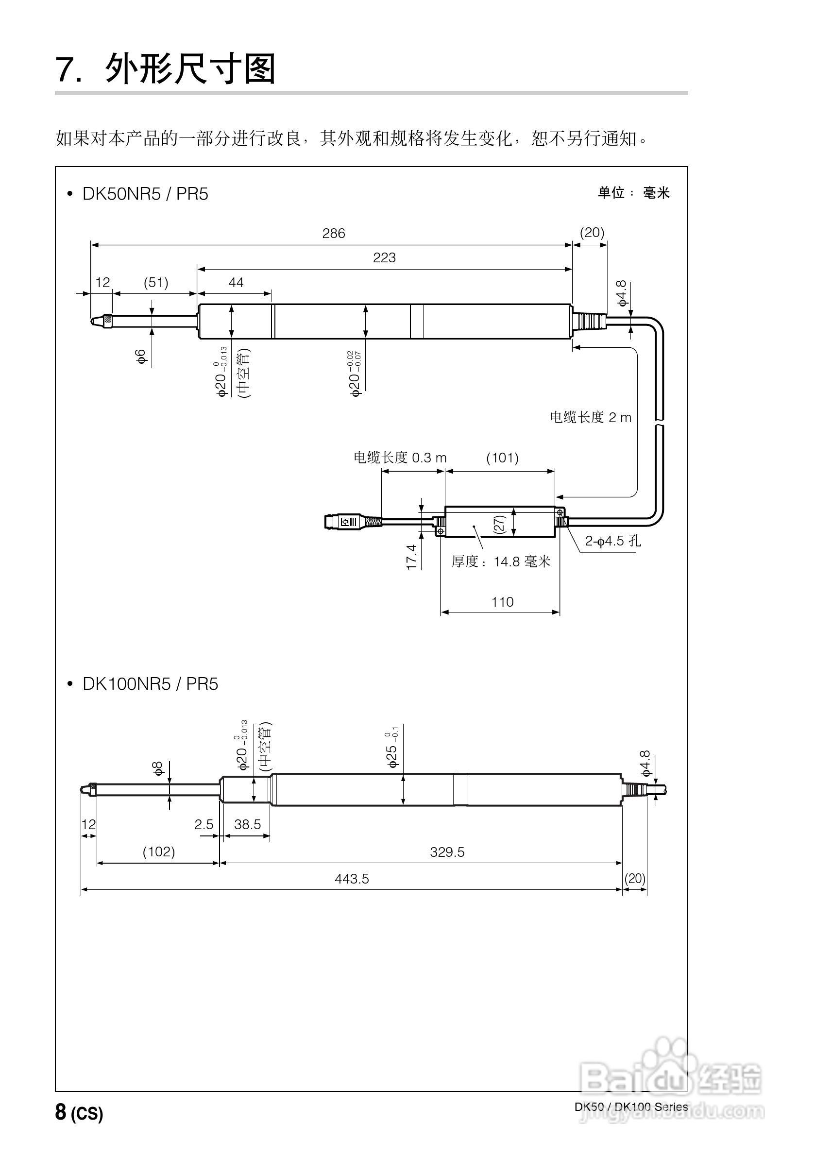
SONY DK50/DK100数字测量器说明书:[3]
2026-04-11 16:16:14
本篇为《SONY DK50/DK100数字测量器说明书》,主要介绍该产品的使用方法以及常见故障解决方案。
(共篇)
上一篇:
|
下一篇:
声明:
本网站引用、摘录或转载内容仅供网站访问者交流或参考,不代表本站立场,如存在版权或非法内容,请联系站长删除,联系邮箱:site.kefu@qq.com。
相关推荐
SONY DK50/DK100数字测量器说明书:[6]
阅读量:44
SONY DK50/DK100数字测量器说明书:[4]
阅读量:96
sony笔记本电脑无线网卡开关修理教程
阅读量:133
SONY DK50/DK100数字测量器说明书:[7]
阅读量:119
SONY DK50/DK100数字测量器说明书:[5]
阅读量:45
猜你喜欢
打k是什么意思
gap什么意思
什么是最大公约数
小太妹是什么意思
百无聊赖什么意思
男生剪什么发型好看
cruise是什么意思
运动手环有什么用
糖粉可以用什么代替
已妥投是什么意思
猜你喜欢
mpi是什么意思
基友什么意思
产妇能吃什么水果
什么牌子的空调好
你的眼怎会看见我心碎是什么歌
膝盖痛是什么原因
骨髓瘤是什么病
34岁属什么
左右逢源是什么意思
l是什么码