指南生活
首页
美食营养
手工爱好
生活家居
返回
指南生活
首页
美食营养
游戏数码
手工爱好
生活家居
健康养生
运动户外
职场理财
情感交际
母婴教育
时尚美容
知识问答
生活知识
生活百科
搜索
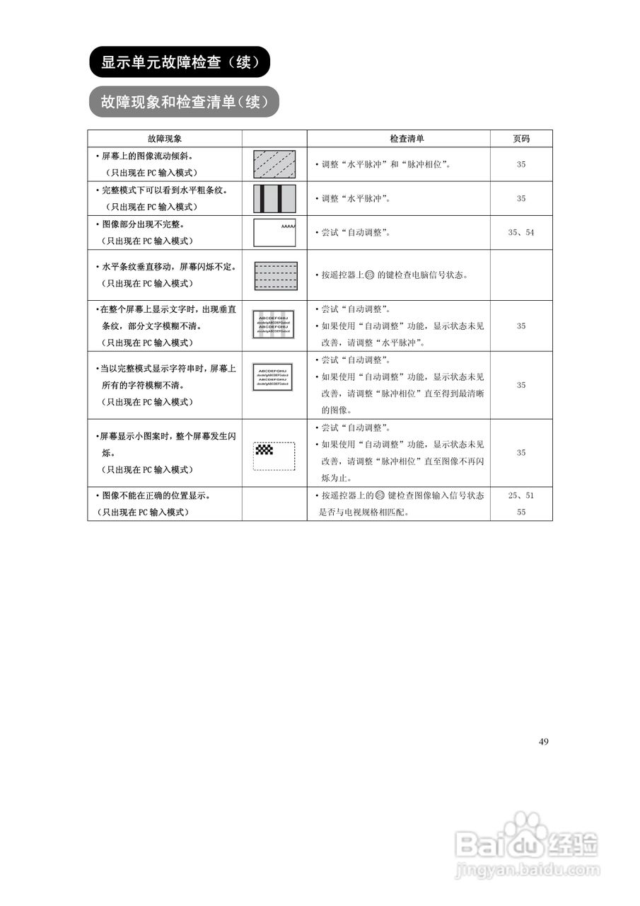
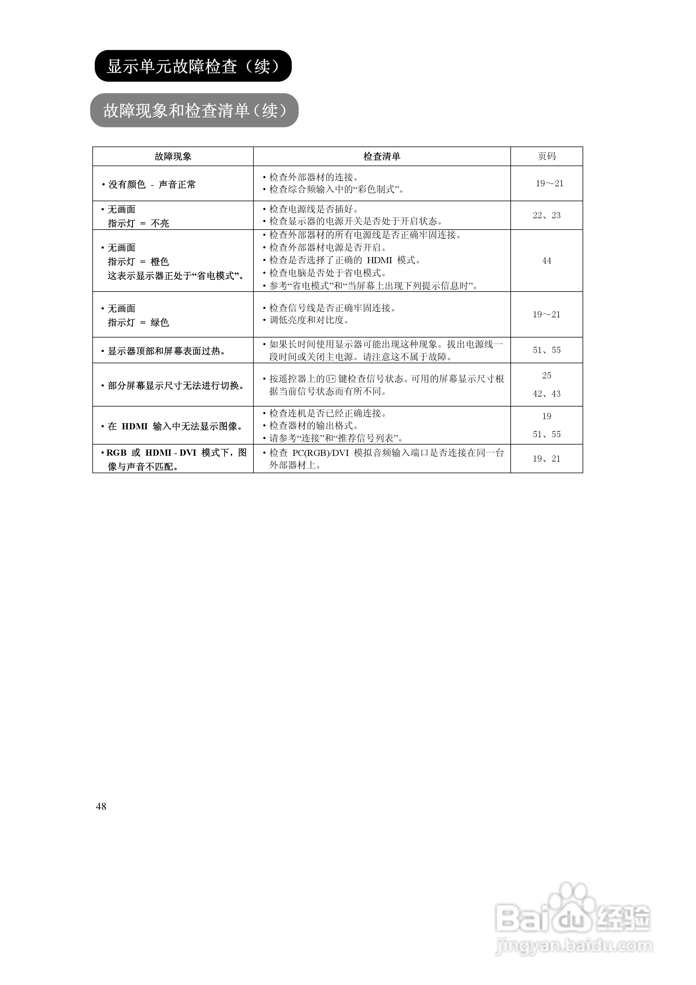
日立UT08系列液晶彩电使用说明书:[5]
2026-05-03 17:13:52
(共篇)
上一篇:
|
下一篇:
声明:
本网站引用、摘录或转载内容仅供网站访问者交流或参考,不代表本站立场,如存在版权或非法内容,请联系站长删除,联系邮箱:site.kefu@qq.com。
相关推荐
日立UT08系列液晶彩电使用说明书:[6]
阅读量:25
使用说明书封面怎么做
阅读量:88
使用说明书wf2651使用指南
阅读量:150
日立UT18系列液晶彩显使用说明书:[3]
阅读量:176
日立UT08系列液晶彩电使用说明书:[4]
阅读量:53
猜你喜欢
退役宫女的居家生活
如何激活win10
jsp怎么打开
min是什么意思
如何才能长高
如何投资股票
如何下载youtube视频
up主是什么意思
怎么加氟利昂
国字脸如何瘦脸
猜你喜欢
异世农家生活
小额贷款利息怎么算
梦见下雪是什么意思
生活缴费
家长如何与老师沟通
炒猪肝怎么做好吃
呵呵是什么意思啊
公安生活网
mmap文件怎么打开
照片内存怎么变小