指南生活
首页
美食营养
手工爱好
生活家居
返回
指南生活
首页
美食营养
游戏数码
手工爱好
生活家居
健康养生
运动户外
职场理财
情感交际
母婴教育
时尚美容
知识问答
生活知识
生活百科
搜索
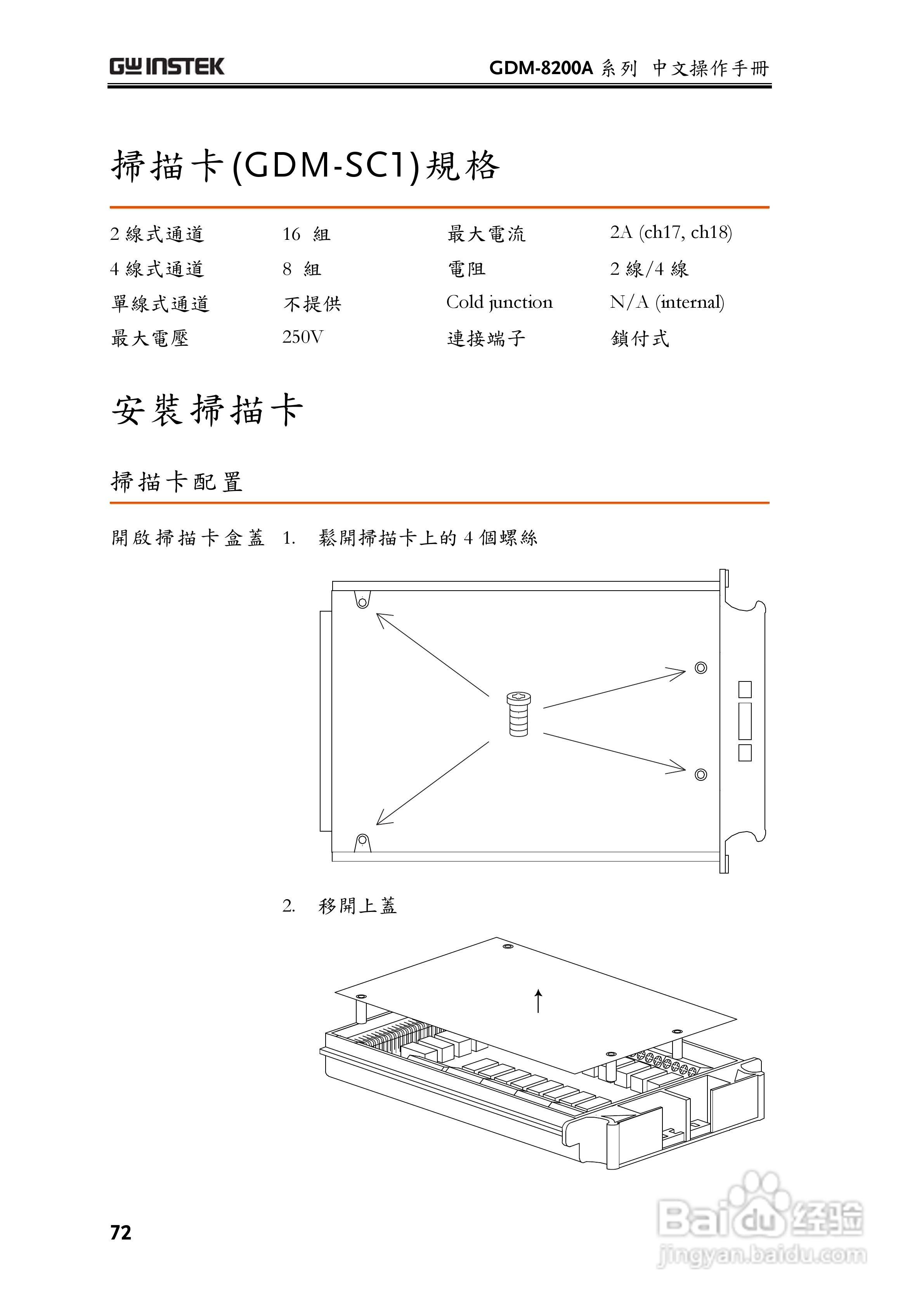
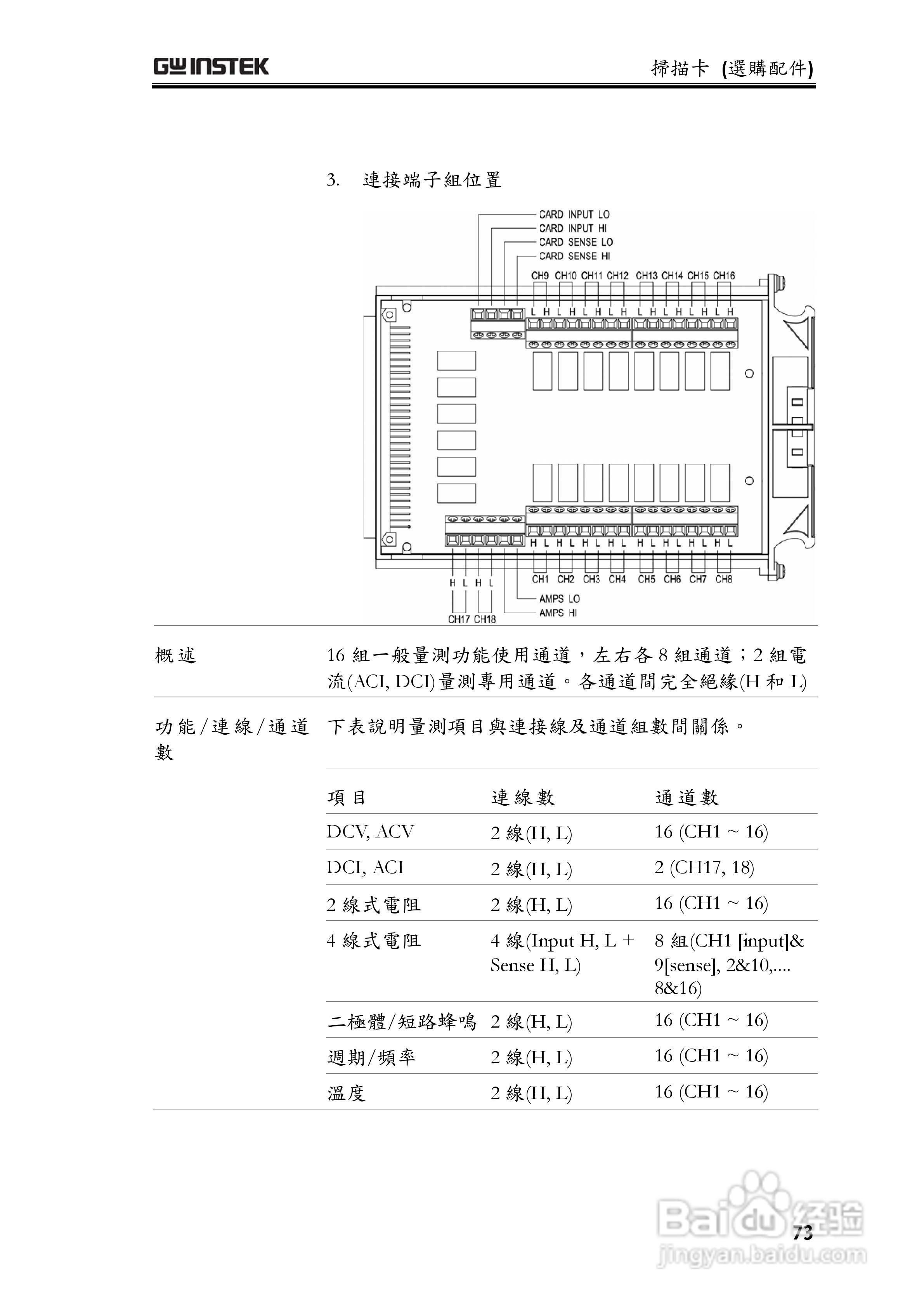
固纬GDM-8255A数字万用表使用说明书:[8]
2026-04-23 17:10:28
本篇为《固纬GDM-8255A数字万用表使用说明书》,主要介绍该产品的使用方法以及常见故障解决方案。
(共篇)
上一篇:
|
下一篇:
声明:
本网站引用、摘录或转载内容仅供网站访问者交流或参考,不代表本站立场,如存在版权或非法内容,请联系站长删除,联系邮箱:site.kefu@qq.com。
相关推荐
固纬GDM-8255A数字万用表使用说明书:[12]
阅读量:103
固纬GDM-8261数字万用表使用说明书:[8]
阅读量:131
固纬GDM-8261数字万用表使用说明书:[20]
阅读量:92
固纬GDM-8261数字万用表使用说明书:[1]
阅读量:42
固纬GDM-8261数字万用表使用说明书:[10]
阅读量:23
猜你喜欢
祁隆的全部歌曲大全
香炉怎么用
创新方法
折纸飞机的方法
玉树的养殖方法和注意事项
求职自我评价怎么写
煲汤的做法大全家常
酱骨架的家常做法
ps抠图方法
怎么还原系统
猜你喜欢
手蜕皮怎么回事
练字方法
魔兽争霸怎么玩
奥特曼名字大全加图片
手撕包菜的家常做法
自动挡车起步正确方法
泡椒萝卜的腌制方法
室内装修效果图大全
正版免费全年资料大全2019年
醒酒的最快方法