指南生活
首页
美食营养
手工爱好
生活家居
返回
指南生活
首页
美食营养
游戏数码
手工爱好
生活家居
健康养生
运动户外
职场理财
情感交际
母婴教育
时尚美容
知识问答
生活知识
生活百科
搜索
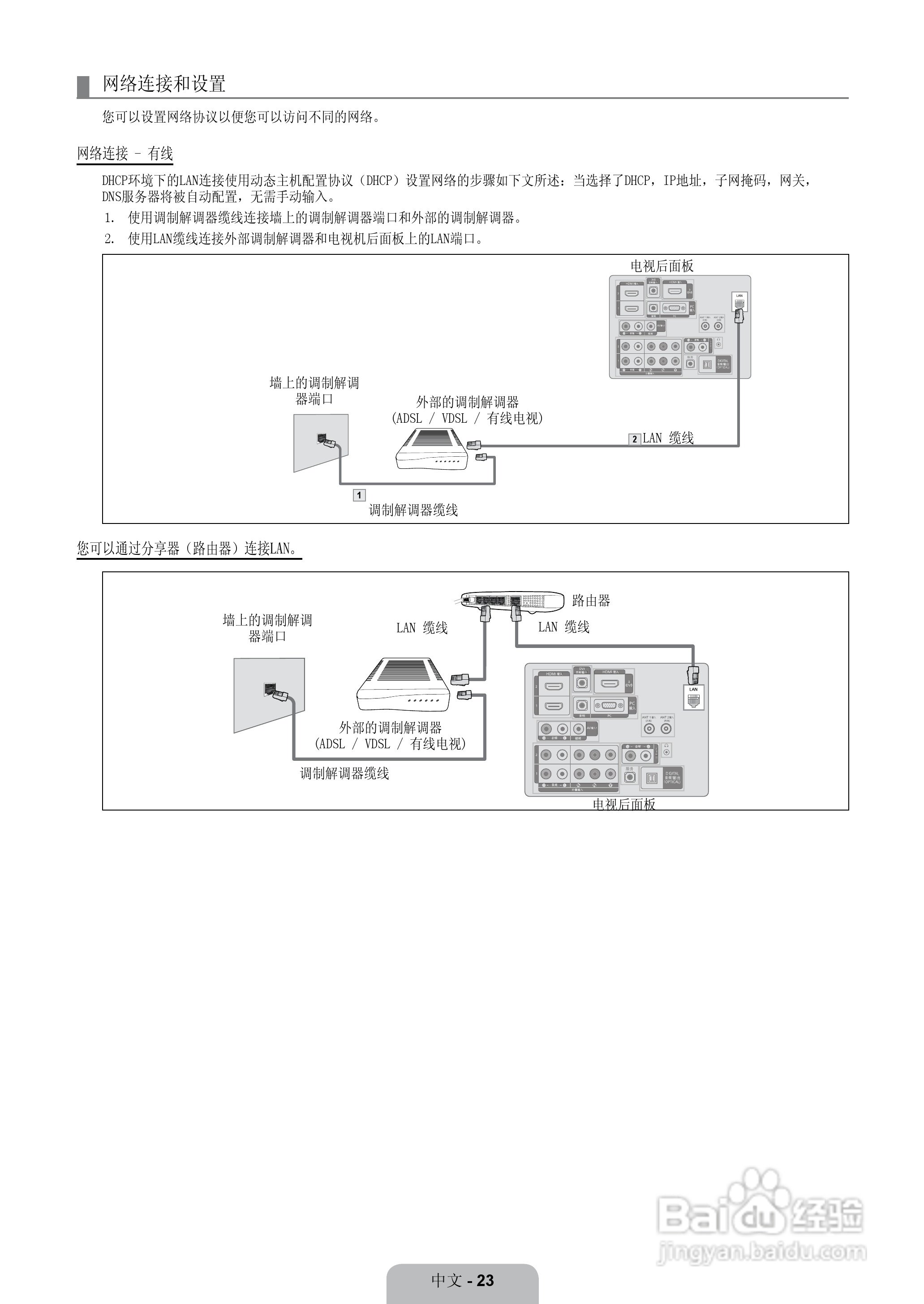
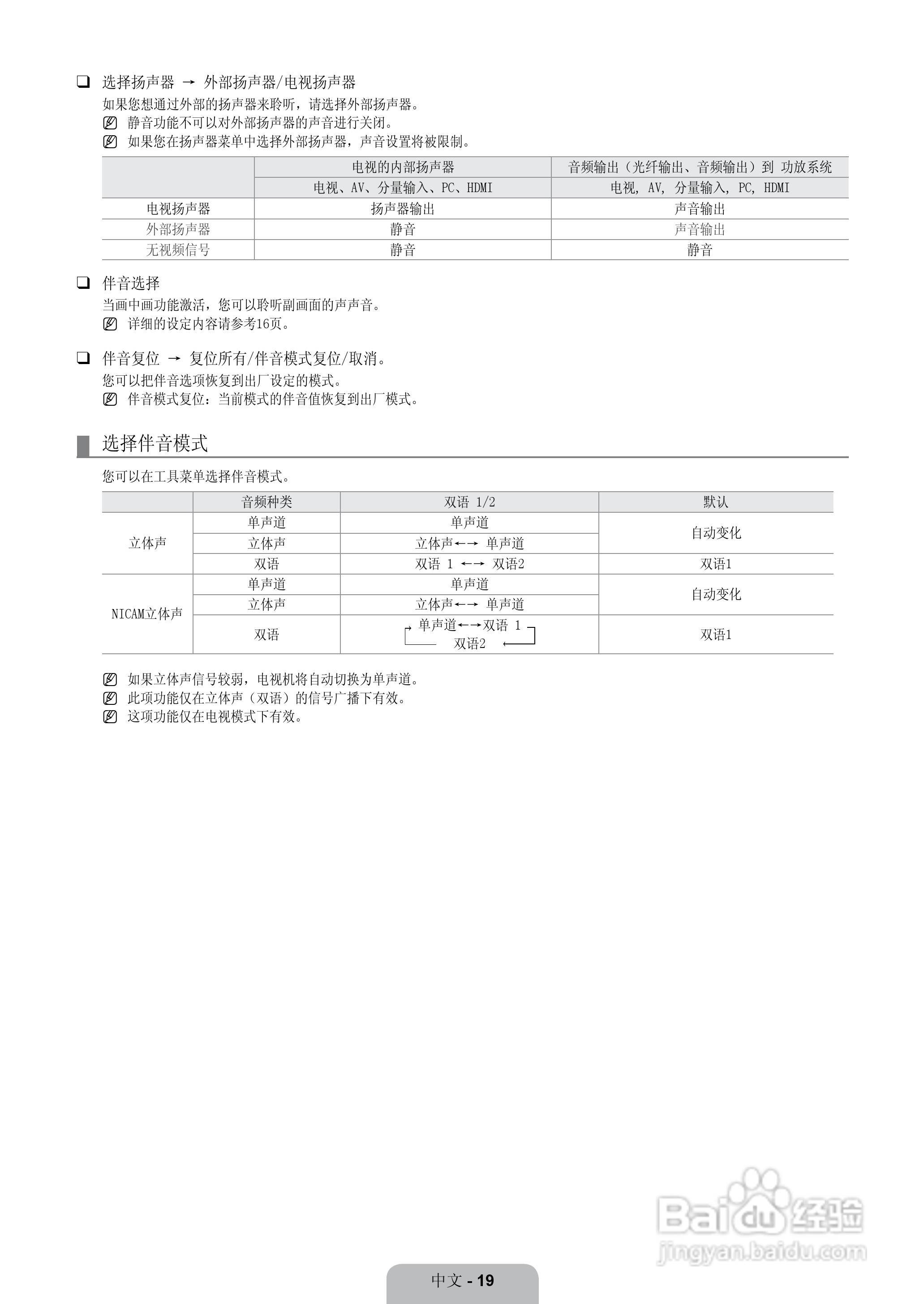
三星LA37B650T1F液晶彩电使用说明书:[3]
2026-03-27 09:22:34
(共篇)
上一篇:
|
下一篇:
声明:
本网站引用、摘录或转载内容仅供网站访问者交流或参考,不代表本站立场,如存在版权或非法内容,请联系站长删除,联系邮箱:site.kefu@qq.com。
相关推荐
三星LA37B650T1F液晶彩电使用说明书:[8]
阅读量:154
三星LA37R7液晶彩电使用说明书:[3]
阅读量:36
三星LA40R71BA液晶彩电使用说明书:[3]
阅读量:173
三星LA70F91B液晶彩电使用说明书:[3]
阅读量:54
三星LA46A680M1R液晶彩电使用说明书:[3]
阅读量:68
猜你喜欢
pleasure怎么读
金毛怎么养
奥迪a3怎么样
肚子胀痛是怎么回事
苹果夜间模式怎么设置
店铺简介怎么写
小孩子拉肚子怎么办
微信怎么赚钱
朋友用英语怎么写
怎么做馒头又软又好吃
猜你喜欢
掉发严重怎么办
欧莱雅眼霜怎么样
怎么改文件格式
身体湿气重怎么调理
数学论文怎么写
茵茵纸尿裤怎么样
长针眼怎么办
乳晕大怎么办
辣椒怎么腌制好吃
五行缺金怎么办