指南生活
首页
美食营养
手工爱好
生活家居
返回
指南生活
首页
美食营养
游戏数码
手工爱好
生活家居
健康养生
运动户外
职场理财
情感交际
母婴教育
时尚美容
知识问答
生活知识
生活百科
搜索
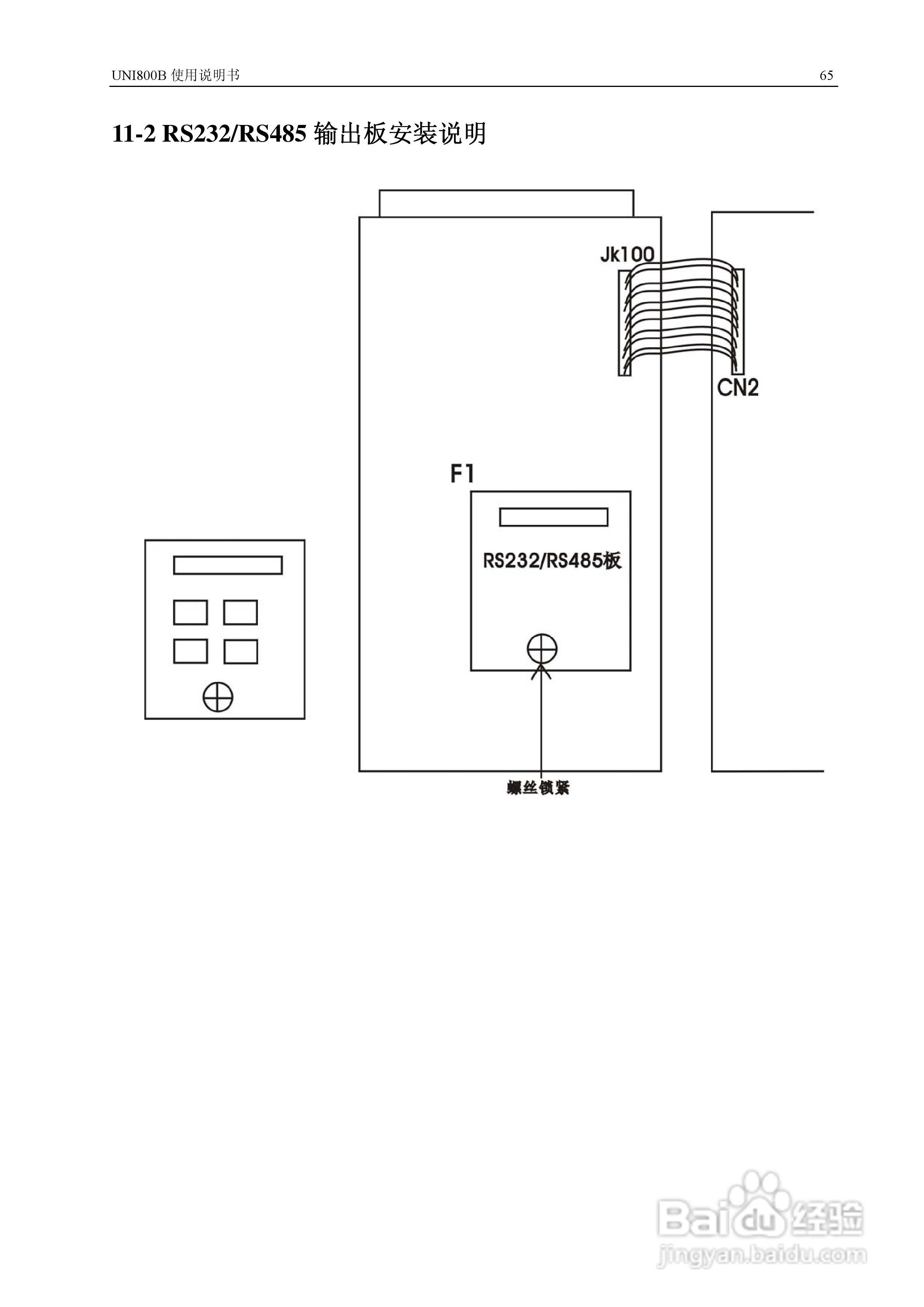
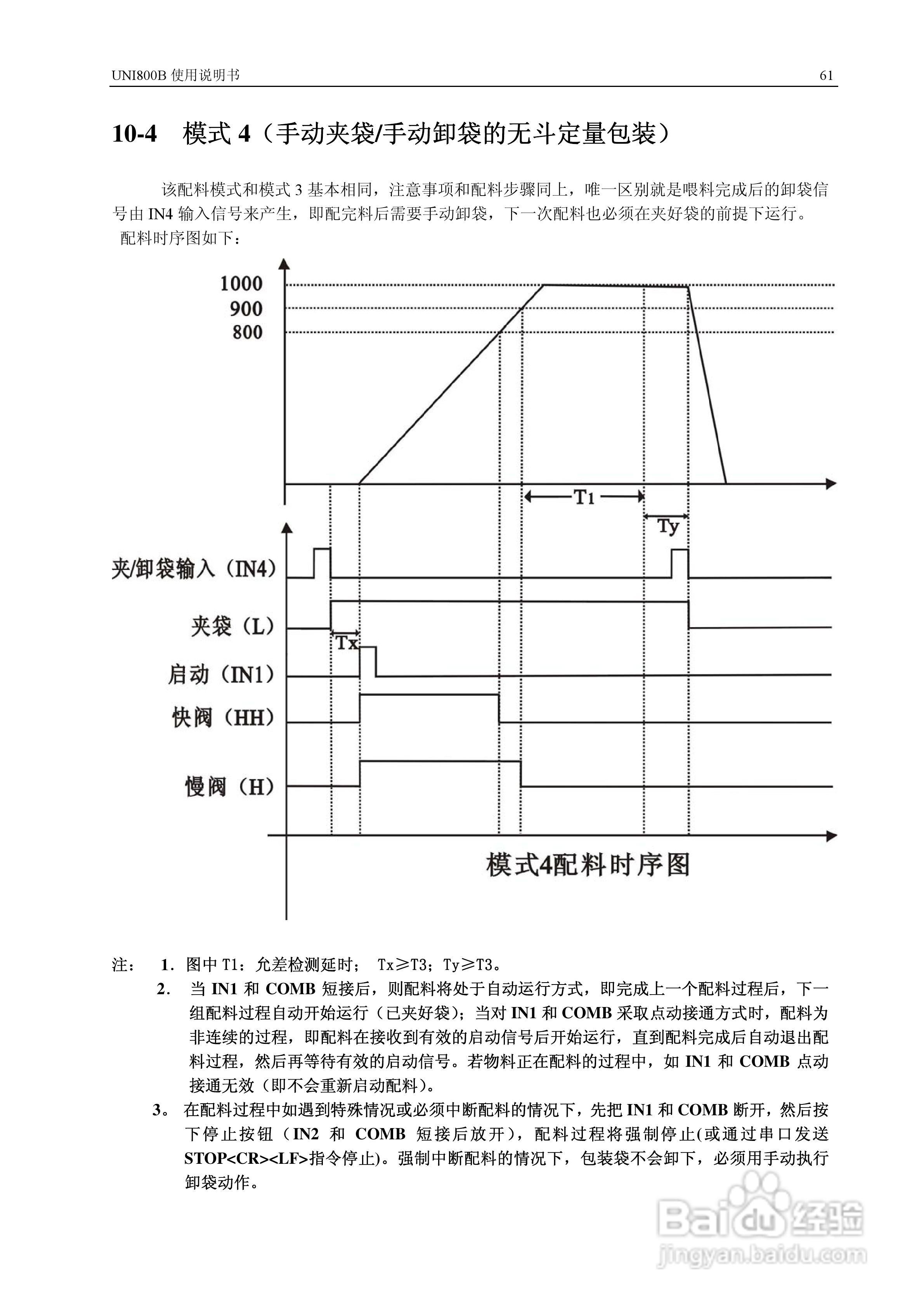
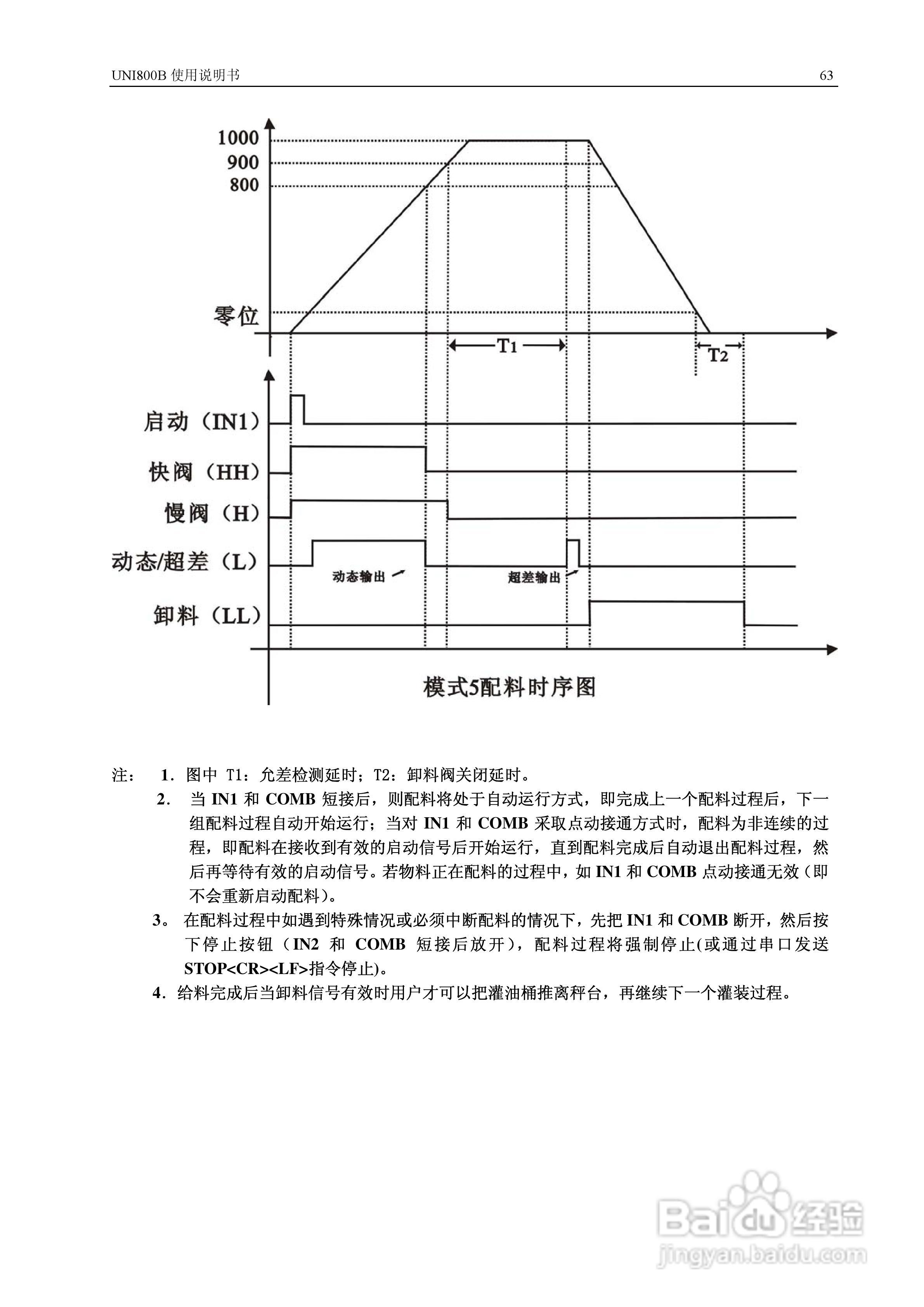
UNI 800B定量秤控制仪使用说明书:[7]
2026-03-28 08:51:15
本篇为《UNI 800B定量秤控制仪使用说明书》,主要介绍该产品的使用方法以及常见故障解决方案。
(共篇)
上一篇:
|
下一篇:
声明:
本网站引用、摘录或转载内容仅供网站访问者交流或参考,不代表本站立场,如存在版权或非法内容,请联系站长删除,联系邮箱:site.kefu@qq.com。
相关推荐
uni-app视频教程
阅读量:187
决战平安京uni编辑器怎么用
阅读量:170
HBuilder如何新建Uni-app组件页面
阅读量:95
uni商家如何注册+发通告
阅读量:81
HBuilder如何新建Uni-app页面
阅读量:91
猜你喜欢
lazy是什么意思
保暖内衣什么牌子的好
media是什么意思
引渡条约是什么意思
天马行空是什么意思
忐忑不安是什么意思
梦见大水是什么意思
笑点低是什么意思
艾灸盒什么材质的好
c票能开什么车
猜你喜欢
智能手机什么牌子好
嘿嘿是什么意思
祝福歌曲
依稀的意思
充电电钻什么牌子好
什么是qdii
520祝福
削足适履的意思
有什么恐怖电影好看
编钟最早什么时候出现