指南生活
首页
美食营养
手工爱好
生活家居
返回
指南生活
首页
美食营养
游戏数码
手工爱好
生活家居
健康养生
运动户外
职场理财
情感交际
母婴教育
时尚美容
知识问答
生活知识
生活百科
搜索
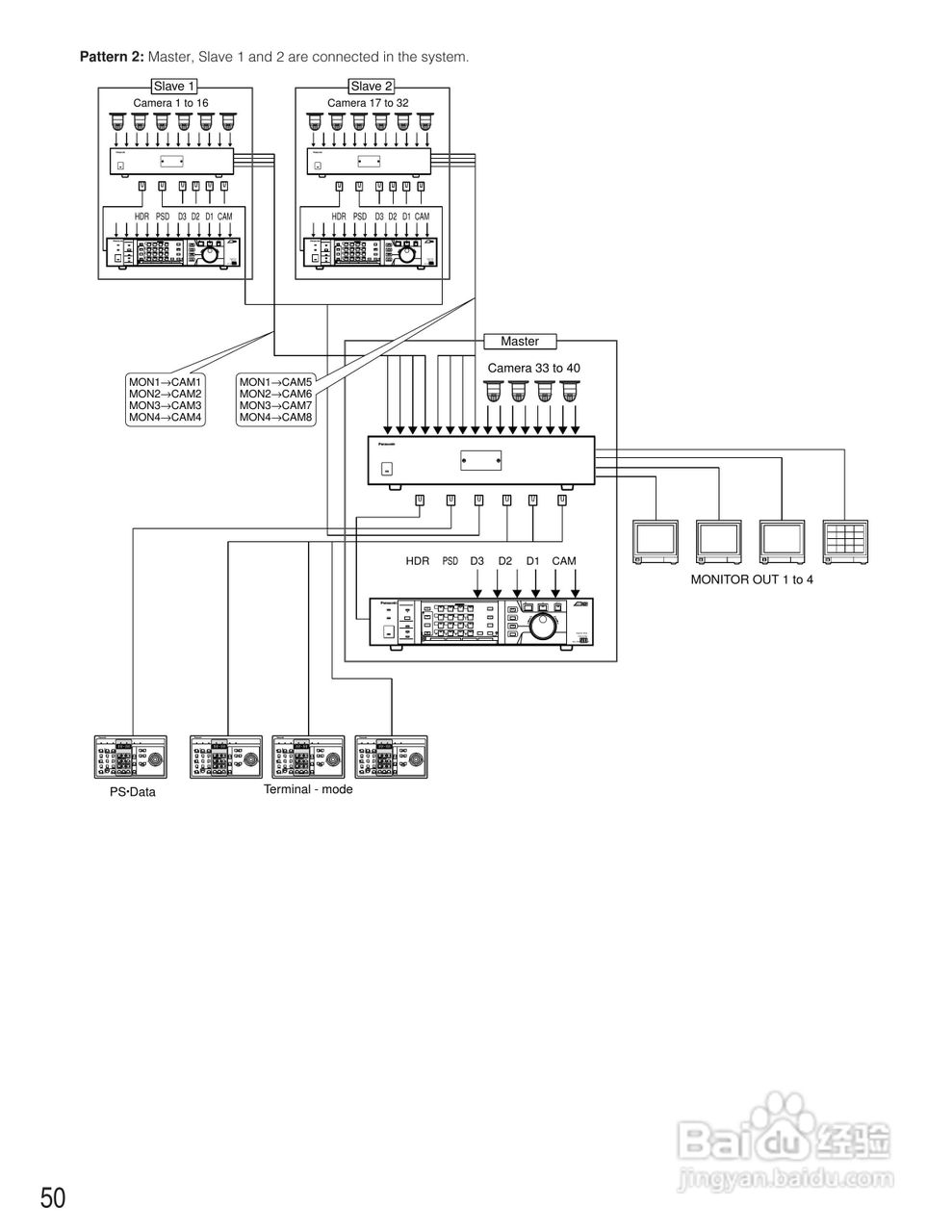
松下WJ-SX150A矩阵切换器使用说明书:[5]
2026-04-24 02:41:27
本篇为《松下WJ-SX150A矩阵切换器使用说明书》,主要介绍该产品的使用方法以及常见故障解决方案。
(共篇)
上一篇:
|
下一篇:
声明:
本网站引用、摘录或转载内容仅供网站访问者交流或参考,不代表本站立场,如存在版权或非法内容,请联系站长删除,联系邮箱:site.kefu@qq.com。
相关推荐
松下WJ-SX150A矩阵切换器使用说明书:[15]
阅读量:91
松下WJ-SX150A矩阵切换器使用说明书:[13]
阅读量:106
松下WJ-SX155矩阵切换器使用说明书:[6]
阅读量:136
松下dvx200使用教程
阅读量:91
松下双开双控接线方法
阅读量:186
猜你喜欢
安全知识手抄报图片
宿迁有什么好玩的地方
小学生环保小知识
初中物理知识点总结
灵芝的功效与作用及食用方法
科学小知识大全
一厢情愿什么意思
音乐知识
食品安全知识竞赛
蜂蜜水有什么好处
猜你喜欢
土霉素片的功效与作用
知识产权顾问
燕麦的功效与作用
驼色配什么颜色好看
知识竞赛
运动会演讲稿100字
氧氟沙星的作用
意外的什么作文
荔枝干的功效与作用
男人信什么