指南生活
首页
美食营养
手工爱好
生活家居
返回
指南生活
首页
美食营养
游戏数码
手工爱好
生活家居
健康养生
运动户外
职场理财
情感交际
母婴教育
时尚美容
知识问答
生活知识
搜索
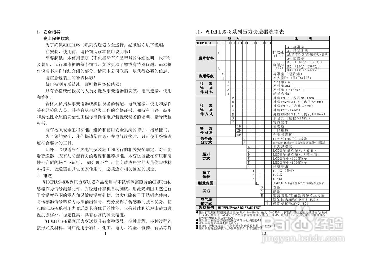
WIDEPLUS-8系列精小型压力变送器使用说明书
2025-12-31 08:10:15
声明:
本网站引用、摘录或转载内容仅供网站访问者交流或参考,不代表本站立场,如存在版权或非法内容,请联系站长删除,联系邮箱:site.kefu@qq.com。
相关推荐
ugg蝴蝶结系法教程?
阅读量:34
机场行李平板拖车优点
阅读量:43
华远MZ-630自动埋弧焊机使用说明书:[1]
阅读量:89
购买二手房时能否使用住房公积金?需注意什么?
阅读量:49
C#的DataGridView对象如何对数据分类汇总
阅读量:89
猜你喜欢
小孩体质差怎么办
刷机精灵怎么刷机
江门旅游景点哪个好玩的地方
wps怎么统计字数
方特旅游度假区
四川旅游景点
光雾山风景区
旅游专列
奥格瑞玛怎么去外域
拔牙后多久可以镶牙
猜你喜欢
崇左旅游
阜阳旅游
盘龙峡生态旅游区
镇远古镇旅游攻略
面膜可以天天用吗
江苏旅游景点大全介绍
安置房可以买卖吗
湖州旅游景点
怎么样提高网速
旅游英文