指南生活
首页
美食营养
手工爱好
生活家居
返回
指南生活
首页
美食营养
游戏数码
手工爱好
生活家居
健康养生
运动户外
职场理财
情感交际
母婴教育
时尚美容
知识问答
生活知识
生活百科
搜索
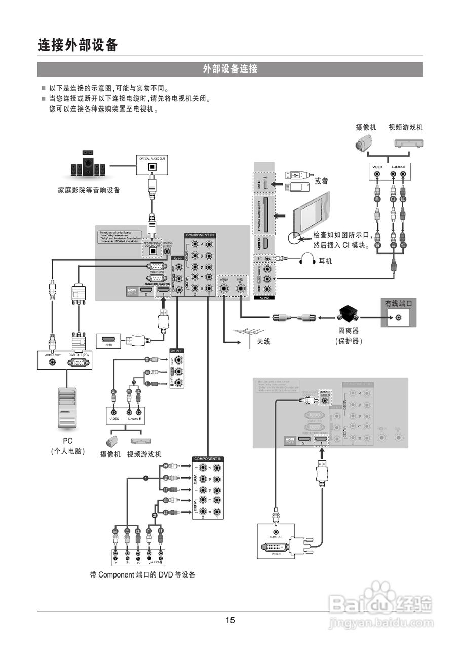
LG 55LK530-CC液晶彩电使用说明书:[2]
2026-04-27 01:47:07
(共篇)
上一篇:
|
下一篇:
声明:
本网站引用、摘录或转载内容仅供网站访问者交流或参考,不代表本站立场,如存在版权或非法内容,请联系站长删除,联系邮箱:site.kefu@qq.com。
相关推荐
LG 55LK530-CC液晶彩电使用说明书:[4]
阅读量:41
LG 47LK530-CC液晶彩电使用说明书:[3]
阅读量:74
使用说明书封面怎么做
阅读量:82
使用说明书wf2651使用指南
阅读量:123
LG 47LK530-CC液晶彩电使用说明书:[6]
阅读量:153
猜你喜欢
脚麻腿麻是怎么回事
路由器192.168.1.1
穿墙路由器
win7如何共享打印机
十一月份适合去哪里旅游
心在哪里安放
年终奖个税怎么算
南京旅游局
如何激励员工
华为荣耀路由器
猜你喜欢
前胸骨疼是怎么回事
cf怎么高跳
哪里地震了
东方旅游
摆地摊的货源从哪里批发
怎么祛法令纹
0512是哪里的区号
广州番禺职业技术学院怎么样
路由器接路由器怎么设置
图层混合模式在哪里