指南生活
首页
美食营养
手工爱好
生活家居
返回
指南生活
首页
美食营养
游戏数码
手工爱好
生活家居
健康养生
运动户外
职场理财
情感交际
母婴教育
时尚美容
知识问答
生活知识
搜索
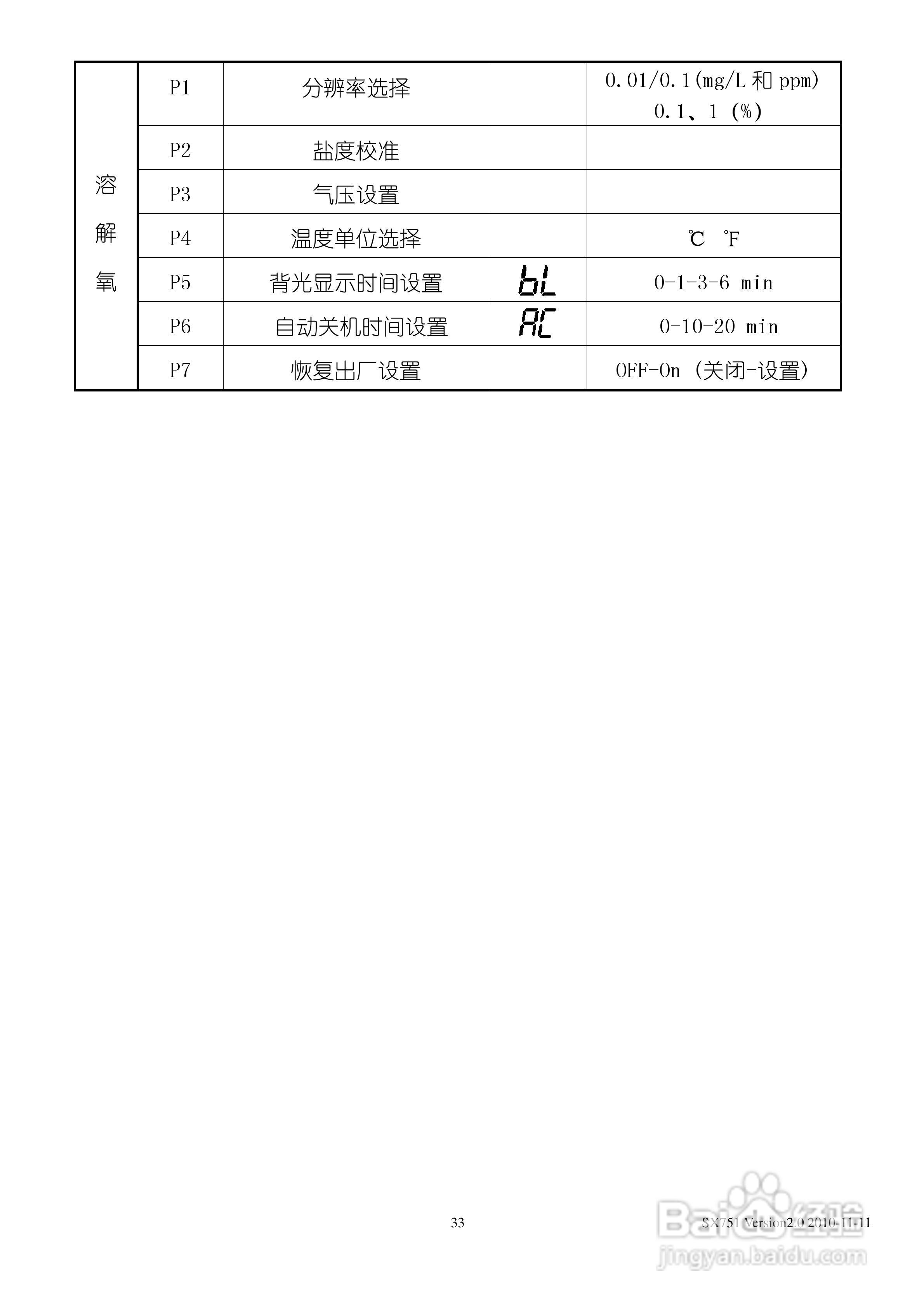
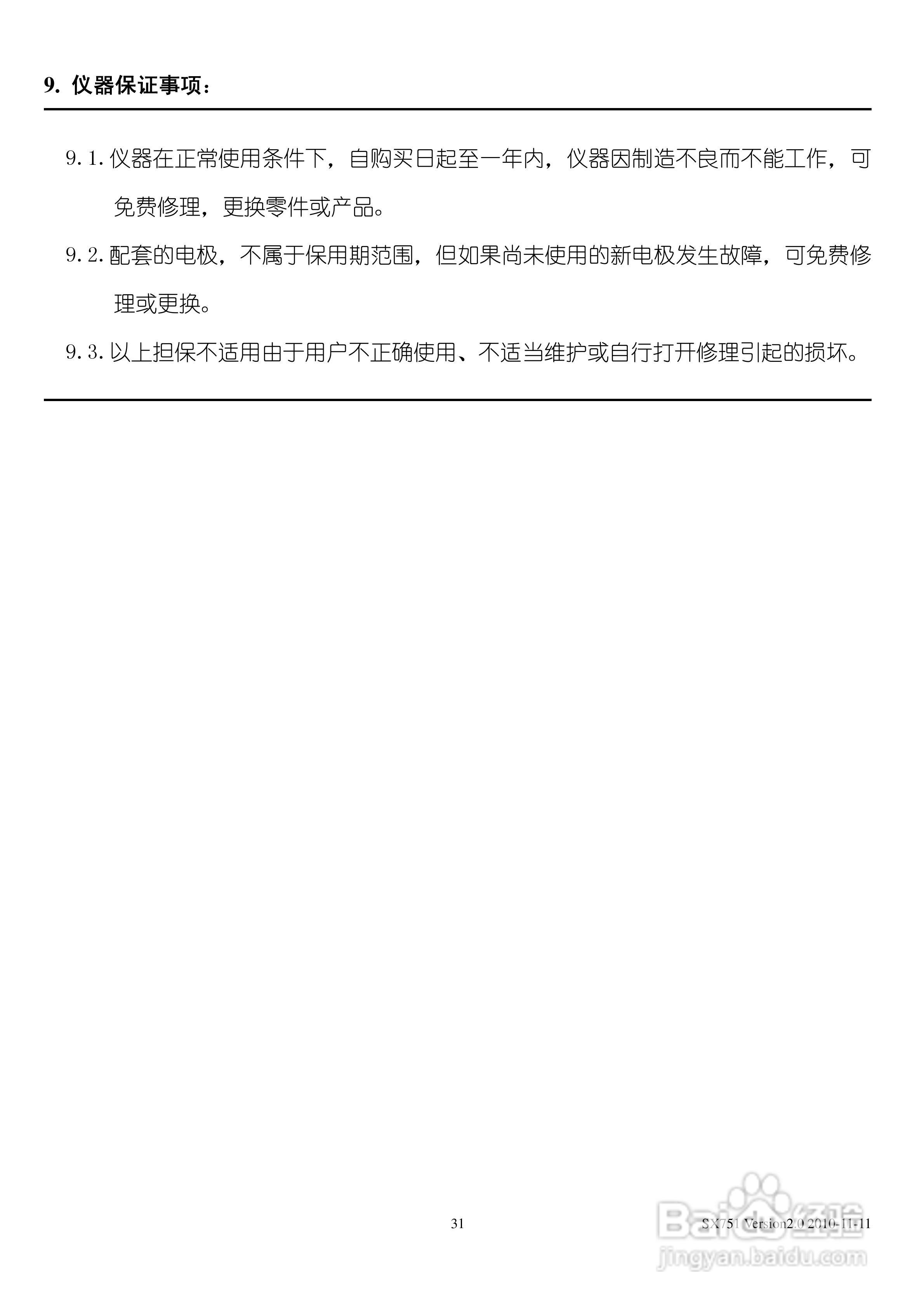
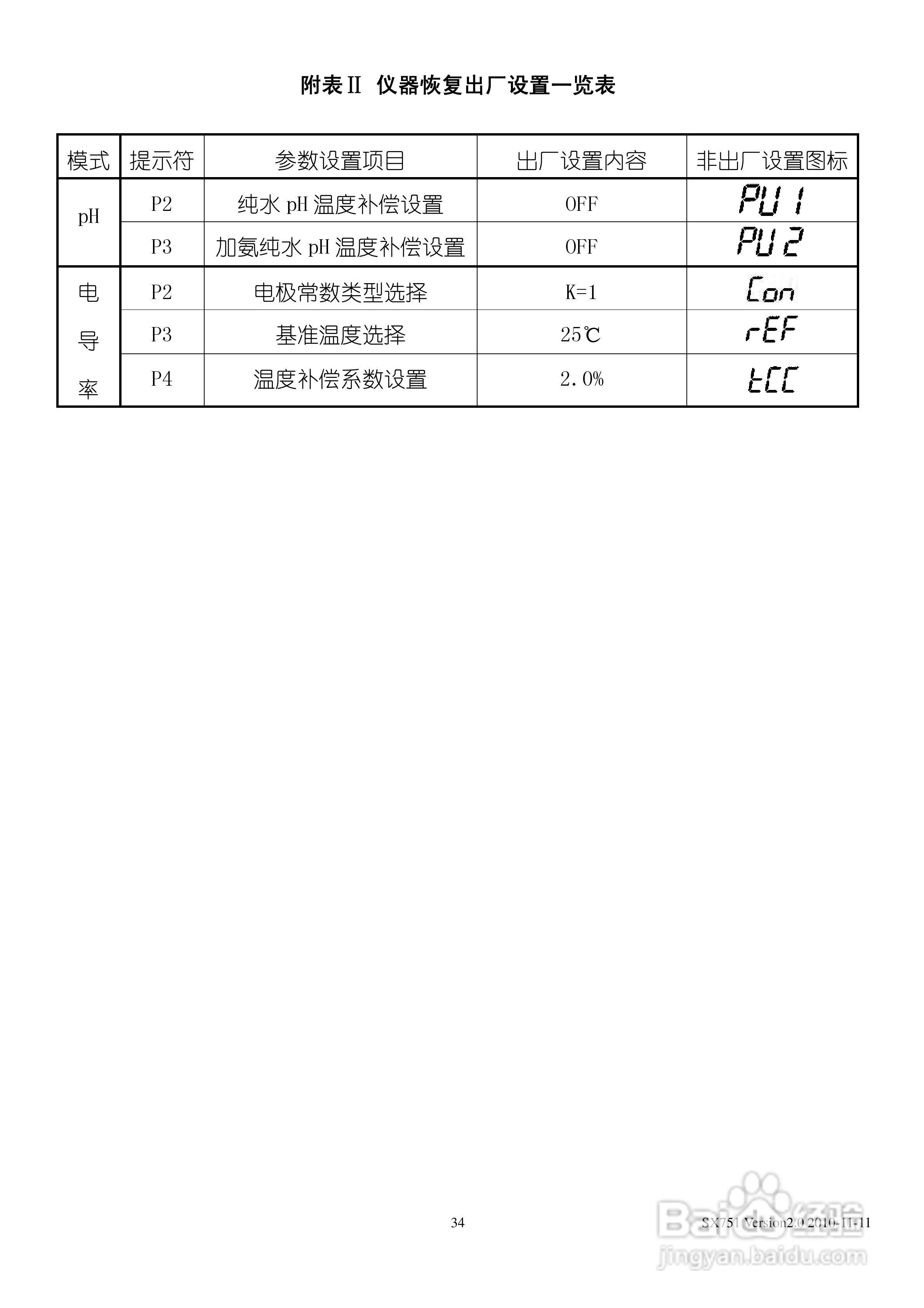
三信 SX751型pH/ORP/电导率/溶解氧使用说明书:[4]
2026-01-04 10:20:27
本篇为《三信 SX751型pH/ORP/电导率/溶解氧使用说明书》,主要介绍该产品的使用方法以及常见故障解决方案。
(共篇)
上一篇:
声明:
本网站引用、摘录或转载内容仅供网站访问者交流或参考,不代表本站立场,如存在版权或非法内容,请联系站长删除,联系邮箱:site.kefu@qq.com。
相关推荐
三信 SX751型pH/ORP/电导率/溶解氧使用说明书:[1]
阅读量:192
三信 SX751型pH/ORP/电导率/溶解氧使用说明书:[2]
阅读量:45
SANXIN SX751型pH/ORP/电导率/溶解氧测量仪使用说明书:[4]
阅读量:79
SANXIN SX751型pH/ORP/电导率/溶解氧测量仪使用说明书:[1]
阅读量:189
SANXIN SX751型pH/ORP/电导率/溶解氧测量仪使用说明书:[2]
阅读量:149
猜你喜欢
山东威海旅游景点
怎么清理笔记本键盘
淘宝搭配套餐怎么设置
新鞋子磨脚怎么办
幸福在哪里 电视剧
加班费怎么算的
路由器连不上
朋友圈怎么只发文字
不会唱歌怎么办
爱情公寓在哪里拍的
猜你喜欢
泉州旅游必去景点
西湖在哪里
如何用手机赚钱
店铺公告怎么写
如何做到爱岗敬业
如何查ip地址
海南旅游业
无线路由器密码怎么改
除此之外英语怎么说
如何预防妊娠纹