指南生活
首页
美食营养
手工爱好
生活家居
返回
指南生活
首页
美食营养
游戏数码
手工爱好
生活家居
健康养生
运动户外
职场理财
情感交际
母婴教育
时尚美容
知识问答
生活知识
生活百科
搜索
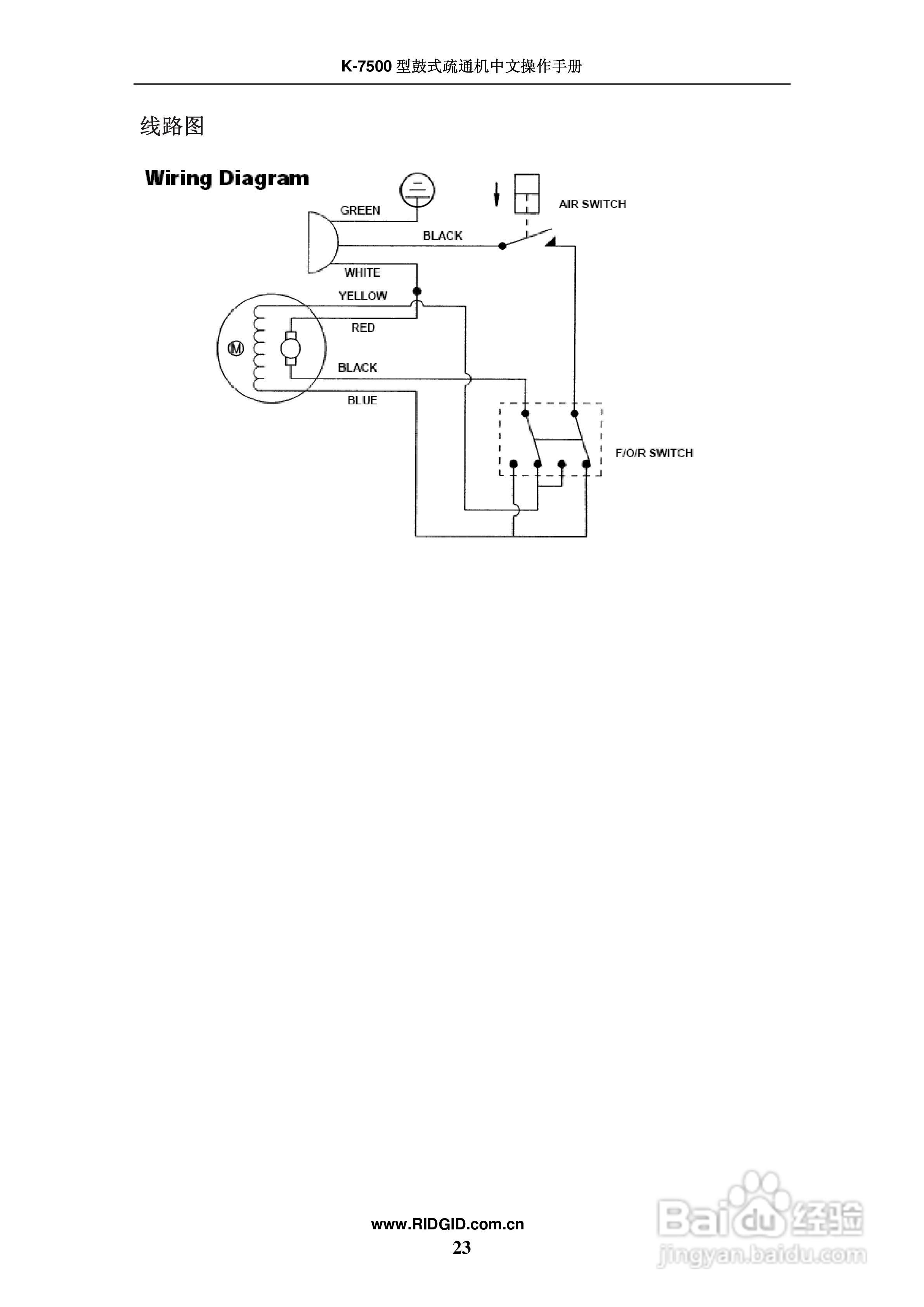
艾默生 K7500鼓式疏通机操作手册:[3]
2026-03-28 15:56:48
本篇为《艾默生 K7500鼓式疏通机操作手册》,主要介绍该产品的使用方法以及常见故障解决方案。
(共篇)
上一篇:
声明:
本网站引用、摘录或转载内容仅供网站访问者交流或参考,不代表本站立场,如存在版权或非法内容,请联系站长删除,联系邮箱:site.kefu@qq.com。
相关推荐
艾默生鼓式疏通机K-750中文操作手册:[3]
阅读量:92
艾默生鼓式疏通机K-750中文操作手册:[2]
阅读量:102
RIDGID K-3800鼓式疏通机中文操作手册:[3]
阅读量:52
RIDGID K-3800鼓式疏通机中文操作手册:[2]
阅读量:34
RIDGID K-3800鼓式疏通机中文操作手册:[1]
阅读量:32
猜你喜欢
明察秋毫的意思
胆碱的作用
sub是什么意思
画蛇添足的意思
支那人什么意思
黄芪的功效与作用禁忌
么么哒是什么意思
诚惶诚恐的意思
喝椰子粉有什么好处
复合维生素b的作用
猜你喜欢
市场营销属于什么类
办低保需要什么条件
蕙质兰心什么意思
怀孕20天有什么症状
什么叫裸官
感慨万千的意思
ng是什么意思
open是什么意思
帐篷什么牌子好
浑身解数什么意思