指南生活
首页
美食营养
手工爱好
生活家居
返回
指南生活
首页
美食营养
游戏数码
手工爱好
生活家居
健康养生
运动户外
职场理财
情感交际
母婴教育
时尚美容
知识问答
生活知识
生活百科
搜索
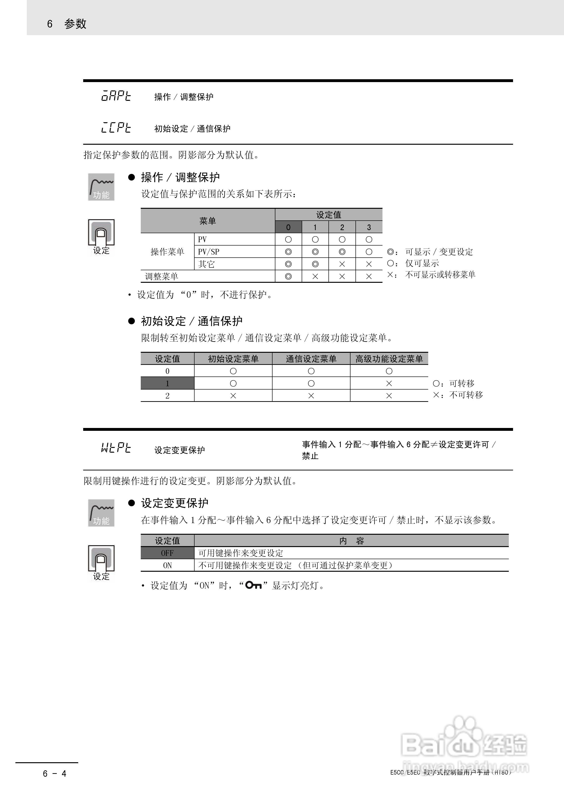
欧姆龙温控器E5CC-E5EC操作手册:[20]
2026-04-30 08:14:40
本篇为《欧姆龙温控器E5CC-E5EC操作手册》,主要介绍该产品的使用方法以及常见故障解决方案。
(共篇)
上一篇:
|
下一篇:
声明:
本网站引用、摘录或转载内容仅供网站访问者交流或参考,不代表本站立场,如存在版权或非法内容,请联系站长删除,联系邮箱:site.kefu@qq.com。
相关推荐
艾瑞泽5做四轮定位后轮有误差但是没有调节螺丝怎么办
阅读量:39
大众途观2.0T刷ECU升级方案
阅读量:158
长安之星2代热车发不着
阅读量:121
轮胎扎了“钉子”该怎么办?到底要不要拔掉?
阅读量:168
如何用360杀毒彻底删除文件
阅读量:77
猜你喜欢
熬夜到什么程度会猝死
什么的城堡
distance什么意思
上元节是什么节
sync是什么意思
激素六项都是查什么
smith是什么意思
肉便器是什么
耽美什么意思
2003年属什么生肖
猜你喜欢
伏特加是什么酒
九千七是什么意思
信念是什么意思
嗑药是什么意思
chip是什么意思
gxg是什么档次的牌子
癌胚抗原是什么意思
什么手机玩游戏最好
持之以恒是什么意思
pink是什么意思