指南生活
首页
美食营养
手工爱好
生活家居
返回
指南生活
首页
美食营养
游戏数码
手工爱好
生活家居
健康养生
运动户外
职场理财
情感交际
母婴教育
时尚美容
知识问答
生活知识
搜索
安川CIMR-F7B4300变频器使用说明书:[44]
2025-12-29 13:24:43
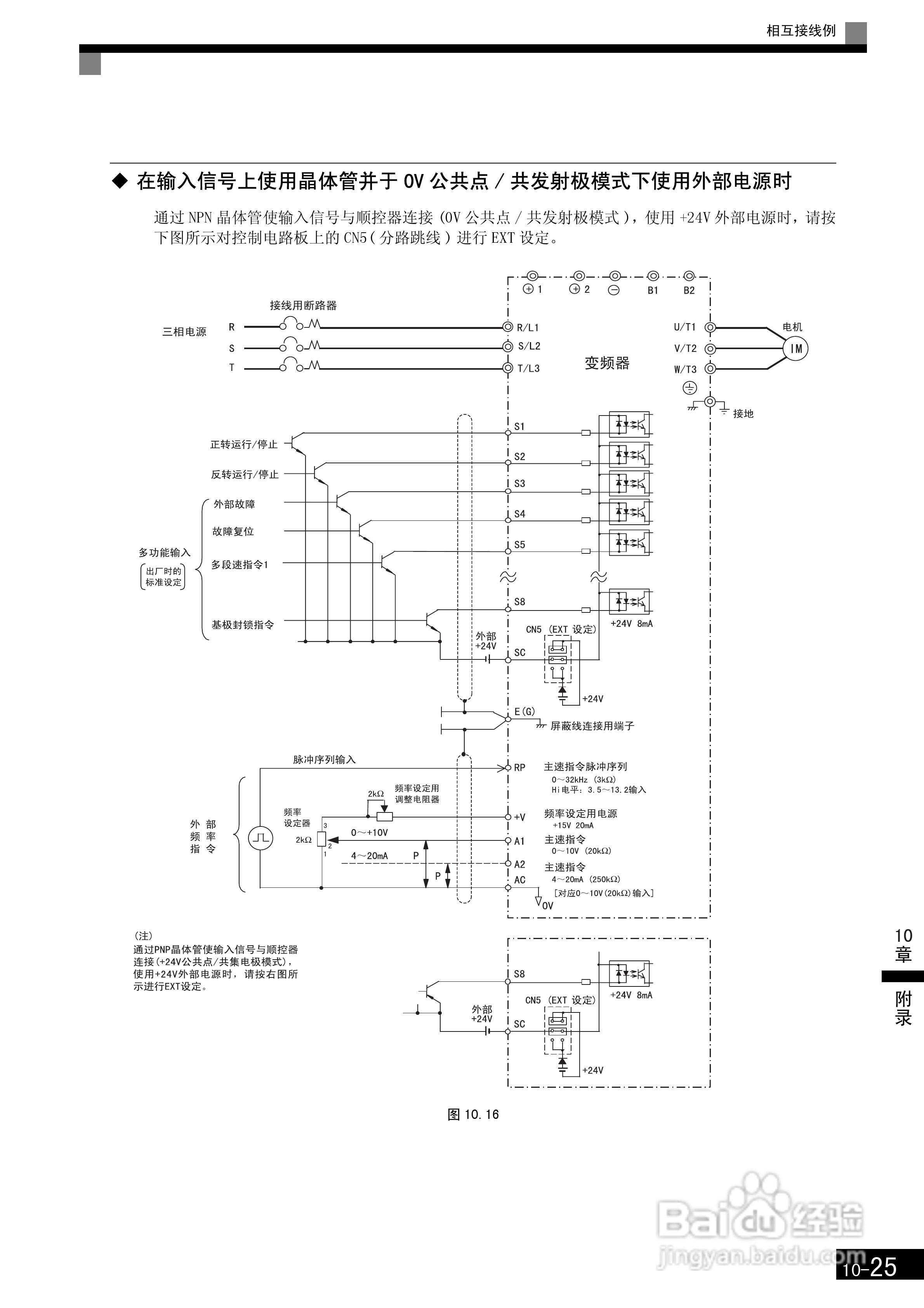
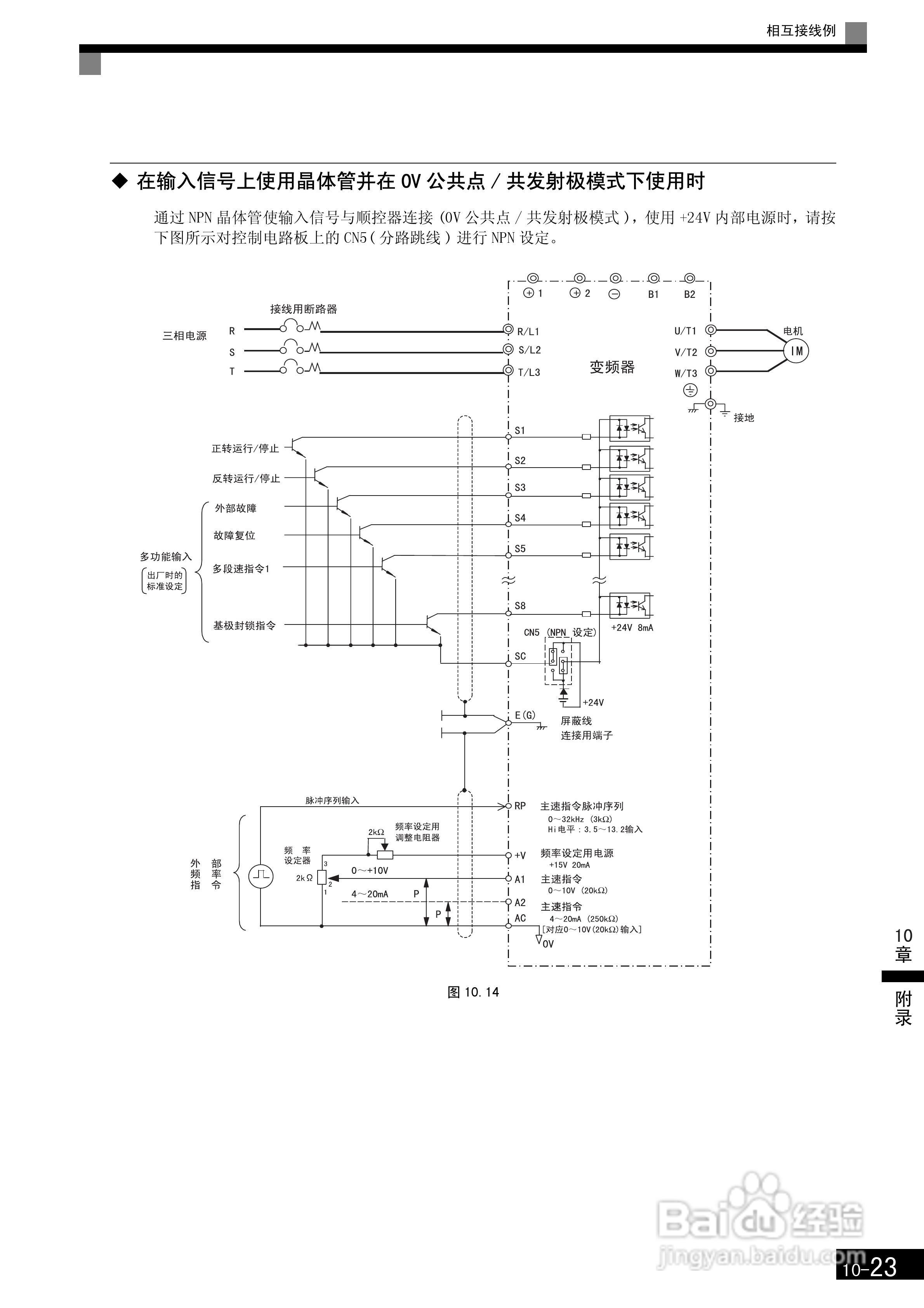
本篇为《安川CIMR-F7B4300变频器使用说明书》,主要介绍该产品的使用方法以及常见故障解决方案。
(共篇)
上一篇:
|
下一篇:
声明:
本网站引用、摘录或转载内容仅供网站访问者交流或参考,不代表本站立场,如存在版权或非法内容,请联系站长删除,联系邮箱:site.kefu@qq.com。
相关推荐
安川CIMR-F7B4300变频器使用说明书:[24]
阅读量:153
使用说明书wf2651使用指南
阅读量:86
使用说明书封面怎么做
阅读量:92
安川CIMR-F7B4300变频器使用说明书:[29]
阅读量:162
安川CIMR-F7B4300变频器使用说明书:[32]
阅读量:44
猜你喜欢
r18什么意思
fc2是什么
6月22日是什么节日
龌龊什么意思
staff什么意思
寒冬腊月是什么生肖
运动衣
黑五类是什么
顺德有什么好玩的地方
会晤是什么意思
猜你喜欢
summary是什么意思
什么叫结构化面试
荷花象征着什么意义
好听的近义词是什么
什么是顺时针
poke是什么意思
diary是什么意思
水产养殖学
补短板是什么意思
ssh是什么