指南生活
首页
美食营养
手工爱好
生活家居
返回
指南生活
首页
美食营养
游戏数码
手工爱好
生活家居
健康养生
运动户外
职场理财
情感交际
母婴教育
时尚美容
知识问答
生活知识
搜索
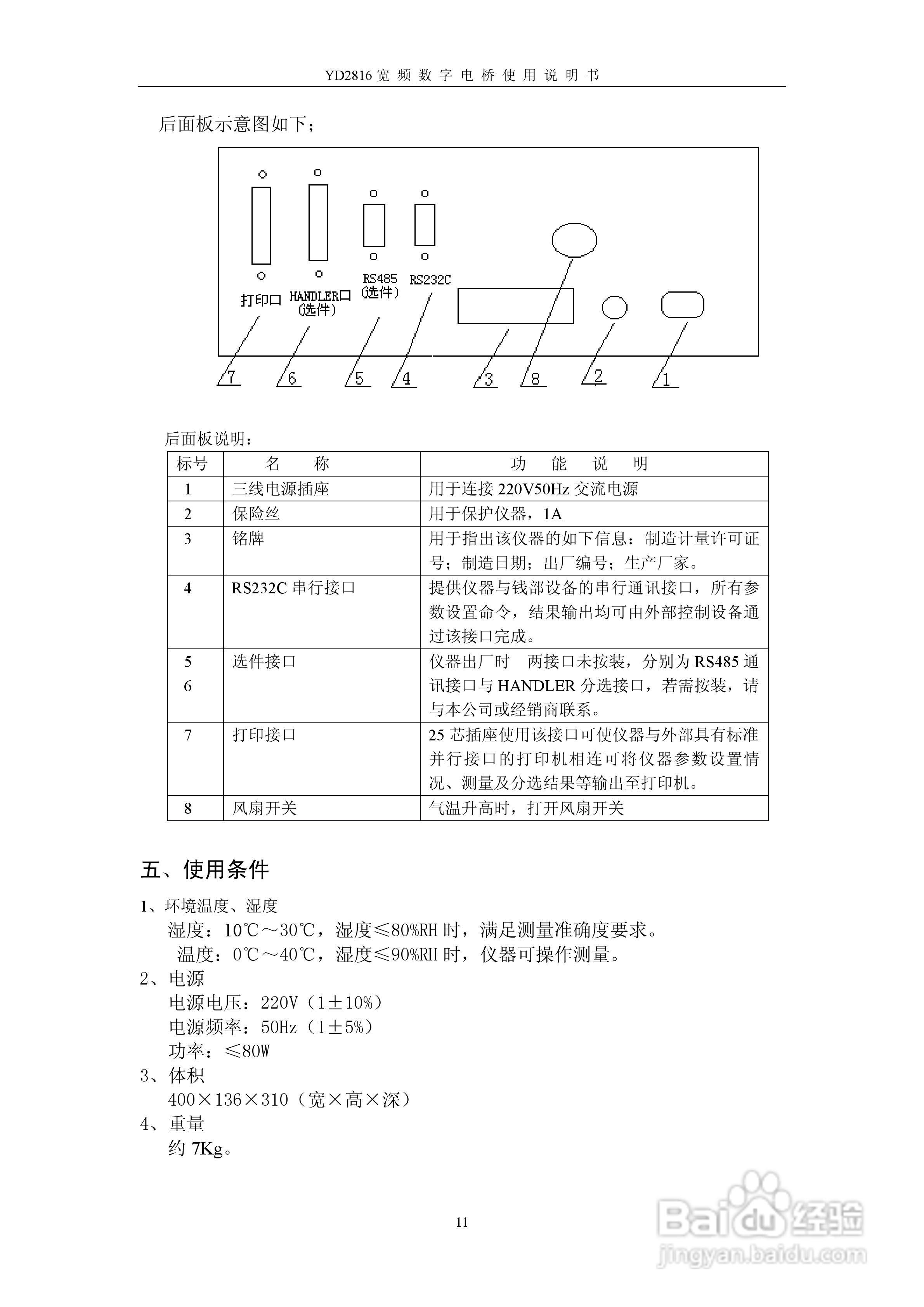
VD2816宽频数字电桥使用说明书:[2]
2025-12-29 01:17:37
本篇为《VD2816宽频数字电桥使用说明书》,主要介绍该产品的使用方法以及常见故障解决方案。
(共篇)
上一篇:
|
下一篇:
声明:
本网站引用、摘录或转载内容仅供网站访问者交流或参考,不代表本站立场,如存在版权或非法内容,请联系站长删除,联系邮箱:site.kefu@qq.com。
相关推荐
TH2816B型LCR数字电桥使用说明书:[2]
阅读量:170
TH2816B型LCR数字电桥使用说明书:[3]
阅读量:124
TH2816B型LCR数字电桥使用说明书:[1]
阅读量:65
TH2816B型LCR数字电桥使用说明书:[4]
阅读量:106
TH2816B型LCR数字电桥使用说明书:[6]
阅读量:60
猜你喜欢
中国结怎么编
地方专项计划怎么报名
中国石油大学怎么样
泡沫胶怎么去除
爱尔眼科医院怎么样
油饼怎么做
饥荒高脚鸟蛋怎么孵化
youtube怎么读
百分之几怎么算
头大怎么办
猜你喜欢
头皮很痒是怎么回事
卡牌怎么玩
尚品宅配家具怎么样
作者简介怎么写
运气不好怎么办
股票的k线图怎么看
蚜虫怎么治
cad阵列怎么用
华为笔记本怎么样
信用卡被盗刷怎么办