指南生活
首页
美食营养
手工爱好
生活家居
返回
指南生活
首页
美食营养
游戏数码
手工爱好
生活家居
健康养生
运动户外
职场理财
情感交际
母婴教育
时尚美容
知识问答
生活知识
生活百科
搜索
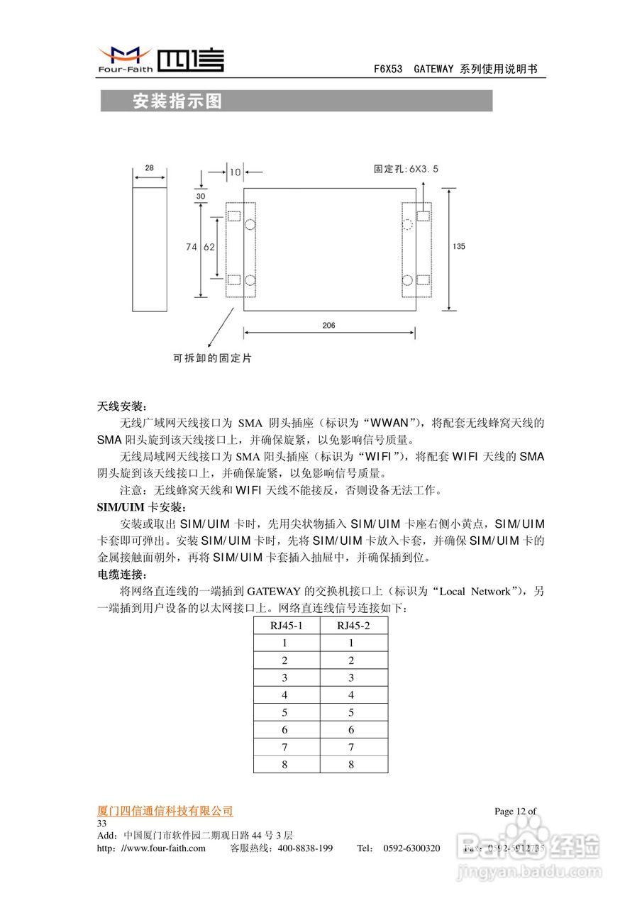
四信F6653路由器使用说明书:[2]
2026-04-25 00:02:47
本篇为《四信F6653路由器使用说明书》,主要介绍该产品的使用方法以及常见故障解决方案。
(共篇)
上一篇:
|
下一篇:
声明:
本网站引用、摘录或转载内容仅供网站访问者交流或参考,不代表本站立场,如存在版权或非法内容,请联系站长删除,联系邮箱:site.kefu@qq.com。
相关推荐
四信F6653路由器使用说明书:[4]
阅读量:54
四信F8633路由器使用说明书:[1]
阅读量:90
四信F8633路由器使用说明书:[2]
阅读量:37
四信F8633路由器使用说明书:[3]
阅读量:117
四信F8633路由器使用说明书:[4]
阅读量:68
猜你喜欢
黑枸杞子的作用与功效
虐杀原形3什么时候出
可乐煮姜有什么作用
教育知识与能力必背100题
意识的作用
灭佛运动
玛卡的功效与作用
天王补心丸的功效与作用
水芹菜的功效与作用
运动香水
猜你喜欢
装修设计用什么软件
安徽有什么好玩的地方
茉莉花运动
运动会通讯稿范文
运动会裁判员加油稿
茭白的功效与作用
不运动减肥
高三数学知识点
残疾人运动会
太平天国运动ppt