指南生活
首页
美食营养
手工爱好
生活家居
返回
指南生活
首页
美食营养
游戏数码
手工爱好
生活家居
健康养生
运动户外
职场理财
情感交际
母婴教育
时尚美容
知识问答
生活知识
搜索
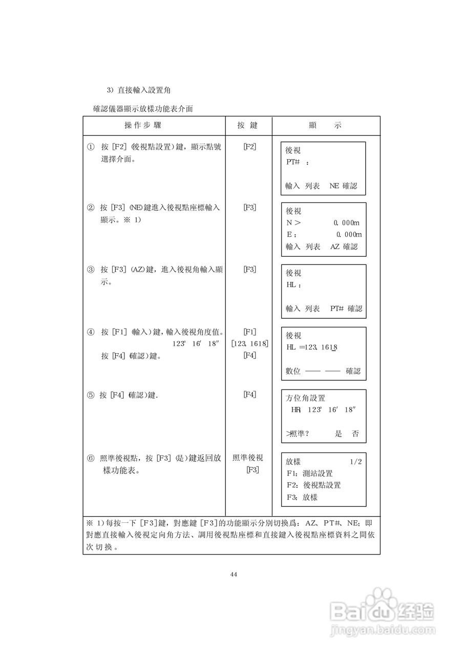
上煇RTS-630全站仪说明书:[6]
2025-12-13 05:19:12
本篇为《上煇RTS-630全站仪说明书》,主要介绍该产品的使用方法以及常见故障解决方案。
(共篇)
上一篇:
|
下一篇:
声明:
本网站引用、摘录或转载内容仅供网站访问者交流或参考,不代表本站立场,如存在版权或非法内容,请联系站长删除,联系邮箱:site.kefu@qq.com。
相关推荐
上煇RTS-630全站仪说明书:[8]
阅读量:188
上煇RTS-630全站仪说明书:[12]
阅读量:62
全站仪使用方法
阅读量:120
全站仪的操作技巧
阅读量:139
全站仪导线测量的方法
阅读量:46
猜你喜欢
129运动及其历史意义
南瓜子仁的功效与作用
致短跑运动员加油稿
石榴皮的作用
小学生环保小知识
艾蒿的作用
运动内衣什么牌子好
迟发性运动障碍
家装小知识
小学生预防传染病知识
猜你喜欢
银杏果的功效与作用
初三数学知识点
有关运动的作文
黄皮果的功效与作用
白茅根的功效与作用
消防知识手抄报内容
风水学入门知识
机油的作用
佳茵益生菌的功效和作用
物流管理专业是干什么的