指南生活
首页
美食营养
手工爱好
生活家居
返回
指南生活
首页
美食营养
游戏数码
手工爱好
生活家居
健康养生
运动户外
职场理财
情感交际
母婴教育
时尚美容
知识问答
生活知识
生活百科
搜索
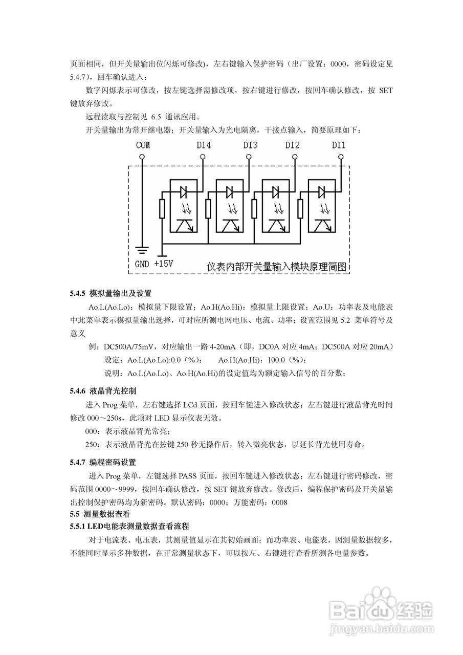
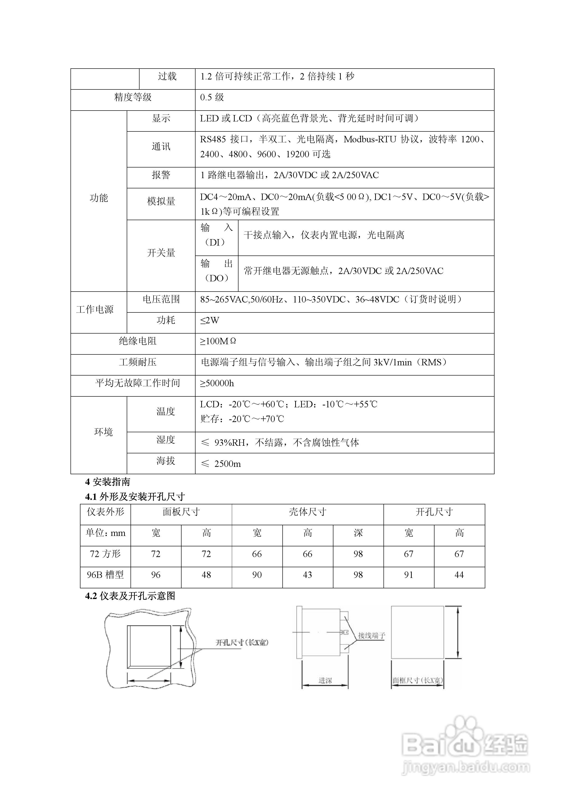
安科瑞PZ系列可编程智能直流电测仪表说明书
2026-04-27 03:14:02
声明:
本网站引用、摘录或转载内容仅供网站访问者交流或参考,不代表本站立场,如存在版权或非法内容,请联系站长删除,联系邮箱:site.kefu@qq.com。
相关推荐
安科瑞 ARD3智能电动机保护器使用说明书:[3]
阅读量:84
安科瑞 ARD3智能电动机保护器使用说明书:[1]
阅读量:112
安科瑞 ARD3智能电动机保护器使用说明书:[2]
阅读量:192
安科瑞 ARD3智能电动机保护器使用说明书:[4]
阅读量:88
安科瑞 ARD3智能电动机保护器使用说明书:[5]
阅读量:51
猜你喜欢
etc是什么意思
什么是工程机
憧憬的意思
杂兴的意思
不由自主的意思
北大校长什么级别
滑铁卢是什么意思
心不在焉的意思
lsp是什么意思啊
什么东西往上升永远掉不下来
猜你喜欢
17度穿什么衣服
tm是什么意思
read是什么意思
tg是什么意思
hbsab阳性是什么意思
女生喝什么茶比较好
目瞪口呆的意思
论证方法及作用
皮包公司是什么意思
pad是什么意思