指南生活
首页
美食营养
手工爱好
生活家居
返回
指南生活
首页
美食营养
游戏数码
手工爱好
生活家居
健康养生
运动户外
职场理财
情感交际
母婴教育
时尚美容
知识问答
生活知识
搜索
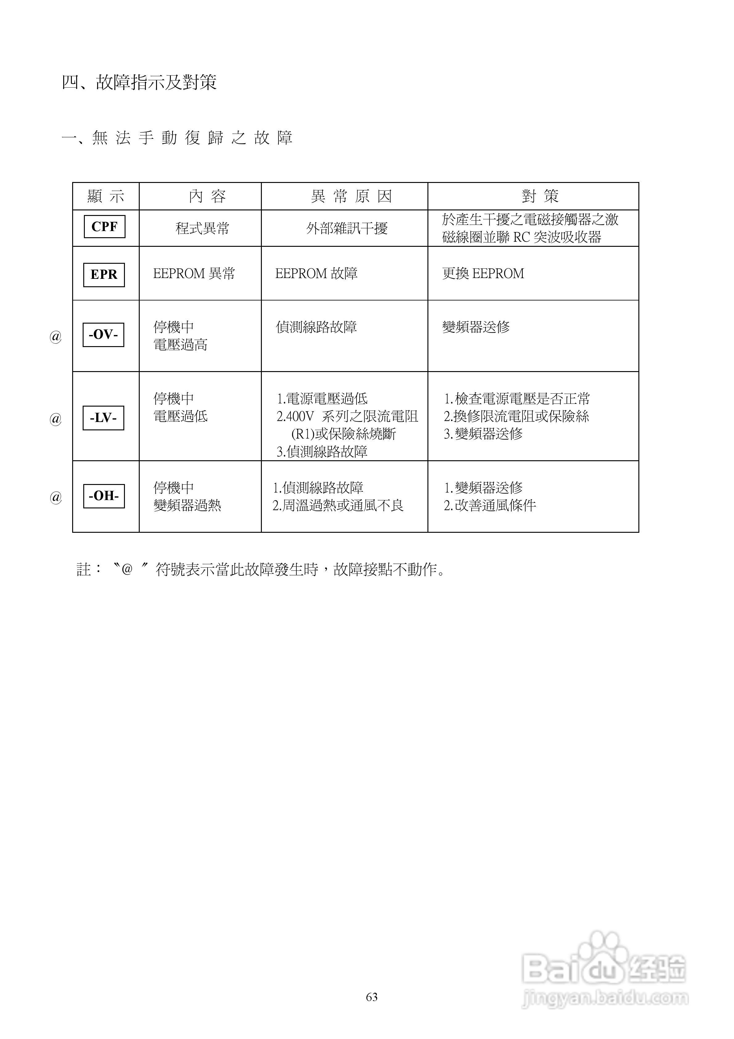
台安T-VERTER V2-460-H3变频器使用手册:[7]
2026-01-27 17:01:57
本篇为《台安T-VERTER V2-460-H3变频器使用手册》,主要介绍该产品的使用方法以及常见故障解决方案。
(共篇)
上一篇:
|
下一篇:
声明:
本网站引用、摘录或转载内容仅供网站访问者交流或参考,不代表本站立场,如存在版权或非法内容,请联系站长删除,联系邮箱:site.kefu@qq.com。
相关推荐
贝壳只好寂寞的躺在那里改为双重否定句怎么改
阅读量:79
苦瓜炒银耳儿
阅读量:21
卡通可爱女孩设计
阅读量:65
开开心心玩游戏(1岁以上幼儿育龄儿童)
阅读量:23
抗战胜利纪念日为主题的手抄报
阅读量:159
猜你喜欢
宝宝流口水是怎么回事
国内旅游景点排名
豆浆和鸡蛋可以一起吃吗
孕妇可以吃山楂
漳州旅游必去十大景点
吃什么可以补白细胞
怎么查qq谁特别关心你
孕妇可以吃哪些零食
用什么洗脸可以祛斑
欧洲旅游
猜你喜欢
梦见去旅游
母乳常温可以放多久
南京韦博英语怎么样
怎么让鼻翼变小
临时身份证多久可以拿到
血气不足怎么调理
哪里可以回收手表
湖州旅游
九色鹿下攻略
凉拌莴笋的做法