指南生活
首页
美食营养
手工爱好
生活家居
返回
指南生活
首页
美食营养
游戏数码
手工爱好
生活家居
健康养生
运动户外
职场理财
情感交际
母婴教育
时尚美容
知识问答
生活知识
生活百科
搜索
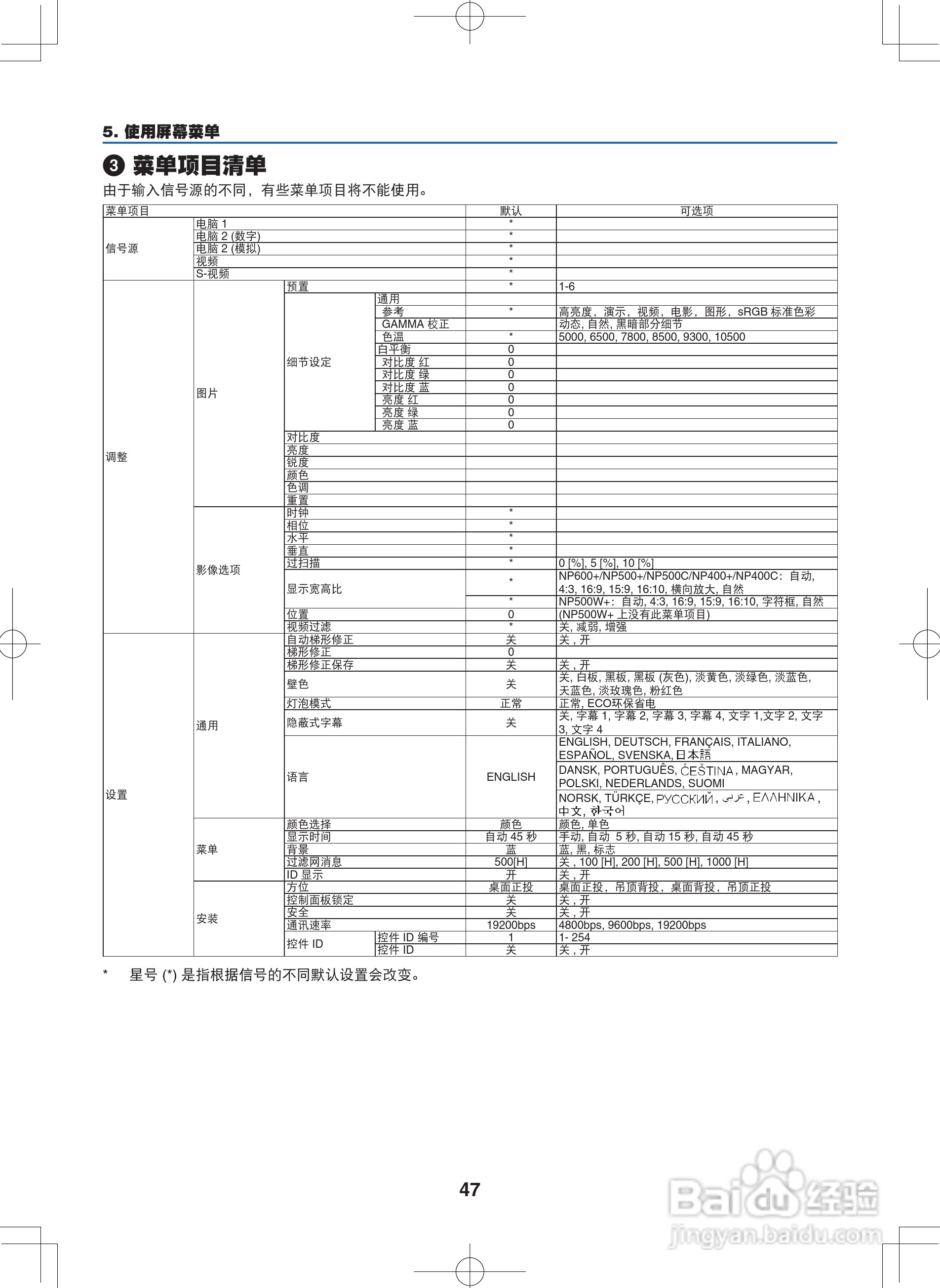
NEC NP400C投影机说明书:[6]
2026-03-26 08:28:18
本篇为《NEC NP400C投影机说明书》,主要介绍该产品的使用方法以及常见故障解决方案。
(共篇)
上一篇:
|
下一篇:
声明:
本网站引用、摘录或转载内容仅供网站访问者交流或参考,不代表本站立场,如存在版权或非法内容,请联系站长删除,联系邮箱:site.kefu@qq.com。
相关推荐
投影机怎样连接使用
阅读量:159
NEC NP400投影机说明书:[6]
阅读量:159
NEC NP400投影机说明书:[10]
阅读量:117
NEC NP4100W+投影机说明书:[11]
阅读量:143
NEC NP4100W+投影机说明书:[14]
阅读量:88
猜你喜欢
支那人是什么意思
放松运动
opposite什么意思
本息是什么意思
spare是什么意思
火星上有什么
igbt是什么
p2c是什么意思
豁然开朗是什么意思
什么让我陶醉
猜你喜欢
金城武姓什么
滴虫是什么原因引起的
运动会广播稿20字
含苞欲放是什么意思
什么是光圈
拜读是什么意思
mango是什么意思
什么是债权人
缺乏维生素b1的症状
汉白玉是什么