指南生活
首页
美食营养
手工爱好
生活家居
返回
指南生活
首页
美食营养
游戏数码
手工爱好
生活家居
健康养生
运动户外
职场理财
情感交际
母婴教育
时尚美容
知识问答
生活知识
生活百科
搜索
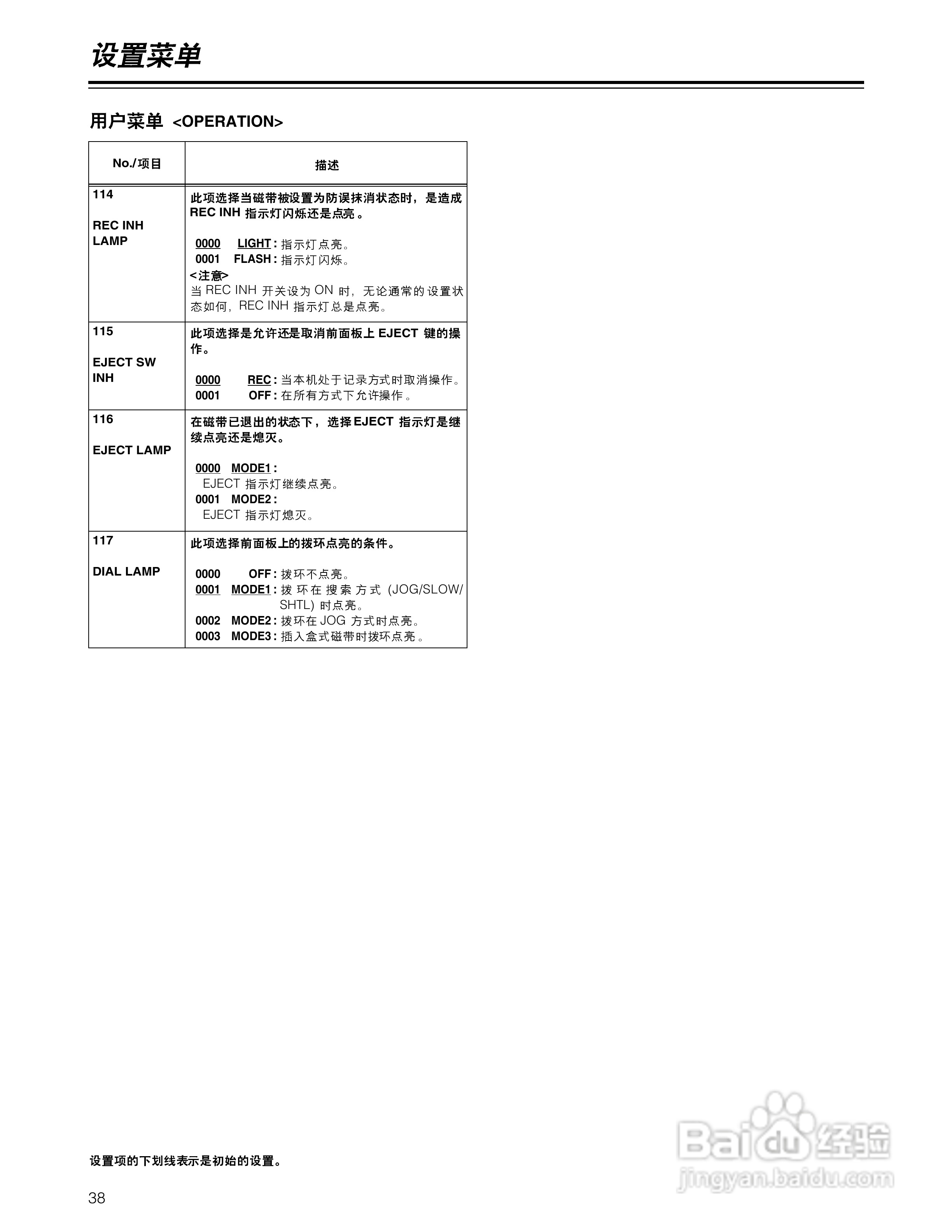
松下AJ-D955BMC数码摄像机说明书:[4]
2026-03-29 00:18:37
本篇为《松下AJ-D955BMC数码摄像机说明书》,主要介绍该产品的使用方法以及常见故障解决方案。
(共篇)
上一篇:
|
下一篇:
声明:
本网站引用、摘录或转载内容仅供网站访问者交流或参考,不代表本站立场,如存在版权或非法内容,请联系站长删除,联系邮箱:site.kefu@qq.com。
相关推荐
2018绵阳一日游最佳景点大全
阅读量:87
无锡人员拟到山东怎样申请山东健康码
阅读量:83
丰子恺字画作品拍卖价格
阅读量:128
如何在热量减肥法APP上估算食物重量?
阅读量:108
面对前列腺炎该有怎样的心态?
阅读量:160
猜你喜欢
参差不齐是什么意思
越狱什么意思
什么是一般过去时
嫩模是什么意思
释然什么意思
鲜为人知什么意思
维生素e外用
缄默什么意思
惠风和畅是什么意思
白色液体是什么
猜你喜欢
amount什么意思
郑重其事是什么意思
nicu是什么意思
什么水果含维生素c
似水流年是什么意思
二级学院是什么意思
apn是什么意思
喝菊花茶有什么好处
幼师资格证面试考什么
致铅球运动员加油稿