指南生活
首页
美食营养
手工爱好
生活家居
返回
指南生活
首页
美食营养
游戏数码
手工爱好
生活家居
健康养生
运动户外
职场理财
情感交际
母婴教育
时尚美容
知识问答
生活知识
生活百科
搜索
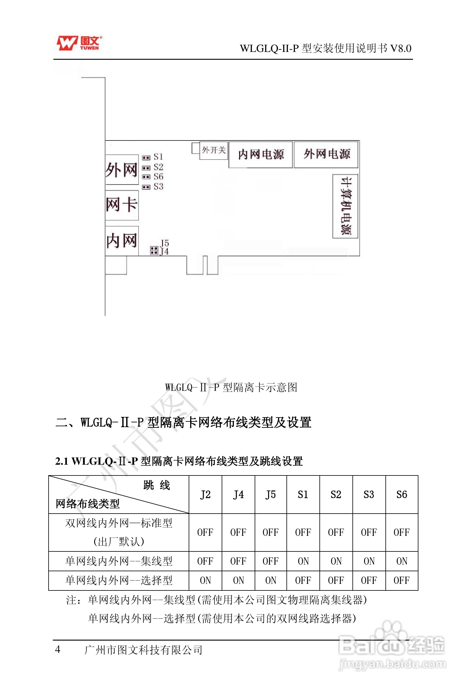
图文隔离卡WLGLQ-II-P型说明书
2026-04-24 00:14:29
声明:
本网站引用、摘录或转载内容仅供网站访问者交流或参考,不代表本站立场,如存在版权或非法内容,请联系站长删除,联系邮箱:site.kefu@qq.com。
相关推荐
图文隔离卡WLGLQ-II-LE型说明书
阅读量:181
图文隔离卡WLGLQ-II-M1型说明书:[3]
阅读量:38
图文隔离卡WLGLQ-II-J2型说明书:[1]
阅读量:97
图文隔离卡WLGLQ-II-JE型说明书
阅读量:176
图文隔离卡WLGLQ-II-J2型说明书:[2]
阅读量:170
猜你喜欢
风流人物的意思
无可奈何是什么意思
两后生是什么意思
昊是什么意思
勿忘蛛结局什么意思
三五成群的意思
云南现在穿什么衣服
张逗张花什么关系
goal是什么意思
迷途知返的意思
猜你喜欢
买车分期付款需要什么手续
什么牌子的月饼好吃
羿的意思
昏迷不醒的意思
夏令时是什么意思
一言难尽的意思
甩干机什么牌子好
eta是什么意思
分歧是什么意思
novel是什么意思