指南生活
首页
美食营养
手工爱好
生活家居
返回
指南生活
首页
美食营养
游戏数码
手工爱好
生活家居
健康养生
运动户外
职场理财
情感交际
母婴教育
时尚美容
知识问答
生活知识
生活百科
搜索
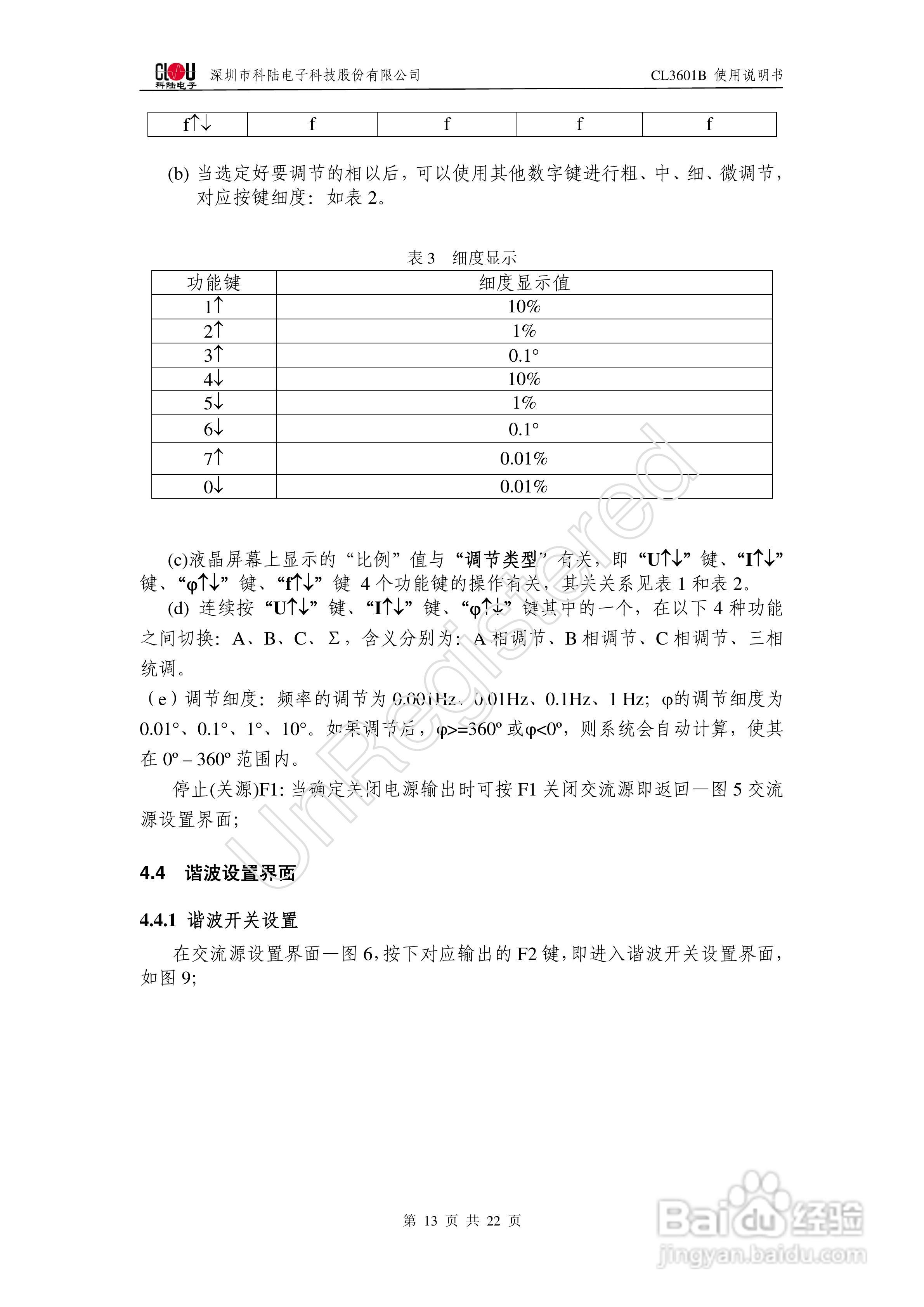
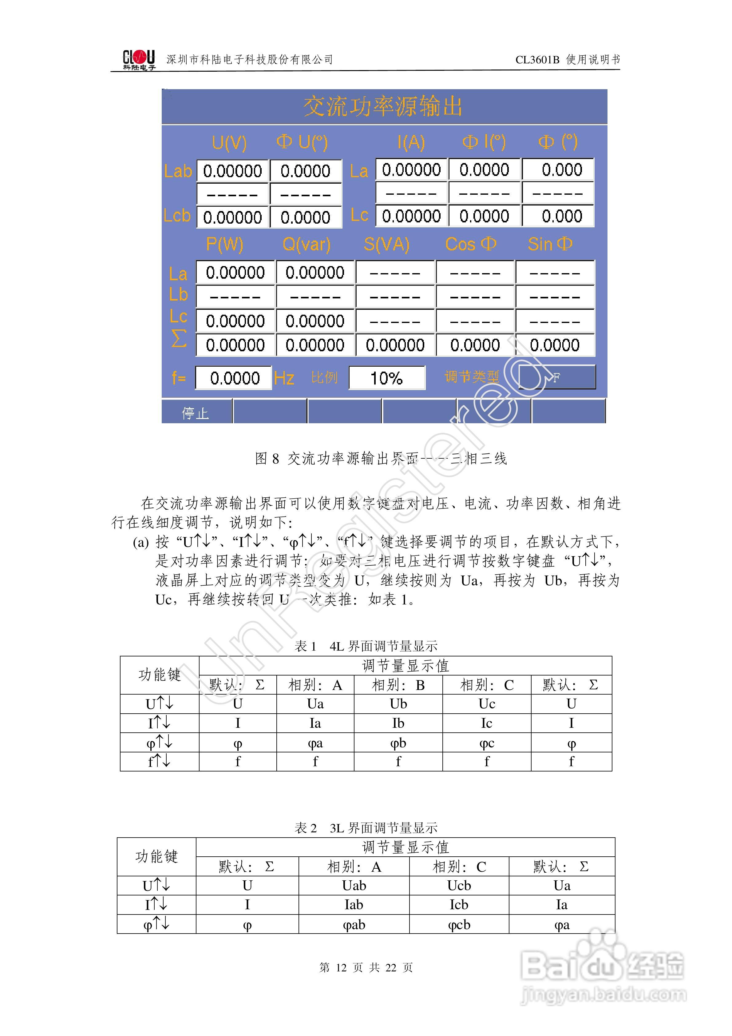
科陆电子 CL3601B三相交直流仪表检验装置使用说明书:[2]
2026-03-29 21:12:17
本篇为《科陆电子 CL3601B三相交直流仪表检验装置使用说明书》,主要介绍该产品的使用方法以及常见故障解决方案。
(共篇)
上一篇:
|
下一篇:
声明:
本网站引用、摘录或转载内容仅供网站访问者交流或参考,不代表本站立场,如存在版权或非法内容,请联系站长删除,联系邮箱:site.kefu@qq.com。
相关推荐
科陆电子CL301V2-R RTU检验装置使用说明书:[6]
阅读量:72
科陆电子CL301V2-R RTU检验装置使用说明书:[4]
阅读量:188
科陆电子CL301V2-R RTU检验装置使用说明书:[5]
阅读量:196
科陆电子CL112V2手持式单相电能表校验仪使用说明书:[3]
阅读量:158
科陆电子CL3611/3612单相交直流仪表检定装置使用说明:[2]
阅读量:47
猜你喜欢
减肥仪器
佳能18-200镜头怎么样
公交卡消磁了怎么办
网络密码怎么修改
工作思路怎么写
圣安地列斯怎么偷东西
舟山攻略
命运石之门攻略
青春痘怎么治疗
柚子减肥
猜你喜欢
川藏线旅游攻略
西安交通大学城市学院怎么样
佳能18-200镜头怎么样
红烧小黄鱼
田老师红烧肉加盟
naxx攻略
减肥神器
海心沙怎么去
青少年减肥
名人简介