指南生活
首页
美食营养
手工爱好
生活家居
返回
指南生活
首页
美食营养
游戏数码
手工爱好
生活家居
健康养生
运动户外
职场理财
情感交际
母婴教育
时尚美容
搜索
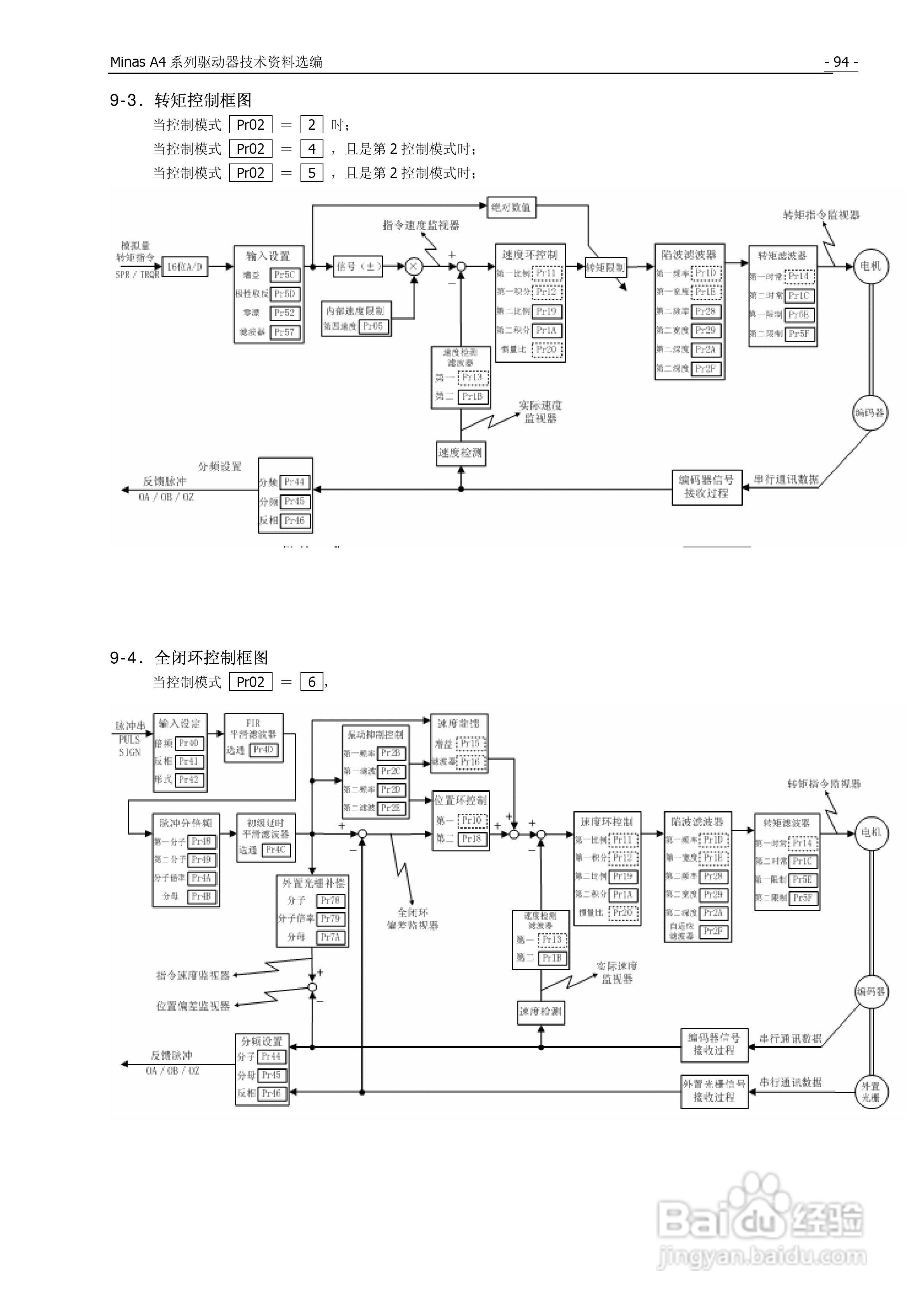
松下Mknas系列AC伺服驱动器说明书:[10]
2025-10-19 13:22:20
本篇为《松下Mknas系列AC伺服驱动器说明书》,主要介绍该产品的使用方法以及常见故障解决方案。
(共篇)
上一篇:
声明:
本网站引用、摘录或转载内容仅供网站访问者交流或参考,不代表本站立场,如存在版权或非法内容,请联系站长删除,联系邮箱:site.kefu@qq.com。
相关推荐
松下Mknas系列AC伺服驱动器说明书:[3]
阅读量:128
松下Mknas系列AC伺服驱动器说明书:[5]
阅读量:177
松下a6伺服集电极怎么接线
阅读量:151
如何开发AC产品
阅读量:37
51的AC软件怎么使用
阅读量:126
猜你喜欢
烫伤起泡怎么办
针眼怎么快速治疗
昂克赛拉怎么样
精子畸形率高怎么办
坐车晕车怎么办
琴谱怎么看
脚热是怎么回事
痘痘怎么消除
丰田怎么样
怎么祛眼袋
猜你喜欢
电信积分怎么兑换话费
怀孕一个月怎么打胎
下巴长疙瘩怎么回事
我的世界发射器怎么用
雅思准考证怎么打印
dinosaur怎么读
韭菜炒鸡蛋怎么做好吃
输入法不见了怎么恢复
怎么兼职赚钱
上海九龙男子医院怎么样