指南生活
首页
美食营养
手工爱好
生活家居
返回
指南生活
首页
美食营养
游戏数码
手工爱好
生活家居
健康养生
运动户外
职场理财
情感交际
母婴教育
时尚美容
知识问答
生活知识
搜索
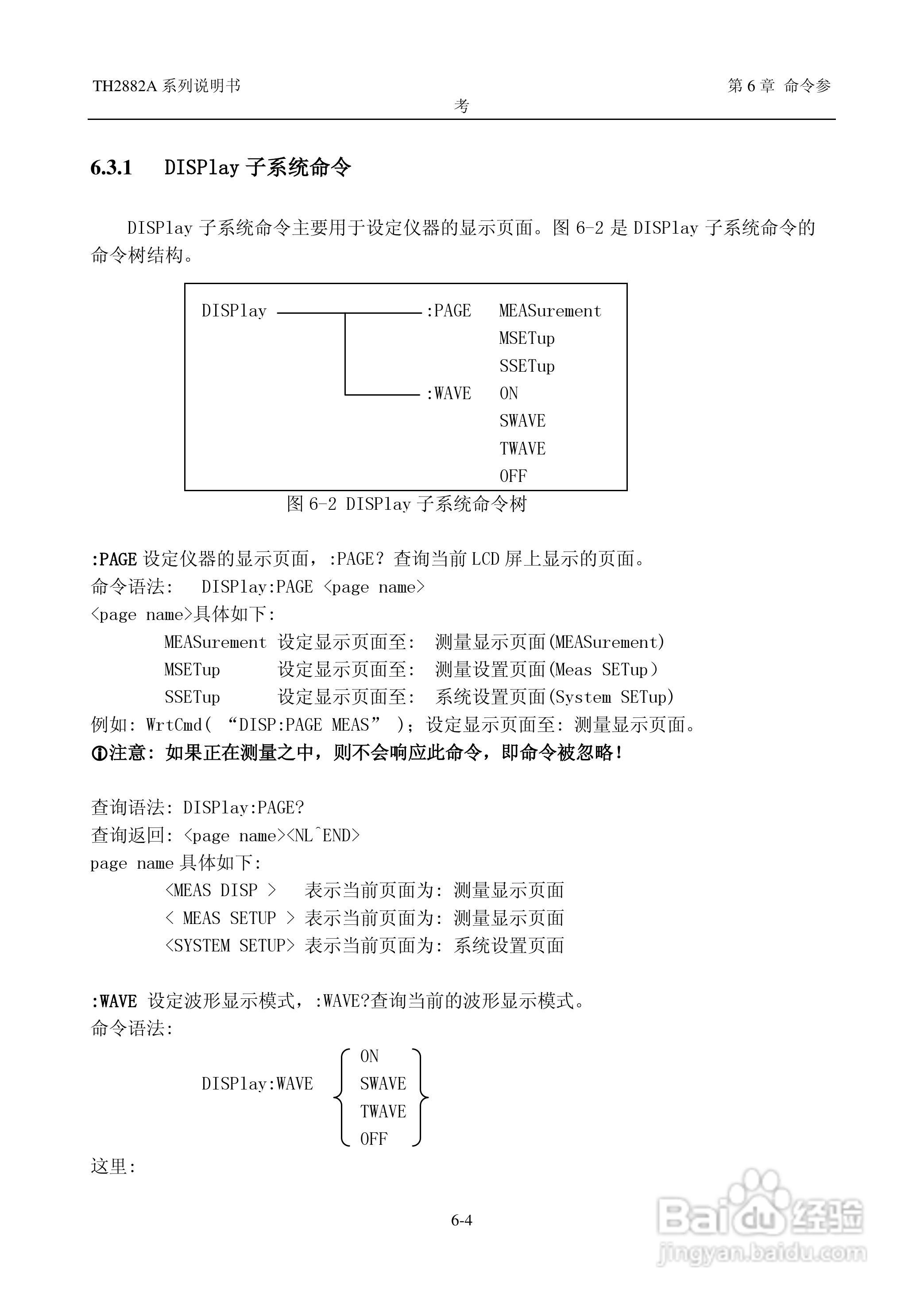
锦流源电子TH2882A-3 -5线圈类匝间绝缘测试仪说明书:[6]
2026-03-16 15:46:01
本篇为《锦流源电子TH2882A-3 -5线圈类匝间绝缘测试仪说明书》,主要介绍该产品的使用方法以及常见故障解决方案。
(共篇)
上一篇:
|
下一篇:
声明:
本网站引用、摘录或转载内容仅供网站访问者交流或参考,不代表本站立场,如存在版权或非法内容,请联系站长删除,联系邮箱:site.kefu@qq.com。
相关推荐
锦流源电子TH2776电感测试仪说明书:[3]
阅读量:156
锦流源电子TH2619大电容测试仪说明书:[3]
阅读量:154
常州同惠TH2882系列脉冲式线圈测试仪说明书:[3]
阅读量:155
南京长盛CS9918N匝间绝缘耐压测试仪说明书:[3]
阅读量:72
DCJY-80S绝缘油介电强度测试仪 使用说明书
阅读量:152
猜你喜欢
tx什么意思
三类人员是什么
乡里别长沙话什么意思
三代还宗什么意思
不惑之年是什么意思
报纸排版用什么软件
八万左右买什么车好
两后生是什么意思
运动传感器
monitor是什么意思
猜你喜欢
82年属什么生肖
system什么意思
萝卜咸菜的腌制方法
夜市摆摊什么最好卖利润高
death是什么意思
大学运动会加油稿
缺乏维生素c
梦到着火是什么意思
李世民是什么生肖
重油是什么