指南生活
首页
美食营养
手工爱好
生活家居
返回
指南生活
首页
美食营养
游戏数码
手工爱好
生活家居
健康养生
运动户外
职场理财
情感交际
母婴教育
时尚美容
知识问答
生活知识
搜索
技嘉 GA-8IG1000 Pro-G主板说明书:[2]
2025-12-30 19:03:36
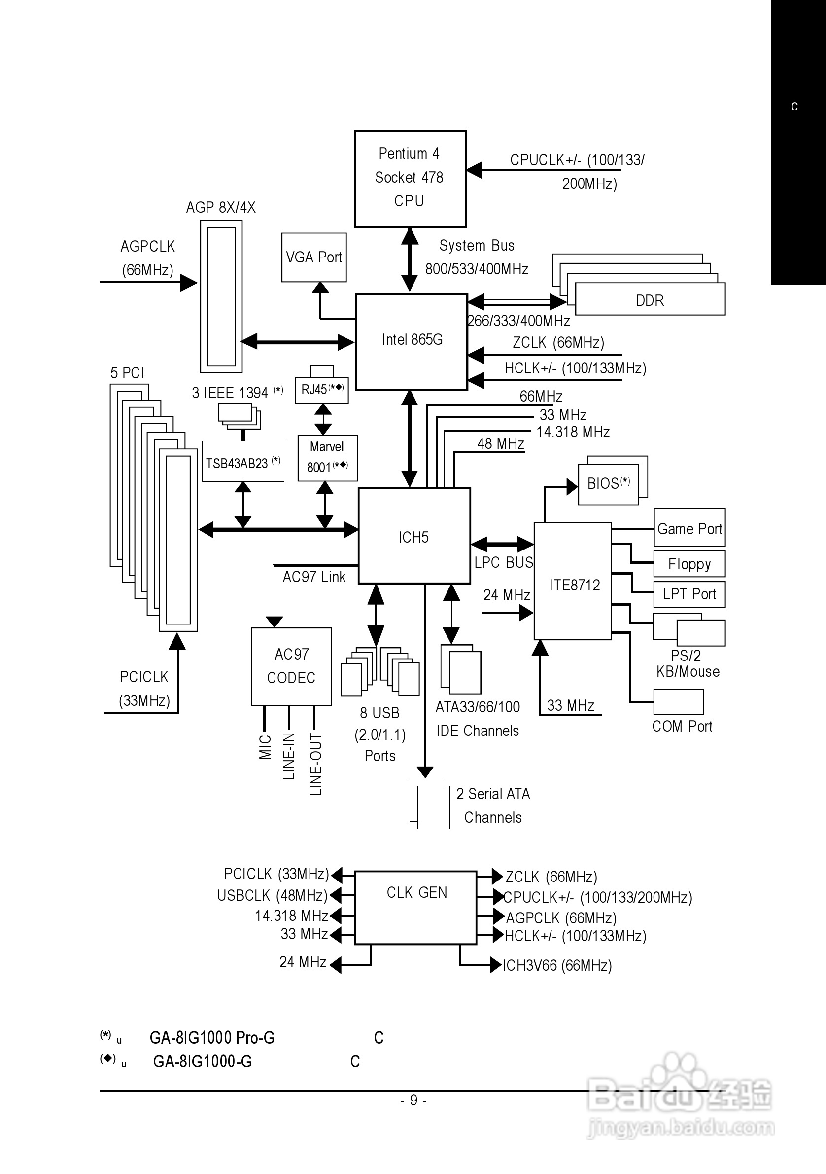
本篇为《技嘉 GA-8IG1000 Pro-G主板说明书》,主要介绍该产品的使用方法以及常见故障解决方案。
(共篇)
上一篇:
|
下一篇:
声明:
本网站引用、摘录或转载内容仅供网站访问者交流或参考,不代表本站立场,如存在版权或非法内容,请联系站长删除,联系邮箱:site.kefu@qq.com。
相关推荐
技嘉 GA-8IG1000 Pro-G主板说明书:[8]
阅读量:132
技嘉 GA-8IG1000 Pro-G主板说明书:[10]
阅读量:173
技嘉 GA-8IG1000 Pro-G主板说明书:[4]
阅读量:95
技嘉主板bios升级教程
阅读量:186
技嘉主板怎么进bios
阅读量:163
猜你喜欢
芙蓉石的功效与作用
初二英语上册知识点
赞跳远运动员
绿幽灵的功效与作用
肾上腺素的作用
草果的功效与作用
藿香正气水的作用
军人运动会
菩提子的作用
芡实的作用与功效
猜你喜欢
李宁牌运动鞋
碧根果的功效与作用
猫爪草的功效与作用
桌旗的作用
催化剂的作用
黄瓜籽粉的功效与作用
什么样的书最香
什么是一体机
六君子丸的功效与作用
土霉素的作用