指南生活
首页
美食营养
手工爱好
生活家居
返回
指南生活
首页
美食营养
游戏数码
手工爱好
生活家居
健康养生
运动户外
职场理财
情感交际
母婴教育
时尚美容
知识问答
生活知识
搜索
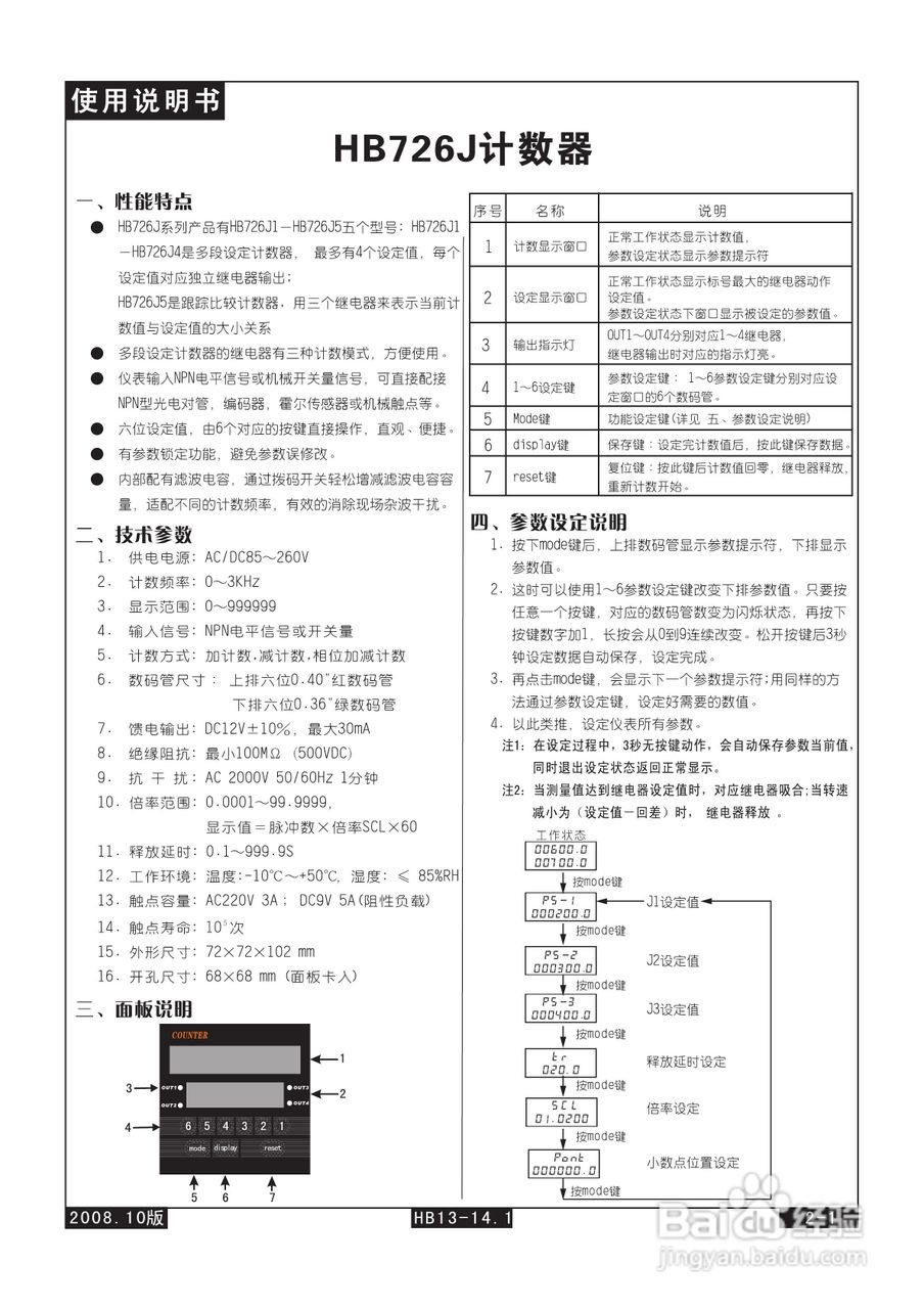
HB726J 计数器使用说明书
2025-11-26 17:52:48
声明:
本网站引用、摘录或转载内容仅供网站访问者交流或参考,不代表本站立场,如存在版权或非法内容,请联系站长删除,联系邮箱:site.kefu@qq.com。
相关推荐
看青州手机app客户端
阅读量:123
[经验团]封杀老婆双十一购物八大神技,本人亲测
阅读量:48
苹果6S怎么查生产日期
阅读量:74
iphone怎么修改Safari浏览器的搜索引擎?
阅读量:130
如何使用Asterisk
阅读量:134
猜你喜欢
老是放屁是什么原因
0cr18ni9是什么材质
太子龙男装什么档次
酱是什么意思
黑眼圈很重是什么原因
和彩云是什么
forget什么意思
手机app是什么意思
new什么意思
十九大什么时候召开
猜你喜欢
数控技术是什么
炖羊肉放什么调料
什么是国债
股份制企业是什么意思
台湾228事件是什么
素圈戒指是什么意思
文昌是什么意思
汽车abs是什么意思
小三是什么意思
卵巢囊肿是什么原因引起的