指南生活
首页
美食营养
手工爱好
生活家居
返回
指南生活
首页
美食营养
游戏数码
手工爱好
生活家居
健康养生
运动户外
职场理财
情感交际
母婴教育
时尚美容
知识问答
生活知识
搜索
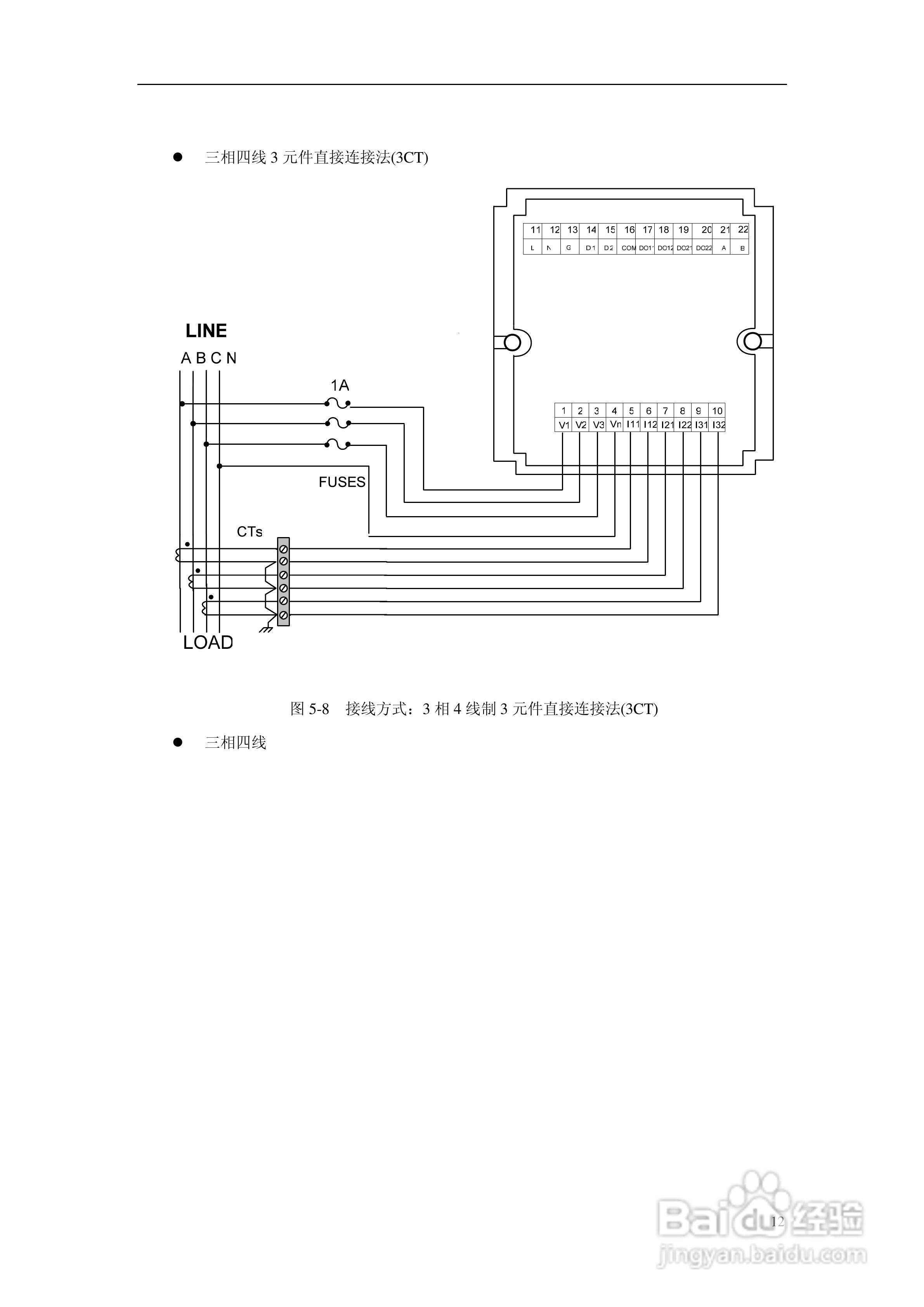
46系列智能配电仪表说明书:[2]
2025-12-20 07:57:05
本篇为《46系列智能配电仪表说明书》,主要介绍该产品的使用方法以及常见故障解决方案。
(共篇)
上一篇:
|
下一篇:
声明:
本网站引用、摘录或转载内容仅供网站访问者交流或参考,不代表本站立场,如存在版权或非法内容,请联系站长删除,联系邮箱:site.kefu@qq.com。
相关推荐
46系列智能配电仪表说明书:[3]
阅读量:87
LSA1420智能配电仪表说明书:[2]
阅读量:117
LSA1420智能配电仪表说明书:[4]
阅读量:81
LSA1420智能配电仪表说明书:[3]
阅读量:82
船用配电装置分类
阅读量:68
猜你喜欢
负荆请罪的负是什么意思
韩国购物买什么
元宵节祝福语
major是什么意思
谴责的意思
出世入世什么意思
帽子戏法是什么意思
爸爸生日快乐祝福语
嘲笑的意思
日本代购什么比较好
猜你喜欢
弯的是什么意思
带玉手镯有什么好处
灯下黑是什么意思
洗车店需要什么手续
sail是什么意思
not at all是什么意思
8到10万买什么车好
领导生日祝福语
健身车什么牌子好
什么动物天天熬夜?