指南生活
首页
美食营养
手工爱好
生活家居
返回
指南生活
首页
美食营养
游戏数码
手工爱好
生活家居
健康养生
运动户外
职场理财
情感交际
母婴教育
时尚美容
知识问答
生活知识
生活百科
搜索
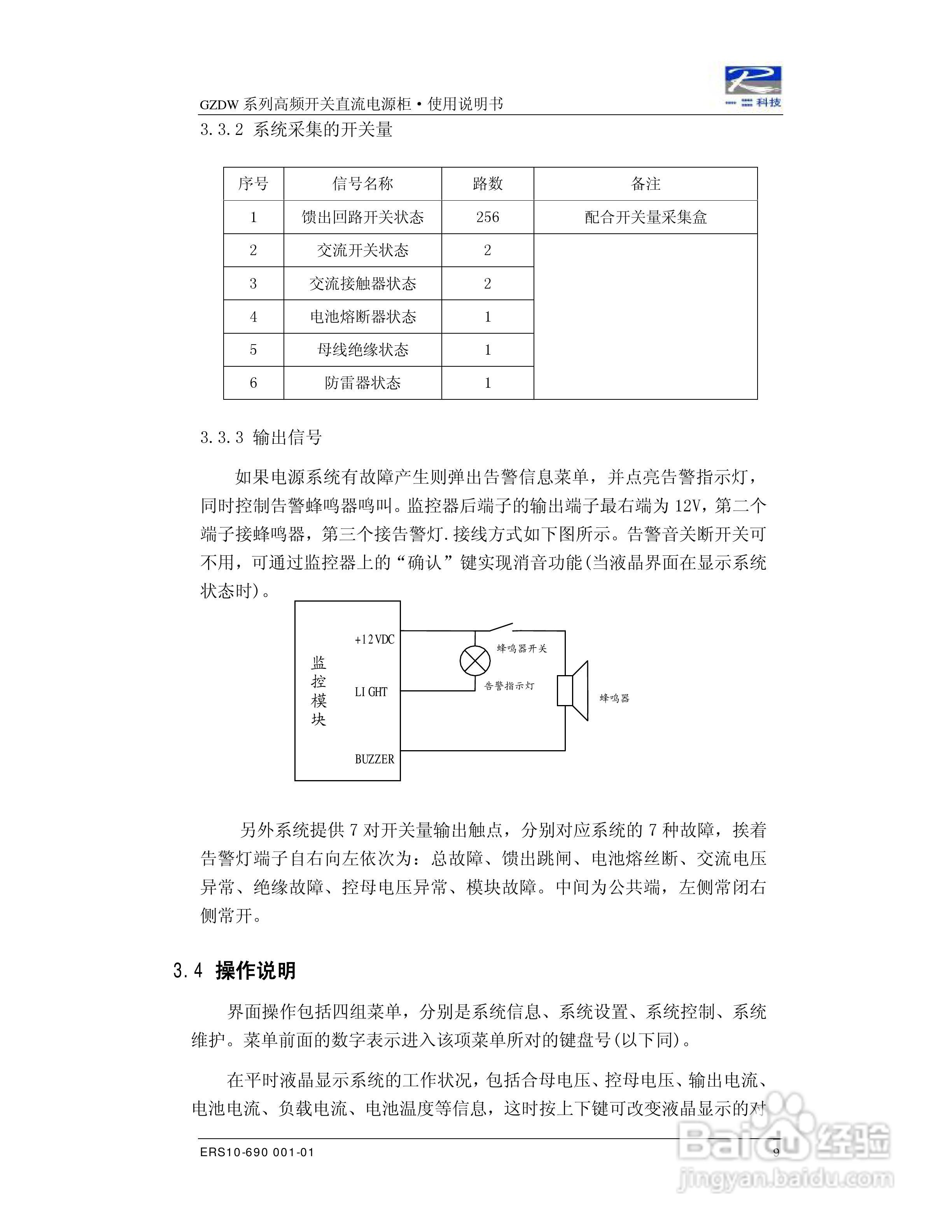
ER-GZDW高频开关直流电源柜说明书:[2]
2026-05-17 04:36:53
本篇为《ER-GZDW高频开关直流电源柜说明书》,主要介绍该产品的使用方法以及常见故障解决方案。
(共篇)
上一篇:
|
下一篇:
声明:
本网站引用、摘录或转载内容仅供网站访问者交流或参考,不代表本站立场,如存在版权或非法内容,请联系站长删除,联系邮箱:site.kefu@qq.com。
相关推荐
ER-GZDW高频开关直流电源柜说明书:[4]
阅读量:129
GZDW微机自控高频开关电源直流系统使用说明书:[1]
阅读量:42
h3c er2100n无线如何设置
阅读量:30
怎么画er图?
阅读量:147
如何使用EA工具画ER图?
阅读量:114
猜你喜欢
menu是什么意思
第一学历是什么意思
十五万左右买什么车好
撰写是什么意思
pay是什么意思
怀孕20天有什么症状
吃干桂圆有什么好处
rear是什么意思车上的
christmas是什么意思
见异思迁的意思
猜你喜欢
黄褐斑是什么样的
情不自禁的意思
solo是什么意思
wuli是什么意思
什么是服务质量
同气是指什么关系
哀莫大于心死是什么意思
lucy是什么意思
市场营销属于什么类
证券从业资格证有什么用