指南生活
首页
美食营养
手工爱好
生活家居
返回
指南生活
首页
美食营养
游戏数码
手工爱好
生活家居
健康养生
运动户外
职场理财
情感交际
母婴教育
时尚美容
知识问答
生活知识
生活百科
搜索
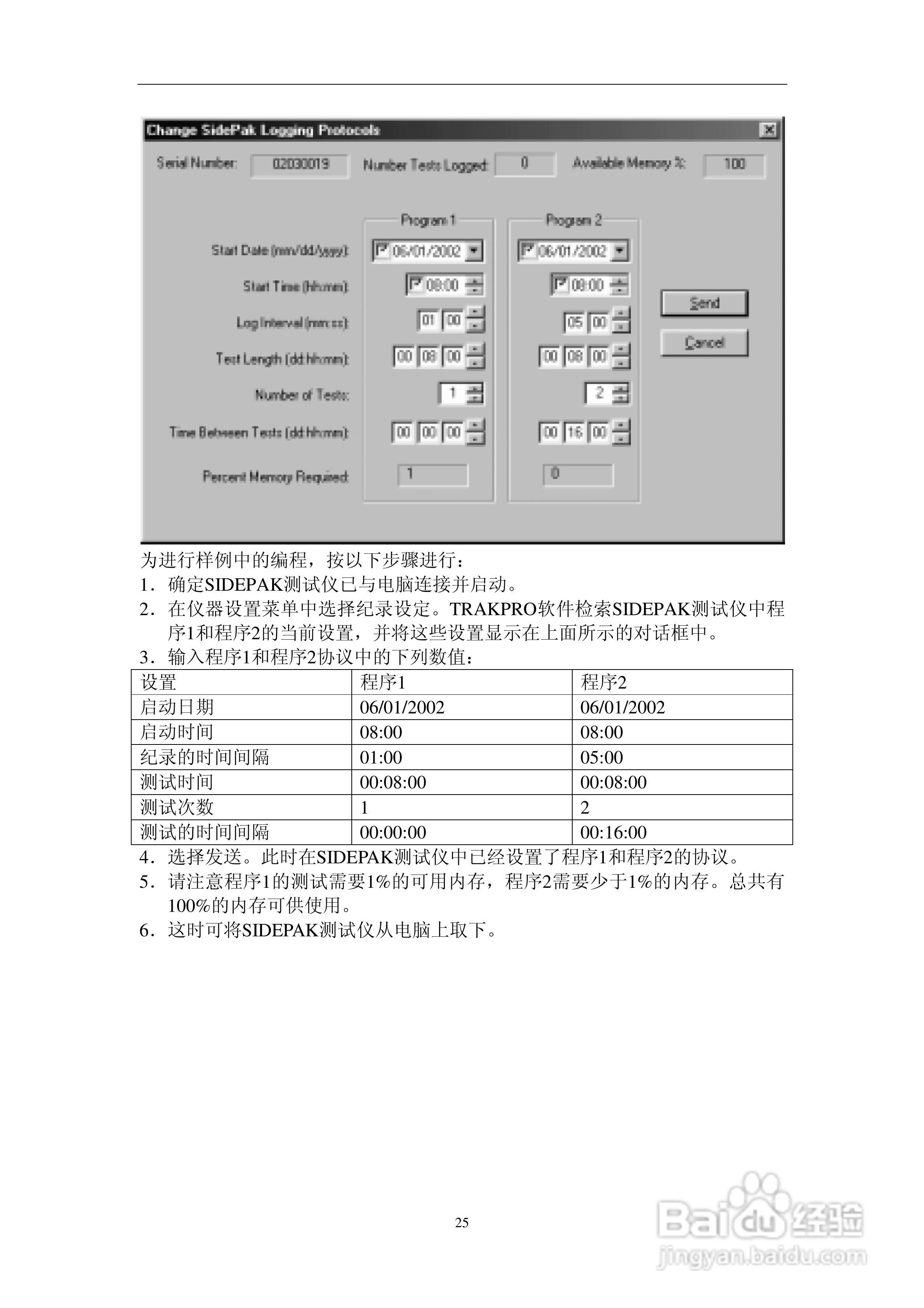
AM-510智能防爆粉尘测试仪说明书:[4]
2026-03-31 00:47:39
本篇为《AM-510智能防爆粉尘测试仪说明书》,主要介绍该产品的使用方法以及常见故障解决方案。
(共篇)
上一篇:
|
下一篇:
声明:
本网站引用、摘录或转载内容仅供网站访问者交流或参考,不代表本站立场,如存在版权或非法内容,请联系站长删除,联系邮箱:site.kefu@qq.com。
相关推荐
SIDEPAK AM510个人粉尘仪说明书:[4]
阅读量:185
SIDEPAK AM510个人粉尘仪说明书:[3]
阅读量:80
SIDEPAK AM510个人粉尘仪说明书:[1]
阅读量:55
SIDEPAK AM510个人粉尘仪说明书:[6]
阅读量:34
汇分电子SIDEPAK AM510个人粉尘仪说明书:[6]
阅读量:48
猜你喜欢
什么是商业模式
硬盘是什么
高考600分能上什么大学
宫颈癌是什么原因引起的
什么是记叙文
刻公章需要什么手续
楔子是什么意思
西安有什么好玩的地方或者景点
耳鸣是什么原因
广告费计入什么科目
猜你喜欢
彤是什么意思
中专是什么
copy是什么意思
高达是什么
小学什么时候放暑假
什么名字好听又有内涵
保险丝是什么材料
布洛芬是什么药
调研员是什么级别
上升星座代表什么