指南生活
首页
美食营养
手工爱好
生活家居
返回
指南生活
首页
美食营养
游戏数码
手工爱好
生活家居
健康养生
运动户外
职场理财
情感交际
母婴教育
时尚美容
知识问答
生活知识
生活百科
搜索
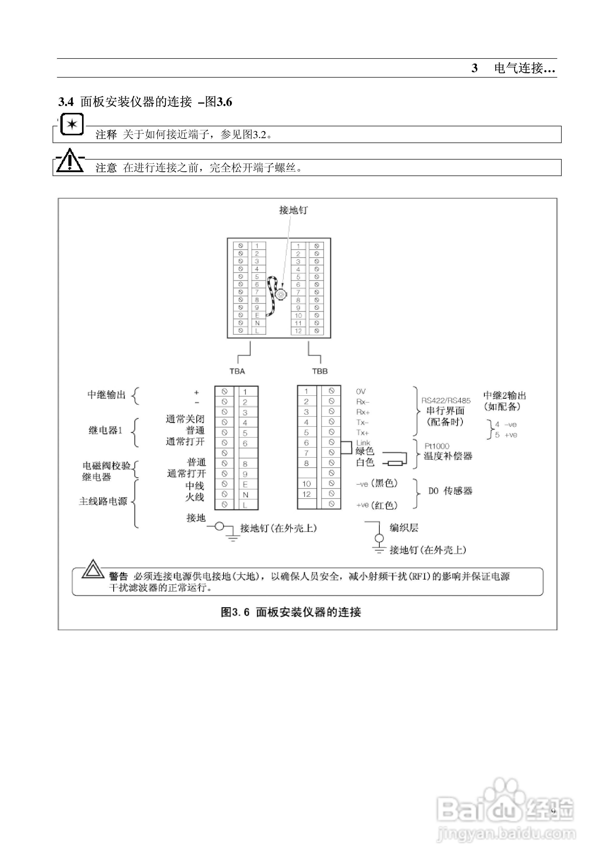
ABB Analyze 高低浓度溶解氧监测仪9438用户手册:[2]
2026-05-21 19:58:29
本篇为《ABB Analyze 高低浓度溶解氧监测仪9438用户手册》,主要介绍该产品的使用方法以及常见故障解决方案。
(共篇)
上一篇:
|
下一篇:
声明:
本网站引用、摘录或转载内容仅供网站访问者交流或参考,不代表本站立场,如存在版权或非法内容,请联系站长删除,联系邮箱:site.kefu@qq.com。
相关推荐
溶解氧检测仪电极操作
阅读量:102
水产养殖中溶解氧的测定
阅读量:115
便携式溶解氧仪的使用
阅读量:22
溶解氧传感器的工作原理
阅读量:40
Analyze地址无法全部显示怎么解决
阅读量:36
猜你喜欢
如何改ip
圣安地列斯怎么跳
如何鉴别玉的真假
抽筋是什么原因
转氨酶高是怎么回事有什么危害
生活需要挫折
如何办理公积金贷款
暂住证如何办理
小熊酸奶机怎么做酸奶
怎么查看qq登陆记录
猜你喜欢
app如何制作
如何学会做生意
失枕脖子痛怎么办
如何治疗色斑
臭豆腐的汁怎么做
cad是什么
拘留所的真实生活
现在投资商铺怎么样
如何选择燃气热水器
对偶是什么意思