指南生活
首页
美食营养
手工爱好
生活家居
返回
指南生活
首页
美食营养
游戏数码
手工爱好
生活家居
健康养生
运动户外
职场理财
情感交际
母婴教育
时尚美容
知识问答
生活知识
生活百科
搜索
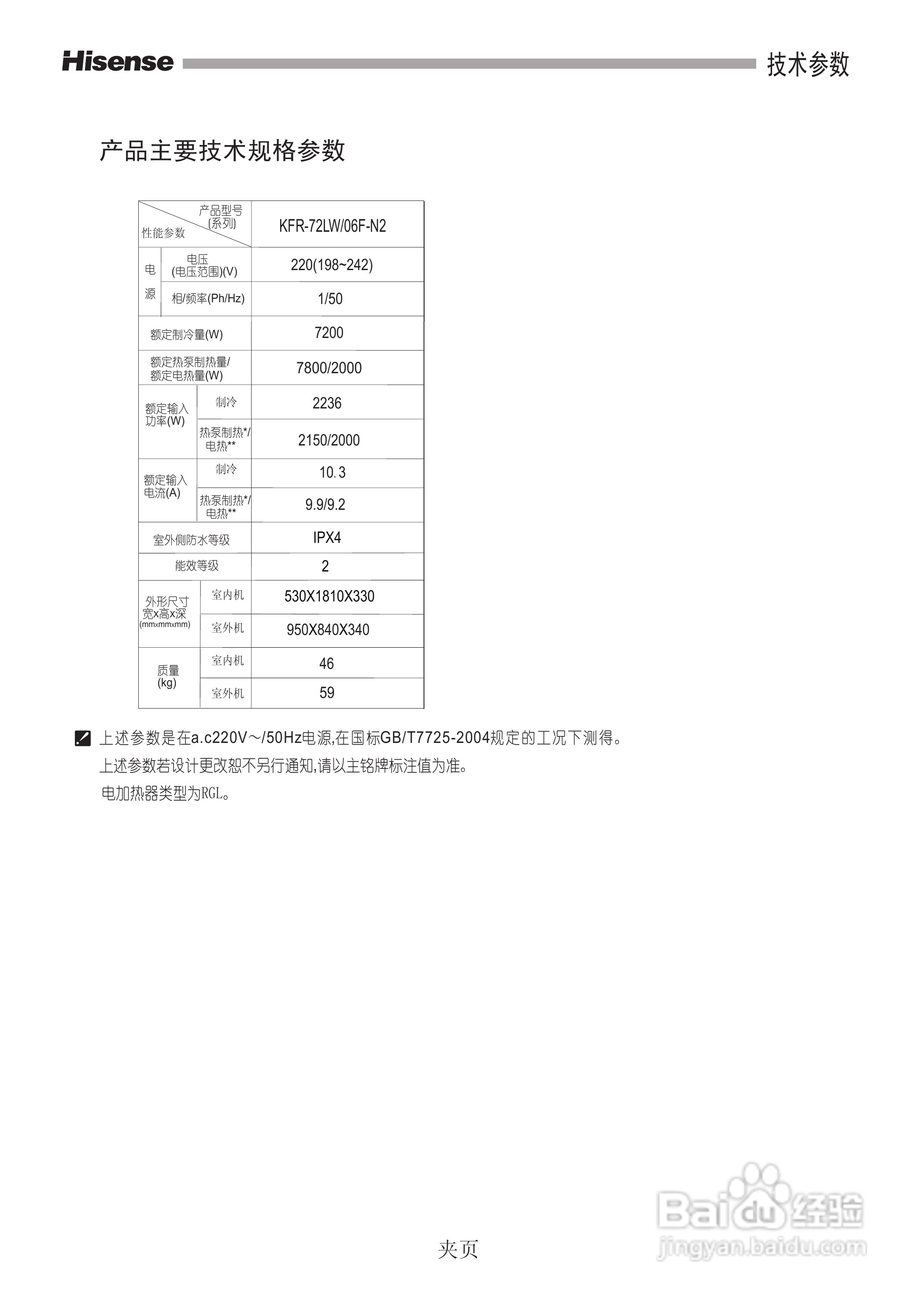
海信KFR-72LW/06F-N2空调器安装使用说明书:[3]
2026-04-22 03:49:36
(共篇)
上一篇:
声明:
本网站引用、摘录或转载内容仅供网站访问者交流或参考,不代表本站立场,如存在版权或非法内容,请联系站长删除,联系邮箱:site.kefu@qq.com。
相关推荐
海信空调器KFR-72LW/36FZBp型使用说明书:[2]
阅读量:79
海信空调器KFR-72LW/27ZBp型使用说明书:[2]
阅读量:78
海信空调器KFR-72LW/08FZBp型使用说明书:[2]
阅读量:56
海信空调器KFR-72LW/08FZBpC型使用说明书:[2]
阅读量:107
海信空调器KFR-72LW/57SD型使用说明书:[3]
阅读量:93
猜你喜欢
nt是什么检查
1974年属什么
什么是唐卡
决算是什么意思
职业资格证书有什么用
官家是什么意思
inspiration是什么意思
乙脑疫苗什么时候打
我的梦想是什么
人言可畏是什么意思
猜你喜欢
津津乐道是什么意思
见红是什么意思
什么是定速巡航
韬光养晦是什么意思是什么
daily是什么意思
电脑电源什么牌子好
滔滔不绝的近义词是什么
固态硬盘是什么
专业技术资格是什么
review是什么意思