指南生活
首页
美食营养
手工爱好
生活家居
返回
指南生活
首页
美食营养
游戏数码
手工爱好
生活家居
健康养生
运动户外
职场理财
情感交际
母婴教育
时尚美容
知识问答
生活知识
生活百科
搜索
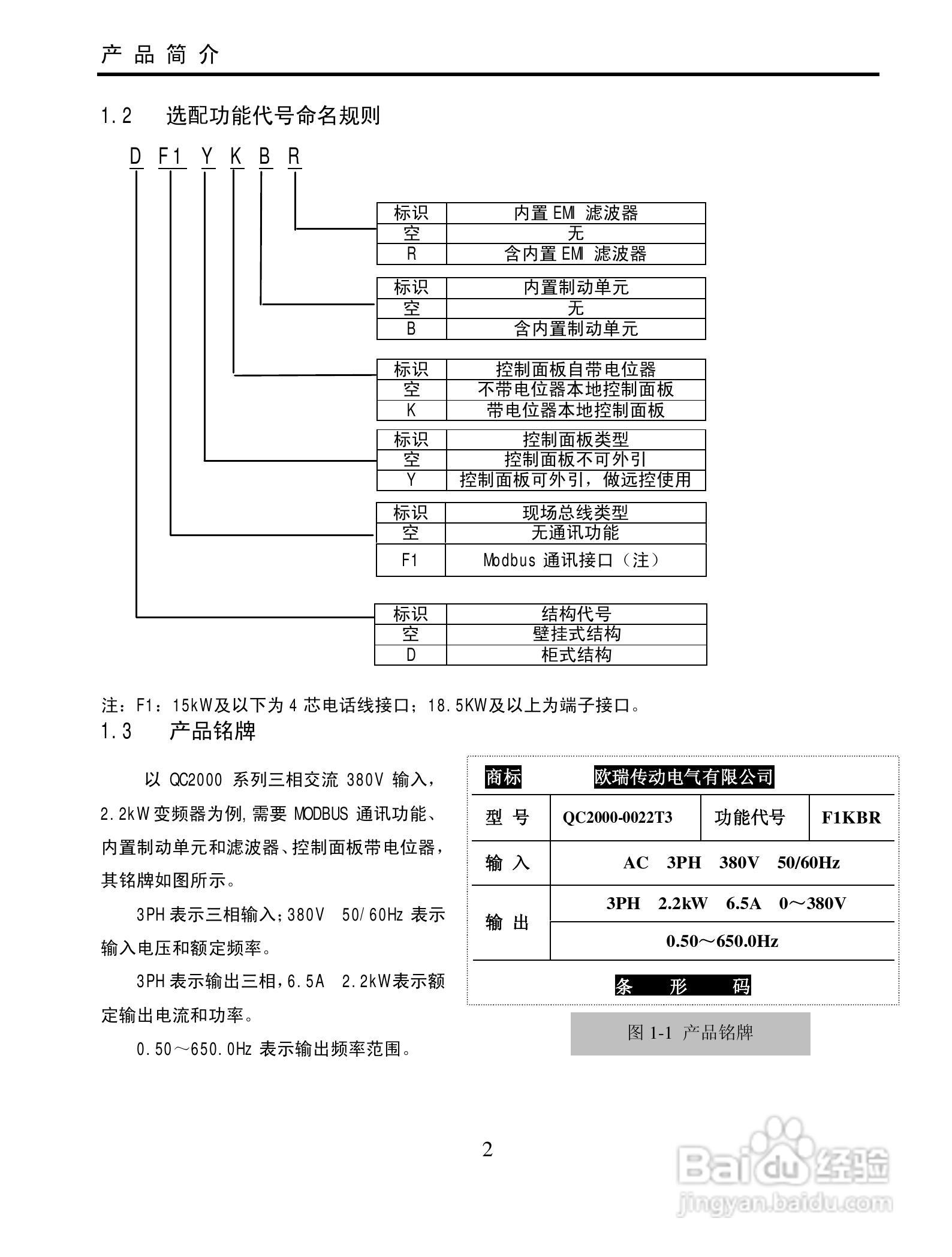
欧瑞QC2000-4500T3变频器使用说明书:[1]
2026-03-31 22:09:31
本篇为《欧瑞QC2000-4500T3变频器使用说明书》,主要介绍该产品的使用方法以及常见故障解决方案。
(共篇)
下一篇:
声明:
本网站引用、摘录或转载内容仅供网站访问者交流或参考,不代表本站立场,如存在版权或非法内容,请联系站长删除,联系邮箱:site.kefu@qq.com。
相关推荐
欧瑞QC2000-4500T3变频器使用说明书:[16]
阅读量:125
欧瑞QC1000-4000T3变频器使用说明书:[1]
阅读量:150
欧瑞QC1000-4000T3变频器使用说明书:[2]
阅读量:131
欧瑞QC1000-4000T3变频器使用说明书:[14]
阅读量:102
使用说明书封面怎么做
阅读量:193
猜你喜欢
双眼皮贴怎么用
龙文教育怎么样
治疗失眠的最好方法
puk码解锁方法
煮汤圆的方法
怎么看自己的显卡
蜈蚣咬伤的救治方法
云南农业大学怎么样
王俊凯图片大全最帅
女生头像大全
猜你喜欢
酷开电视质量怎么样
手心热是怎么回事
防止脱发的最好方法
怎么看自己电脑型号
马鲛鱼最好吃的做法
古诗大全
波斯菊的种植方法
凹凸五笔怎么打
支气管哮喘的治疗方法
糖醋白菜的家常做法