指南生活
首页
美食营养
手工爱好
生活家居
返回
指南生活
首页
美食营养
游戏数码
手工爱好
生活家居
健康养生
运动户外
职场理财
情感交际
母婴教育
时尚美容
知识问答
生活知识
生活百科
搜索
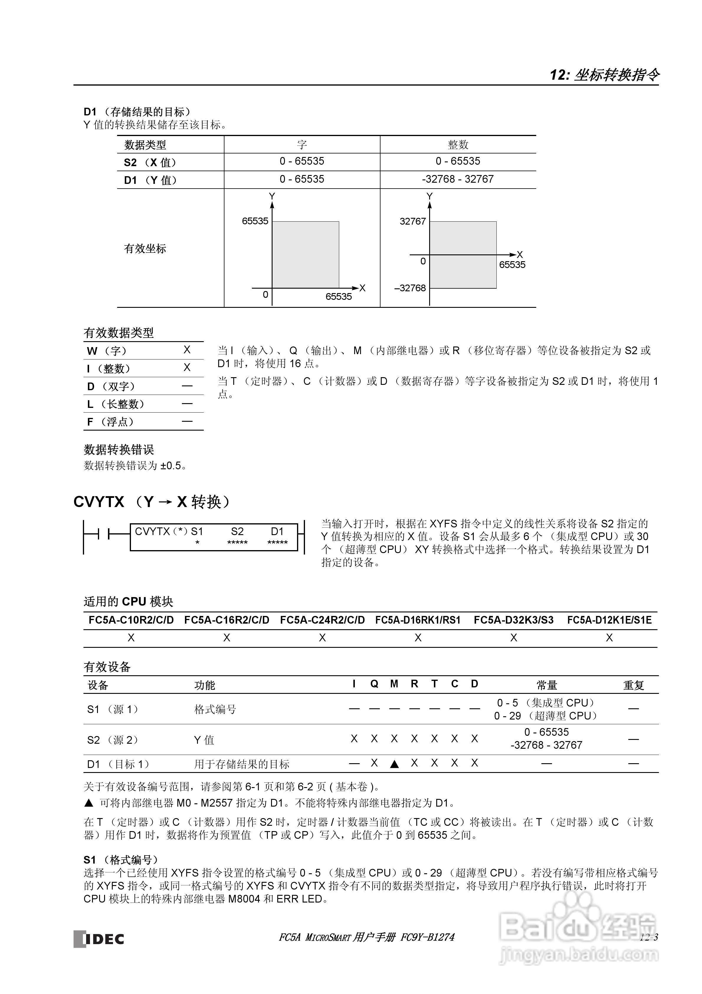
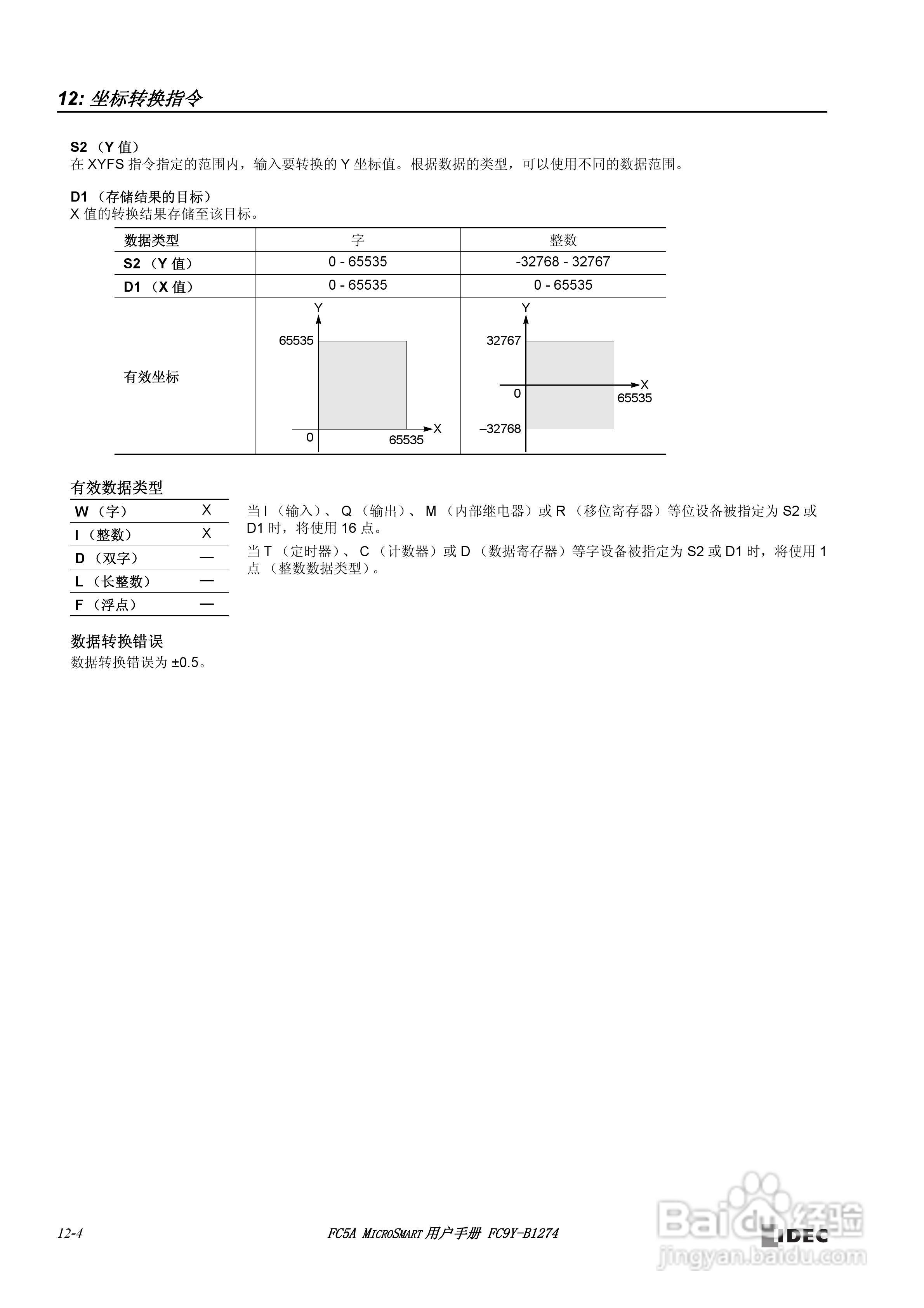
FC5A型可编程控制器_显示器使用说明书:[14]
2026-05-04 02:43:48
本篇为《FC5A型可编程控制器_显示器使用说明书》,主要介绍该产品的使用方法以及常见故障解决方案。
(共篇)
上一篇:
|
下一篇:
声明:
本网站引用、摘录或转载内容仅供网站访问者交流或参考,不代表本站立场,如存在版权或非法内容,请联系站长删除,联系邮箱:site.kefu@qq.com。
相关推荐
FC5A型可编程控制器_显示器使用说明书:[15]
阅读量:20
FC5A型可编程控制器_显示器使用说明书:[6]
阅读量:73
使用说明书封面怎么做
阅读量:89
使用说明书wf2651使用指南
阅读量:107
FC5A型可编程控制器_显示器使用说明书:[34]
阅读量:131
猜你喜欢
大连理工大学城市学院怎么样
列王的纷争攻略
辐射4怎么加点
玉珠铉减肥瑜伽第一部
土匪攻略
limbo攻略
月经期间怎样减肥
短袖衬衫搭配
碧蓝航线攻略
泰拉瑞亚肉山后攻略
猜你喜欢
黄河科技学院怎么样
元朝皇帝列表及简介
嘴巴里面起泡怎么办
一周减肥10斤
岳飞传攻略
眼睫毛怎么变长
火炬之光2怎么联机
正当防卫2攻略
我要减肥
腿毛多怎么办